Вы здесь

Блок искрозащиты на стабилитронах БИС-1 

Блок искрозащиты на стабилитронах БИС-1 предназначен для подключения пожарных приемно-контрольных приборов (ППК), расположенных вне взрывоопасных зон, к устройствам, находящимся в зонах с взрывоопасной атмосферой. Среди таких устройств могут быть извещатели пламени «НАБАТ» во взрывозащищенном исполнении ([Ex ia IIC). Размеры блока составляют 90×77,5×42 мм, масса — 170 г.

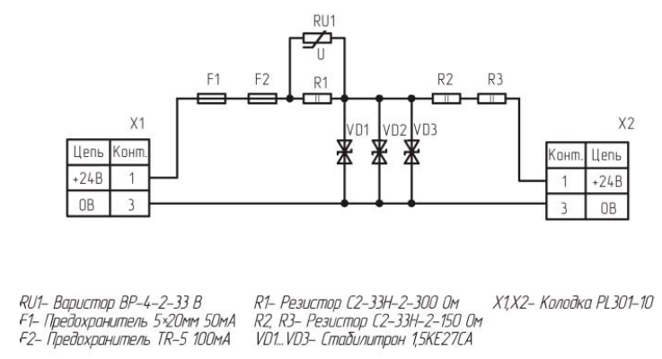
Конструкция БИС-1 включает стабилитроны, варистор, последовательно подключенные резисторы и предохранители. Это цельный неразборный модуль, залитый компаундом.

При использовании блока БИС энергия, передаваемая в опасную зону, ограничивается до безопасного уровня, исключающего воспламенение горючей атмосферы. Защитный барьер включает предохранитель, стабилитроны, которые ограничивают напряжение до безопасных значений, и резисторы, снижающие ток в цепи опасной зоны.

БИС также оснащен сменным предохранителем, который защищает систему от скачков напряжения или неправильного подключения.

При нормальной работе блока (питание 24±2 В постоянного тока) стабилитроны и варистор остаются с высоким сопротивлением и не оказывают влияния на работу подключенных устройств в опасной зоне.

Варистор, установленный параллельно ограничительному резистору, помогает предохранителю срабатывать быстрее.

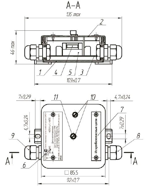
Габаритные размеры БИС-1

  1. Корпус
  2. Крышка
  3. Печатная плата
  4. Предохранитель
  5. Держатель предохранителя
  6. Табличка
  7. Табличка
  8. Гермовводы
  9. Гермовводы
  10. Винты
  11. Чашка пломбировочная

Технические характеристики БИС-1

Максимальное выходное напряжение искробарьера (Uo), В 28.4
Максимальный выходной ток (Io), мА 83
Степень защиты IP55
Диапазон рабочих температур, °С -40…+55
Габаритные размеры. мм 135х85.5х46

Схема электрическая принципиальная БИС-1

Назад к списку