Вы здесь

Цифровой индикатор положения Belimo ZAD24 

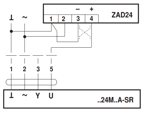
Цифровой индикатор положения Belimo ZAD24 предназначен для дистанционно определения положения заслонки.

Также используется для управления приводами следующими заслонками:

  • LM24A-SR;
  • NM24A-SR;
  • SM24A-SR;
  • GM24A-SR;
  • AF24-SR;
  • LF24-SR.

Технические характеристики цифрового индикатора положения Belimo ZAD24

Номинальное напряжение AC 24 V, 50/60 Hz
Диапазон номинального напряжения AC 19.2 ... 28.8 V
Потребляемая мощность 4 VA
Подключение 4-полюсный штекер
Сигнал индикации U/I DC 2 ... 10 V (от привода)
Входное сопротивление >100 kΩ
Начальная точка U0 DC 0 ... 12 V
Диапазон ∆U DC 3 ... 12 V
Заводские настройки U0 = DC 0 V, ∆U = DC 10 V
Указатель положения 0 ... 99%
Точность измерения 0.5% ±1 digit
Направление вращения выбирается с помощью проводки
Класс защиты III Защитное сверхнизкое напряжение
Степень защиты IP20
Режим работы Тип 1 (в соответствии с EN 60730-1)
Диапазон температуры окружающей среды -0 ... +50°C
Тест на влажность To EN 60730-1
Вес 240 г.

Габаритные размеры цифрового индикатора положения Belimo ZAD24

Схема подключения цифрового индикатора положения Belimo ZAD24

Назад к списку