Вы здесь

Датчик перепада давления Siemens QBM81 

Датчик перепада давления Siemens QBM81 используется для воздуха и не агрессивных газов.

Характеристики датчиков

  • Для установок вентиляции и кондиционирования воздуха;
  • Для наблюдения за фильтрами и потоками воздуха, приводными ремнями вентиляторов;
  • Для наблюдения давления в чистых помещениях, на кухнях и т.п.;
  • Легко устанавливаются;
  • >1 млн циклов переключения;
  • Исключительная точность настройки и регулирования;
  • Долговременная стабильность отсчётных точек выключения.

Область применения датчиков

  • В установках вентиляции и кондиционирования воздуха;
  • Для наблюдения перепада давления, отрицательного или положительного;
  • Для наблюдения за воздушными фильтрами и потоками воздуха;
  • Для наблюдения за приводными ремнями вентиляторов;
  • Датчики могут использоваться в чистых помещениях, кухнях и т.п.

Конструкция Siemens QBM81

  • Корпус и крышка;
  • Мембрана;
  • 1 монтажный кронштейн из тонколистовой стали.

Монтажный комплект FK-PZ3 (аксессуар, адаптер для воздуховода): 2 адаптера воздуховода, 4 крепёжных винта, полая трубка длиной 2 м, диаметром 5/8 мм.

При заказе необходимо указать количество, наименование и номер заказа продукта.

Например: 1 датчик перепада давления QBM81-5, адаптер для воздуховода FK-PZ3 включён в комплект поставки.

Остальные аксессуары должны приобретаться отдельно.

Технические характеристики Siemens QBM81

Модель QBM 81-3 QBM 81-5 QBM 81-10
Артикул BPZ:QBM81-3 BPZ:QBM81-5 BPZ:QBM81-10
Нагрузочная способность AC/DC 24 В, ³ 0,01 A
AC 250 В, макс. 5 A резист.
макс. 3 A инд., cos j > 0,6
(0,8 A starting current sixfold, cos j > 0,6)
AC/DC 24 В, ³ 0,01 A
AC 250 В, макс. 5 A резист.
макс. 3 A инд., cos j > 0,6
(0,8 A starting current sixfold, cos j > 0,6)
AC/DC 24 В, ³ 0,01 A
AC 250 В, макс. 5 A резист.
макс. 3 A инд., cos j > 0,6
(0,8 A starting current sixfold, cos j > 0,6)
Напряжение относительно земли Макс. AC 250 В Макс. AC 250 В Макс. AC 250 В
Срок эксплуатации >1 000 000 циклов переключения >1 000 000 циклов переключения >1 000 000 циклов переключения
Диапазон давления 20…300 Па 50...500 Па 100…1000 Па
Выходной сигнал DC 24 V / AC 24...250 V DC 24 V / AC 24...250 V DC 24 V / AC 24...250 V
Точность измерений <±2.5 Па <±5 Па <±5 Па
Среда Воздух, неагрессивные газы Воздух, неагрессивные газы Воздух, неагрессивные газы
Допустимая температура среды –30... +85 °C –30... +85 °C –30... +85 °C
Стандарт защиты IP54 по IEC 60 529 IP54 по IEC 60 529 IP54 по IEC 60 529
Класс безопасности II по EN 60 730 II по EN 60 730 II по EN 60 730
Положение при монтаже Любое Любое Любое
Материал корпуса Поликарбонат, армированный стекловолокном Поликарбонат, армированный стекловолокном Поликарбонат, армированный стекловолокном
Материал частей, подверженных контакту со средой Кремний,слаборасширяющаяся резина,без испарений Кремний,слаборасширяющаяся резина,без испарений Кремний,слаборасширяющаяся резина,без испарений
Вес включая упаковку 0,19 кг без монтажного кронштейна 0,19 кг без монтажного кронштейна 0,19 кг без монтажного кронштейна

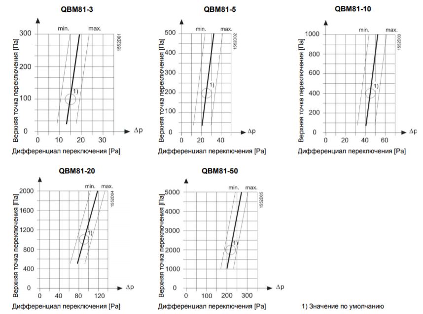
Функциональная диаграмма

Датчик перепада давления Siemens QBM81 - 2

Точки переключения

Датчик перепада давления Siemens QBM81 - 3

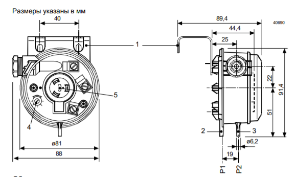
Размеры датчиков Siemens QBM81

Датчик перепада давления Siemens QBM81 - 4

Назад к списку