Вы здесь

Датчик-реле перепада давления SR300, SR500, SR1000, SR1500, SR2500 

Датчики-реле перепада давления SR300, SR500, SR1000, SR1500, SR2500 предназначены для контроля и поддержания заданного перепада давления в различных инженерных системах.

Эти устройства широко применяются для защиты оборудования, управления технологическими процессами и контроля давления в трубопроводах и системах вентиляции.

Модели SR300, SR500, SR1000, SR1500 и SR2500 обеспечивают высокую точность срабатывания и стабильную работу в различных условиях эксплуатации.

Принцип действия

Рассмотрим работу реле SR300 с диапазоном настройки 0,03…0,3 кПа и дифференциалом 0,01 кПа. Допустим, реле подключено к двум зонам, между которыми необходимо поддерживать разность давлений 0,1 кПа.

На шкале устройства устанавливается заданное значение перепада давления — 0,1 кПа.

Когда фактический перепад превышает установленное значение на величину, равную или большую дифференциала (в данном случае 0,01 кПа), происходит переключение контактов: размыкаются COM и NC, замыкаются COM и NO.

При возврате перепада к установленному уровню, контакты COM и NO размыкаются, а COM и NC — снова замыкаются.

Основные особенности:

  • Возможность точной регулировки перепада давления для срабатывания;
  • Надёжный микропереключатель обеспечивает стабильную коммутацию;
  • Контактная группа реле рассчитана на 5 А, 250 В;
  • Длительный срок службы — до 1 миллиона срабатываний.

Элементы прибора:

  1. Штуцер 1 (+)
  2. Штуцер 2 (−)
  3. Кабельный ввод
  4. Задатчик перепада давления
  5. Контакт «NO» (Н.О.)
  6. Контакт «NC» (Н.З.)
  7. Корпус
  8. Контакт «COM» (общий)
  9. Крышка

Порядок работы:

Монтаж

  • Перед началом эксплуатации продуйте трубопроводы, на которых предусмотрена установка датчика-реле, для удаления окалины и грязи
  • Закрепите датчик-реле на вертикальной стационарной поверхности с помощью установочных винтов, входящих в комплект поставки
  • Открутите центральный винт и снимите крышку корпуса.
  • Подключите к контактам реле «COM», «NO» или «NC» цепь регулируемой системы
  • Закройте крышку корпуса и закрутите винт.
  • С помощью пластиковых соединителей подключите к штуцерам 1 (+) и 2 (–) трубопроводы регулируемой системы. Большее давление должно подаваться на штуцер 1 (+)

Установка допустимого значения перепада давления

  • Открутите центральный винт и снимите крышку корпуса.
  • С помощью поворота задатчика перепада давления 4 установите необходимое рабочее значение разности давлений, подведенных к штуцерам 1 (+) и 2 (−).
  • Закройте крышку корпуса и закрутите винт.

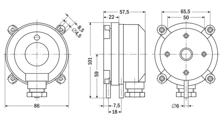
Габаритные размеры

Технические характеристики

Модель Разность давлений, кПа Дифференциал, кПа Макс. давление, кПа Допустимые отклонения от граничных значений
SR200 0,02…0,2 0,01 10 +/- 15%
SR300 0,03…0,3 0,01
SR500 0,05…0,5 0,02
SR1000 0,2…1,0 0,1
SR1500 0,1…1,5 0,1
SR2500 0,5…2,5 0,15 10 +/- 15%

 

Параметр Значение
Температура работы –40…+85°C
Температура хранения –45…+90°C
Влажность среды 0–95% RH (без конденсата)
Группа исполнения по температуре и влажности окружающей среды C4
Группа исполнения по устойчивости к воздействию синусоидальных вибраций N3
Степень защиты IP65
Коммутационная способность реле 5А (2,5А), 250 В
Материал диафрагмы Силикон
Кабельное присоединение PG-11
Присоединение воздуховодов 2 трубки Ø 6 мм
Размеры (В×Ш×Г) 101×86×57,5 мм
Вес 200 г

Комплектация

  • Прибор 1 шт.
  • Установочный винт 4 шт.
  • Гибкая трубка (силикон) длиной 1,2м 1 шт.
  • Пластиковые соединители для воздуховодов 2 шт.
  • Паспорт (Руководство по эксплуатации) 1 шт (на партию)

Схема подключения

Назад к списку