Вы здесь
Пропорциональный датчик давления ISP*
Датчики (преобразователи) давления ISP-100, ISP-250 и ISP-400 выдают выходной сигнал (напряжение или ток), который изменяется пропорционально входному давлению. Корпус датчика ISP выполнен из нержавеющей стали, что делает его подходящим для использования как в промышленных, так и в мобильных гидравлических системах, работающих при высоких давлениях.
Датчики давления ISP соответствуют современным стандартам CE и доступны в различных модификациях, включая разные типы электрических разъемов, выходных сигналов и вариантов подключения к гидравлической системе.
Модели датчиков ISP-100/I-D-CE, ISP-250/I-D-CE, ISP-400/I-D-CE, ISP-100/V-D-CE, ISP-250/V-D-CE и ISP-400/V-D-CE имеют степень защиты IP65 для версий с разъемом по DIN и IP67 для версий с разъемом M12.
В этой серии датчиков предусмотрены варианты с выходным сигналом 4-20 мА или 0-10 В, а также защита от переполюсовки питания.
Датчики этой линейки предлагаются с пятью различными диапазонами измерения давления, охватывающими значения от 60 до 600 бар.
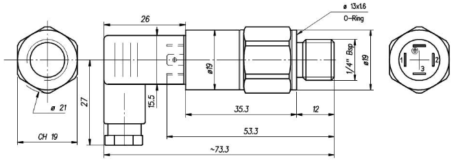
Габаритные размеры ISP
Технические характеристики ISP
Параметр | ед. изм. | Наименование датчика давления | ||
Датчик ISP-100* | Датчик ISP-250* | Датчик ISP-400* | ||
Номинальное давление | бар | 100 | 250 | 400 |
Максимальное динамическое давление | бар | 75 | 187,5 | 300 |
Максимальное рабочее давление | бар | 200 | 500 | 800 |
Давление разрушения | бар | 500 | 1000 | 1500 |
Напряжение электропитания (V / I) | В пост. | 9-32 / 15-32 | ||
Рекомендуемое напряжение электропитания | В пост. | 24 (со стабилизатором напряжения) | ||
Выходной сигнал (V / I) | 0-10 В / 4-20 мА | |||
Время реакции не более | мс | 1 | ||
Диапазон температур рабочей жидкости | °C | -25...+125 | ||
Температурный дрейф в диапазоне от 0 до +100 °C | % | ±1 | ||
Момент затяжки | Н/м | 25 | ||
Материал корпуса | нержавеющая сталь AISI 304 | |||
Масса датчика | кг | 0,05 |