Вы здесь
Пропорциональный датчик давления PTH*
Датчики (преобразователи) давления PTH-100, PTH-250 и PTH-400 предназначены для использования в гидравлических системах промышленного оборудования и мобильных машин.
Отличительной особенностью этих датчиков является их способность стабильно работать в экстремальных условиях, выдерживая температуры рабочей жидкости от -40 °C до +120 °C.
Работа датчиков основана на принципе тензометрии, реализованном с использованием электрической схемы, созданной по SMT-технологии, что обеспечивает высокую надежность и стойкость к вибрациям и механическим ударам.
Все компоненты, контактирующие с жидкостью, изготовлены из нержавеющей стали AISI 316L, что делает датчик полностью герметичным.
Датчики давления моделей PTH-100/20E0-K10, PTH-250/20E0-K10, PTH-400/20E0-K10, PTH-250/20E1-K10 и PTH-400/20E1-K10 имеют степень защиты IP65 для версий с разъемом по DIN или IP67 для версий с разъемом M12.
Данная серия включает варианты с выходным сигналом 4-20 мА или 0-10 В и оснащена защитой от обратной полярности питания.
Датчики этой линейки доступны с четырьмя диапазонами измерения давления, охватывающими значения от 40 до 400 бар.
Обозначение датчиков давления PTH
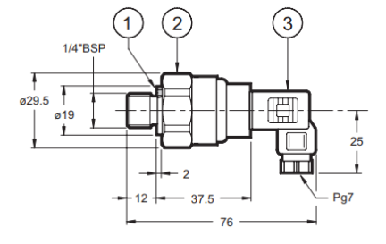
Габаритные размеры
PTH-*/20E*-K10
PTH-*/20E*-K12
Технические характеристики
Параметр | ед. изм. | Наименование датчика давления | |||
Датчик PTH-040* | Датчик PTH-100* | Датчик PTH-250* | Датчик PTH-400* | ||
Номинальное давление | бар | 40 | 100 | 250 | 400 |
Максимальное динамическое давление | бар | 30 | 75 | 187,5 | 300 |
Максимальное рабочее давление | бар | 80 | 200 | 500 | 800 |
Давление разрушения | бар | 240 | 500 | 1000 | 1400 |
Напряжение электропитания (E0 / E1) | В пост. | 12-30 / 10-28 | |||
Выходной сигнал (E0 / E1) | 0-10 В / 4-20 мА | ||||
Максимальный ток потребления не более (E0 / E1) | мА | 12 / 23 | |||
Время реакции не более | мс | 1 | |||
Диапазон температур рабочей жидкости | °C | -40...+120 | |||
Температурный дрейф в диапазоне от 0 до +100 °C | % | ±1 | |||
Материал корпуса | нержавеющая сталь AISI 304 | ||||
Масса датчика | кг | 0,1 |
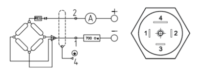
Электрические схемы подключения датчиков PTH
PTH-*/20E0-K10
- Выходной сигнал 0-10 В
- Питание 0 В
- Питание +12...+30 В постоянного тока
- Земля
PTH-*/20E1-K10
- Выходной сигнал 4-20 мА
- Питание +12...+28 В постоянного тока
- Не используется
- Земля