Вы здесь
Реле давления JCS-02
Датчики давления F401050, F401100, F401200 и F401400 используются в гидравлических системах промышленного оборудования и мобильных машин. Эти реле давления надежно работают при температурах рабочей жидкости от -25 до +85 °C.
Все компоненты датчика, которые контактируют с жидкостью, изготовлены из нержавеющей стали, что обеспечивает полную герметичность устройства.
Датчики давления F401050, F401100, F401200 и F401400 имеют степень защиты IP65 для версий с разъемом по DIN или IP67 для версий с разъемом М12.
Предлагаются модели с четырьмя различными диапазонами измерения давления, от 50 до 400 бар.
Особенности JCS
- Присоединение - G¼" внутреннее;
- Контролируемая среда - Масло;
- Напряжение - 24В пост. ток;
- Максимальная сила тока - 16 мА;
- Материал контакта - Латунь;
- Степень защиты IP-65;
- Вес - 1.0 кг.
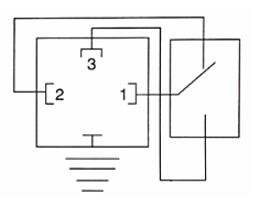
Обозначение схемы реле JCS
Габаритные размеры JCS-02
Технические характеристики JCS-02
Параметр | ед. изм. | Наименование реле давления | |||
Реле JCS-02NLL | Реле JCS-02-NL | Реле JCS-02N | Реле JCS-02-H | ||
Диапазон регулирования давления | бар | 5...60 | 15...60 | 30...210 | 50...350 |
Макс. рабочее давление | бар | 70 | 70 | 210 | 410 |
Напряжение / сила тока | В / А | DC24V / 20mA, AC125V / 5A, AC250V / 3A | |||
Рабочий диапазон температур окружающей среды | °C | -20...+50 | |||
Диапазон температур жидкости | °C | -20...+80 | |||
Диапазон вязкостей жидкости | сСт | 10...400 | |||
Рекомендуемая вязкость | сСт | 25 | |||
Допустимая степень загрязнения жидкости | - | класс 10 по NAS 1638 | |||
Масса | кг | 1,0 |