Вы здесь
Реле давления MAP-80, MAP-160, MAP-320, MAP-40, MAP-630
Реле давления MAP-040, MAP-080, MAP-160, MAP-320 и MAP-630 управляет электрической цепью, замыкая или размыкая контакты при достижении установленного давления в гидросистеме.
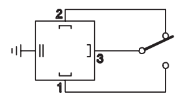
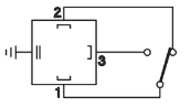
Когда давление жидкости воздействует на поршень (1), который соединен с регулировочной пружиной (2), поршень активирует микровыключатель (3), замыкая или размыкая электрические контакты, как только заданное давление достигнуто.
Давление настраивается с помощью градуированной регулировочной кнопки (4). Поворот по часовой стрелке увеличивает установленное давление.
Реле предназначены для использования в гидросистемах, работающих с минеральными маслами или синтетическими жидкостями с аналогичными смазывающими свойствами.
Максимальное давление для этих реле составляет 650 бар.
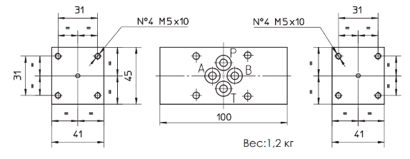
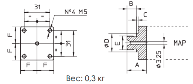
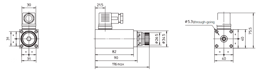
Габаритные размеры MAP-040, MAP-080, MAP-160, MAP-320, MAP-630 без адаптеров
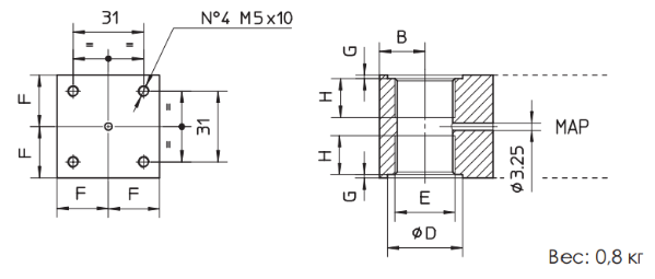
Размеры адаптеров
BMM - Фитинг типа "папа"
BMF - Фитинг типа "мама"
Наименование | A | B | C | ØD | E | F |
BMM-06 | 22,5 | 11,0 | 1,5 | 18 | G 1/4" | 20 |
BMM-10 | 23,5 | 11,5 | 2,0 | 22 | G 3/8" | 20 |
BMM-15 | 27,5 | 15,0 | 2,5 | 26 | G 1/2" | 20 |
BFM - Трубный монтаж
Наименование | A | B | ØD | E | F | G | H |
BFM-06 | 50 | 20 | 19 | G 1/4" | 22,5 | 1 | 12 |
BFM-10 | 50 | 20 | 23 | G 3/8" | 22,5 | 1 | 12 |
BFM-15 | 50 | 20 | 27 | G 1/2" | 22,5 | 1 | 15 |
BFM-20 | 50 | 20 | 33 | G 3/4" | 22,5 | 1,5 | 17 |
BFM-25 | 70 | 30 | 40 | G 1" | 30 | 1,5 | 19 |
BFM-32 | 70 | 30 | 50 | G 1 1/4" | 30 | 1,5 | 22 |
BHM - Модульный монтаж ISO 4401-AB-03-4 размер 06
BKM - Модульный монтаж ISO 4401-AC-05-4 размер 10
Технические характеристики MAP
Монтажное положение | Любое |
Параметры стыковочной поверхности | Шероховатость Ra 0.4, неплоскостность 0.01/100 (ISO 1101) |
Температура окружающей среды | от -20°C до + 70°C |
Рабочая жидкость | Гидравлическое масло по DIN 51524...535; по остальным жидкостям см. раздел [ 1 ] |
Рекомендуемая вязкость | 15÷100 сСт при 40ºС (ISO VG 15÷100) |
Класс чистоты рабочей жидкости | ISO 19/16, достигается при тонкости фильтрации 25 мкм при рекомендуемом показателе β ≥ 75) |
Температура рабочей жидкости | T ≤ 80°C, при T ≥ 60°C выберите исполнение уплотнений /PE |
Основные характеристики и подключение встроенного в реле MAP микровыключателя
Параметр | Номинальное напряжение (В) | |||
125 AC | 250 AC | 30 DC | 250 DC | |
Mаксимальный ток (А) - резистивная нагрузка - |
7 | 5 | 5 | 0,2 |
Mаксимальный ток (А) - индуктивная нагрузка (сos φ = 0,4) - |
4 | 2 | 3 | 0,02 |
Сопротивление изолятора | ≥ 100 мОМ | |||
Сопротивление контактов | ≈ 15 мОМ | |||
Электрическая надежность | ≥ 1.000.000 переключений | |||
Механическая надежность | ≥ 10.000.000 переключений |
- | Нормальное положение | Положение под давлением |
STD | ![]() |
![]() |
/E | ![]() |
![]() |