Вы здесь
Реле давления PSP и PST
Реле давления PST и PSP — это гидроэлектрические устройства поршневого типа, которые переключают внутренний электрический контакт при достижении заданного уровня давления.
Доступны модели с четырьмя диапазонами давления, от 35 до 630 бар. Эти реле можно установить как на промежуточной плите, так и через резьбовое отверстие 1/4" BSP.
Обычно реле оснащены регулировочной ручкой с шкалой давления.
Устройство PST и PSP
Давление в трубопроводе действует на поршень 1, на который с другой стороны непосредственно действует сила пружины 2. Усилие пружины регулируется с помощью ручки.
Когда давление в трубопроводе достигает заданной величины, поршень 3 перемещается и переключает микровыключатель 4.
Обозначение реле давления PSP, PST
Промежуточные плиты для стыкового монтажа и установка
Установка
Реле давления типа PSP со стыковым монтажом на промежуточной плите могут быть установлены в любом положении без ухудшения рабочих характеристик. Убедитесь, что в гидравлической системе отсутствует воздух.
Клапан фиксируется с помощью винтов на плоской поверхности со значениями плоскостности и шероховатости, равными или лучшими, чем указанные в соответствующих обозначениях.
Если не соблюдаются минимальные значения, то легко может произойти утечка жидкости в зазор между реле и монтажной поверхностью.
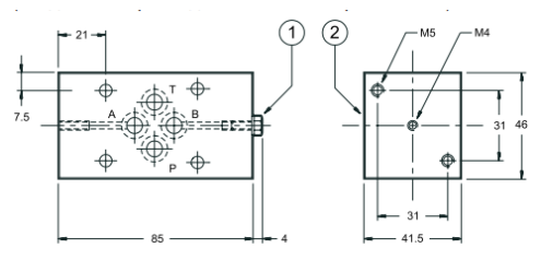
Реле давления PSP могут быть смонтированы встык с помощью промежуточных плит CETOP 03 типа PM-PSP-AB/10N и PM-PSP-P/10N. Промежуточная плита PM-PSP-AB/10N допускает соединение реле давления и присоединительных отверстий A и(или) B, в зависимости от того, где установлена заглушка (поз. 1). Реле и заглушку можно менять местами.
Промежуточная плита PM-PSP-P/10N допускает соединение реле давления с каналом P.
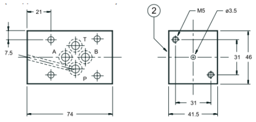
Промежуточная плита PM-PSP-AB/10N. Код 1950611 (соединение присоединительных отверстий А и В)
Промежуточная плита PM-PSP-P/10N. Код 1950621 (соединение с каналом P)
Монтажная поверхность
1 | Винт М4х12 с шестигранной головкой и торцевым уплотнением типа 400-002. При необходимости контроля давления в канале B, отвинтите винт и установите его с уплотнением на противоположную сторону. |
2 | Монтажная поверхность с уплотнительными кольцами: 4 шт., типа OR 2037 (9,25x1,78) |
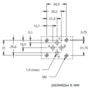
Габаритные размеры
PSP
PST
1 | Монтажная поверхность с уплотнительными кольцами (вариант PSP): 1 шт., типа OR 2025 (6,07х1,78) |
2 | Регулировочная ручка. Для увеличения давления вращать по часовой стрелке. |
3 | Отградуированная шкала с указанием установочного давления в барах. |
4 | Электрический разъем DIN 43650 с 3 контактами + заземление, поставляемый в комплекте с реле давления. |
5 | Монтажная плита резьбового подключения к магистрали (PST тип):соединительное отверстие с внутренней резьбой 1/4" BSP; 2 отверстия для монтажа с помощью винтов М5х50. |
Технические характеристики PST и PSP
Параметр | ед. изм. | Наименование реле давления | |||
реле PST2, PSP2 | реле PST4, PSP4 | реле PST6, PSP6 | реле PST8, PSP8 | ||
Диапазон регулирования давления | бар | 3...35 | 6...140 | 10...350 | 20...630 |
Макс. рабочее давление | бар | 350 | 350 | 650 | 650 |
Повторяемость | < ± 1 % от заданного давления | ||||
Рабочий диапазон температур окружающей среды | °C | -20...+50 | |||
Диапазон температур жидкости | °C | -20...+80 | |||
Диапазон вязкостей жидкости | сСт | 10...400 | |||
Рекомендуемая вязкость | сСт | 25 | |||
Допустимая степень загрязнения жидкости | - | класс 10 по NAS 1638 | |||
Масса | кг | 0,67 |
Электрические характеристики
Наименование параметра | Переменный ток | Постоянный ток | |||
Питание | B | 125 | 250 | 30 | 250 |
Макс. ток при нагрузке: | A | 7 | 5 | 5 | 0,2 |
активная | |||||
индуктивная | 4 | 2 | 3 | 0,02 | |
Повторяемость | - | < ± 1 % от заданного давления | |||
Макс. частота переключений | переключ./мин | 120 | |||
Ресурс (MTBF) механических частей | переключений | 10 000 000 | |||
Ресурс (MTBF) электрических контактов | переключений | 2 000 000 | |||
Класс защиты (согласно IEC 144) | - | IP 65 |