Вы здесь

Реле давления (сигнализатор давления) СД 

Сигнализатор давления СД (реле давления) используется для контроля давления в системе и подачи электрического сигнала при снижении давления жидкостей или газов, включая хладоны II4B2 и I3BI, ниже установленного порога.

Сигнализатор применяется в гидравлических и пневматических системах специальной техники.

Реле давления СД имеет общеклиматическое исполнение по ГОСТ В20.39.304-76 и оснащен замыкающими и размыкающими контактами.

Погрешность срабатывания сигнализатора под воздействием указанных внешних факторов не превышает 1 МПа (10 кгс/см²). Устройство устойчиво к воздействию пыли, инея, росы, морского тумана и плесневых грибов, а также сохраняет работоспособность после погружения на глубину до 7 м.

Сигнализатор выдерживает экстремальные температуры до -60 °С. Средний срок службы составляет 11 лет, из которых 5 лет — при постоянном воздействии давления. Ресурс устройства рассчитан на 2000 срабатываний. Масса сигнализатора не превышает 0,27 кг, а рабочее давление контролируемой среды составляет 10 МПа.

Установка значений при понижении давления составляет 2,0; 6,0; 7,0; 8,0; 10,0 с нормально разомкнутыми контактами и 0,5; 1,5; 2,0; 4,0; 5,0; 5,5; 8,0; 10 с нормально замкнутыми контактами с погрешностью ± 5 %. Реле давления способно выдерживать перегрузку до 15 МПа в течение 16 часов.

Реле давления устойчиво к воздействию следующих факторов:

  • температуры окружающего воздуха от -50 до +125 °С; 
  • относительной влажности окружающего воздуха до 98 % при температуре 35 °С; 
  • синусоидальной вибрации в диапазоне частот от 1 до 500 Гц и амплитудой ускорения до 98 м/с² (10 g); 
  • механических ударов многократного действия с пиковым ударным ускорением до 196 м/с² (20 g) при длительности действия ударного ускорения от 1 до 5 мс; 
  • механических ударов однократного действия с пиковым ударным ускорением до 4900 м/с² (500 g) при длительности ударного ускорения от 0,2 до 2 мс; 
  • акустического шума в диапазоне частот от 50 до 10000 Гц с уровнем звукового давления 135 дБ; пониженного атмосферного давления до 60 кПа (450 мм рт.ст.); 
  • воздушного потока со средним значением скорости до 30 м/с максимальным значением скорости до 50 м/с;
  • солнечного излучения: 1) интегрального с плотностью потока до 1125 Вт/м²; 2) ультрафиолетового с плотностью потока до 68 Вт/м². 

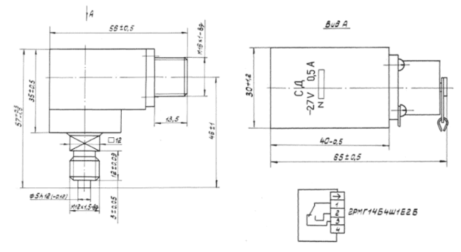
Габаритные размеры СД

Технические характеристики СД

Наименование параметра Значение параметра
Рабочее давление контролируемой среды, МПа (кгс/см²) 10 (100)
Значение установки при понижении давления, МПа (кгс/см²) 2,0 (20)
Погрешность не более, МПа (кгс/см²) 0,3 (3,0)
Контактное устройство сигнализатора коммутирует цепи постоянного тока до, А 0,5
Напряжение, В 27
Назад к списку