Реле давления TS4-* 

Реле давления TS4 резьбового присоединения G1/4 и стыкового присоединения по DIN ISO 16873 и в модульном исполнении реле давления MTS-06, MTS-10 CETOP3, CETOP5 представляют собой гидроэлектрические реле давления поршневого типа.

Переключение внутреннего электрического контакта происходит в том случае, если рабочее давление достигает заданной величины.

Габаритные размеры

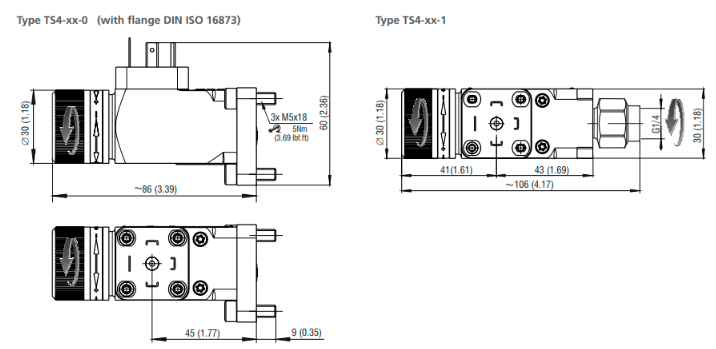
TS4

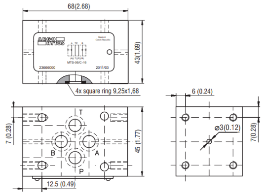
MTS-06/C

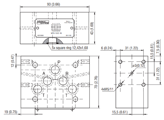
MTS-10/C

Технические характеристики TS4

Параметр TS4-16-0(1) TS4-25-0(1) TS4-32-0(1)
Условный проход 4
Диапазон настройки давлений, бар 10-160 20-250 30-320
Диапазон температур рабочей жидкости, °C -20...+70
Диапазон вязкости, мм²/сек 15 - 380
Масса реле не более, кг 0,325
Класс чистоты рабочей жидкости по NAS 1638 8

Технические характеристики MTS-06, MTS-10

Параметр MTS-06 MTS-10
Условный проход 6 10
Расход, л/мин 80 120
Диапазон температур рабочей жидкости, °C -20...+70
Диапазон вязкости, мм²/сек 15 - 380
Масса не более, кг 1,0 2,5
Класс чистоты рабочей жидкости по NAS 1638 8

Структура условного обозначения реле давления TS4

Структура условного обозначения реле давления MTS-06(10)

Назад к списку