Вы здесь

Датчик температуры Siemens QAC3171 

Датчик температуры Siemens QAC3171 предназначен для измерения наружной температуры. Точность измерений At -50...50 °C: ±0.9 K.

Измерение осуществляется путем изменения сопротивления чувствительного элемента, преобразования в выходной сигнал DC 0...10 V или 4...20 mA, в зависимости от типа датчика. Выходной сигнал соответствует выбранному температурному диапазону.

Также применяется для систем отопления, вентиляции и кондиционирования воздуха как:

  • Эталонные датчики для погодозависимого регулирования;
  • Измерительные датчики для оптимизации алгоритмов систем вентиляции и кондиционирования воздуха и других подсистем здания;
  • Высокоточные датчики для измерения температуры в помещениях.

Датчик поставляется в комплекте с сальником для ввода кабеля M16.

Устройство

Датчик наружной температуры состоит из корпуса, печатной платы, клемм для подключения и измерительного щупа. Двухсекционный корпус состоит из основания и крышки (крепиться на винтах).

Измерительный контур и элементы задания параметров располагаются на печатной плате внутри корпуса, клеммы для подключения на корпусе.

Измерительный щуп расположен в нижней части корпуса.

Ввод кабеля либо сзади (скрытый монтаж), либо снизу (поверхностный монтаж кабеля). Для этой цели можно выдавить в корпусе отверстие, либо вкрутить сальник M16 can.

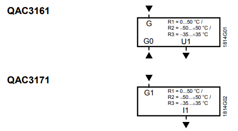
Элементы задания параметров

Элементы задания параметров расположены внутри корпуса, и состоят из 6 штырьков и перемычки. Они используются для задания диапазона измерения и для активации функций тестирования. 

Различные положения перемычки

Для измерения температуры в диапазонах:

  • Перемычка в левом положении (R1) = 0...50 °C;
  • Перемычка в среднем положении (R2) = −50...+50 °C (заводская уставка);
  • Перемычка в правом положении (R3) = −35...+35 °C.

Для активизации функции тестирования:

  • Перемычка в горизонтальном положении: Значения будут доступны на сигнальном выходе, согласно табл. "Актив.тест функции".

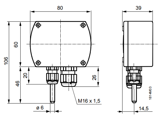
Габаритные размеры датчика температуры Siemens QAC3171

Технические характеристики датчика температуры Siemens QAC3171

Рабочее напряжение DC 13.5...35 В
Потребляемая мощность ≤ 1 ВА
Sensing element Pt1000
Чувствительный элемент, температура Pt1000
Диапазон измерения температуры -50…50 °C
Точность измерений При -50...50 °C: ±0.9 K
Постоянная времени 1200 с
Электрические подключения Винтовые зажимы
Аналоговый выход, сигнальный DC 4...20 мA
Класс защиты IP65
Размеры (Ш х В х Г) 80 x 88 x 39 мм

Диаграмма нагрузки

Схема подключения

Схема сверления

Назад к списку