Вы здесь
Датчик температуры Siemens QAE1020.024
Датчик температуры Siemens QAE1020.024 замеряет температуру среды посредством чувствительного элемента, сопротивление которого меняется в зависимости от температуры. Сигнал отправляется для дальнейшей обработки на совместимый регулятор/контроллер.
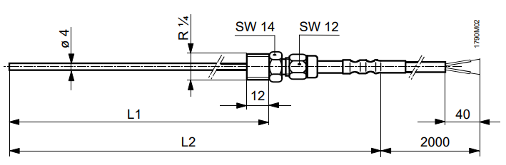
Погружной датчик температуры состоит из погружного стержня из нержавеющей стали, втулки с резьбой и соединительных кабелей, готовых к подключению. Чувствительный элемент смонтирован и запаян в конце погружного стержня при помощи теплопроводящего уплотнителя.
Резьбовая втулка с ниппелем R ¼ (с уплотнением на резьбе) используется для монтажа датчика на трубу. Погружной стержень изолируется от соединительных кабелей сверху усадочной муфтой длиной 30 мм.
Монтаж и установка
Для монтажа погружного датчика необходимо приварить Т-образное ответвление либо резьбовой фитинг с цилиндрической резьбой для уплотнения соединения внутри резьбы (Rp ¼) таким образом, чтобы погружной стержень был направлен навстречу потоку.
Чувствительный элемент
Габаритные размеры датчика температуры Siemens QAE1020.024
Модель | L1 | L2 | |
min | max | ||
QAE1020.024 | 15 | 240 | ca. 275 |
Технические характеристики датчика температуры Siemens QAE1020.024
Sensing element | LG-Ni1000 |
Диапазон измерения температуры | -5...105 °C |
Чувствительный элемент, температура | LG-Ni1000 |
Точность измерений | При -50...180 °C: ±1.75 K |
Постоянная времени | <2.5 с |
Глубина погружения | 15...240 мм |
Material, immersion pocket | Нержавеющая сталь |
Длина кабеля | 2 м |
Соединительный кабель | ПВХ |
Connecting thread | R ¼" |
Класс PN | PN 16 |
Диаметр | 4 мм |
Количество в упаковке |
100 штук |