Вы здесь
Датчик температуры Siemens QAE2164
Датчик температуры Siemens QAE2164 предназначены для измерения температуры воды в трубопроводах и баках
Применяются в установках ОВК для:
- контроля или ограничения температуры водяного потока
- ограничения температуры в обратной линии
- контроля температуры ГВС
Датчик воспринимает температуру тепло/холодоносителя через чувствительный элемент, сопротивление которого меняется в зависимости от температуры. Изменение сопротивления конвертируется в выходной сигнал DC 0...10 V или 4...20 mA, в зависимости от типа датчика. Выходной сигнал соответствует выбранному температурному диапазону.
Конструкция
Погружной датчик температуры состоит из следующих элементов: двухсекционный пластиковый корпус, печатная плата с электронной схемой и клеммами и погружного щупа в сборе с чувствительным элементом.
Доступ к клеммам для подключения возможен после снятия крышки. Кабельный ввод выполнен сальником M16 (IP 54), который вкручивается в корпус. Измерительный щуп жестко закреплен на корпусе.
Элементы управления
Элементы управления смонтированы внутри корпуса, и состоят из блока из 6-ти штырьков и перемычки. Они служат для выбора требуемого диапазона температур и активизации функции тестирования.
Различные положения перемычки служат:
Для задания температурного диапазона:
- Перемычка в левом положении (R1) = 0...100 °C;
- Перемычка в среднем положении (R2) = −10...+120 °C (заводская установка);
- Перемычка в правом положении (R3) = 0..70 °C.
Для активизации функции тестирования:
- Перемычка в горизонтальном положении: Значения на выходе согласно табл "Тестовые функции".
Монтаж
Допустимые положения
Габаритные размеры датчика температуры Siemens QAE2164
Модель | L |
QAE2164.010 | 100 |
QAE2164.015 | 150 |
Технические характеристики датчика температуры Siemens QAE2164
Модель | QAE2164.010 | QAE2164.015 |
Выходной сигнал температуры | DC 0...10 V | DC 0...10 V |
Рабочее напряжение | AC 24 В , DC 13.5...35 В | AC 24 В , DC 13.5...35 В |
Потребляемая мощность | ≤ 1 ВА | ≤ 1 ВА |
Диапазон измерения температуры | -10...120 °C | -10...120 °C |
Точность измерений | При 0...70 °C: ±1 K, При -40...120 °C: ±1.4 K | При 0...70 °C: ±1 K, При -40...120 °C: ±1.4 K |
Постоянная времени | С защитной гильзой: 30 с | С защитной гильзой: 30 с |
Глубина погружения | 100 мм | 150 мм |
Material, immersion pocket | Нержавеющая сталь | Нержавеющая сталь |
Электрические подключения | Винтовые зажимы | Винтовые зажимы |
Способ монтажа | Защитная гильза G½ " | Защитная гильза G½ " |
Класс PN | PN 10 | PN 10 |
Класс защиты | IP54 | IP54 |
Размеры (Ш х В х Г) | 80 x 88 x 39 мм | 80 x 88 x 39 мм |
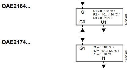
Схема подключения
- G, G0 Рабочее напряжение AC 24 V (SELV) или DC 13.5...35 V;
- G1 Рабочее напряжение DC 13.5...35 V;
- I1 Выход 4...20 mA для диапазона измерения −10...+120 °C (заводская установка), 0...100 °C или 0...70 °C;
- U1 Выход DC 0...10 V для диапазона измерения −10...+120 °C (заводская установка), 0...100 °C или 0...70 °C.