Вы здесь
Датчик температуры Siemens QAE26
Датчик температуры Siemens QAE26 замеряет температуру среды посредством чувствительного элемента, сопротивление которого меняется в зависимости от температуры. Сигнал отправляется для дальнейшей обработки на совместимый регулятор/контроллер.
Погружной датчик температуры состоит из погружного стержня из нержавеющей стали, втулки с резьбой и соединительных кабелей, готовых к подключению. Чувствительный элемент смонтирован и запаян в конце погружного стержня при помощи теплопроводящего уплотнителя.
Резьбовая втулка с ниппелем R ¼ (с уплотнением на резьбе) используется для монтажа датчика на трубу. Погружной стержень изолируется от соединительных кабелей сверху усадочной муфтой длиной 30 мм.
Монтаж и установка
Для монтажа погружного датчика необходимо приварить Т-образное ответвление либо резьбовой фитинг с цилиндрической резьбой для уплотнения соединения внутри резьбы (Rp ¼) таким образом, чтобы погружной стержень был направлен навстречу потоку.
Чувствительный элемент
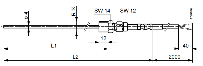
Габаритные размеры датчика температуры Siemens QAE26
QAE26.9
QAE26.90, QAE26.91 QAE26.93, QAE26.95
Модель | L1 | L2 | |
min | max | ||
QAE26.90 | 15 | 65 | ca. 100 |
QAE26.91 | 15 | 125 | ca. 160 |
QAE26.93 | 15 | 240 | ca. 275 |
QAE26.95 | 15 | 465 | ca. 500 |
Технические характеристики датчика температуры Siemens QAE26
Модель | QAE26.9 | QAE26.9 | QAE26.91 | QAE26.93 | QAE26.95 |
Sensing element | LG-Ni1000 | LG-Ni1000 | LG-Ni1000 | LG-Ni1000 | LG-Ni1000 |
Диапазон измерения температуры | -40...180 °C | -50...180 °C | -50...180 °C | -50...180 °C | -50...180 °C |
Чувствительный элемент, температура | LG-Ni1000 | LG-Ni1000 | LG-Ni1000 | LG-Ni1000 | LG-Ni1000 |
Точность измерений | - | При -50...180 °C: ±1.75 K | При -50...180 °C: ±1.75 K | При -50...180 °C: ±1.75 K | При -50...180 °C: ±1.75 K |
Постоянная времени | < 3 с | <2.5 с | <2.5 с | <2.5 с | <2.5 с |
Глубина погружения | 25...260 мм | 15…65 мм | 15…125 мм | 15...240 мм | 15…465 мм |
Material, immersion pocket | Нержавеющая сталь | Нержавеющая сталь | Нержавеющая сталь | Нержавеющая сталь | Нержавеющая сталь |
Длина кабеля | 1,2 м | 2 м | 2 м | 2 м | 2 м |
Соединительный кабель | - | Силикон | Силикон | Силикон | Силикон |
Connecting thread | R ¼" | R ¼" | R ¼" | R ¼" | R ¼" |
Класс PN | PN 40 | PN 16 | PN 16 | PN 16 | PN 16 |
Диаметр | 6 мм | 4 мм | 4 мм | 4 мм | 4 мм |