Вы здесь

Датчик температуры Siemens QAM2161.040 

Датчик температуры Siemens QAM2161.040 предназначен для использования в вентиляционных установках и установках кондиционирования воздуха в качестве:

  • Датчиков температуры приточного или вытяжного воздуха;
  • Ограничительных датчиков, например, для ограничения минимальной температуры приточного воздуха;
  • Эталонных датчиков, например, для изменения комнатной температуры в зависимости от температуры наружного воздуха;
  • Датчиков температуры точки росы;
  • Измерительных датчиков, например, для индикации измеренных значений или подключения к автоматизированной системе управления зданием.

Датчик воспринимает температуру воздуха через чувствительный элемент, сопротивление которого меняется в зависимости от температуры. Значение конвертируется в выходной сигнал DC 0...10 V или 4...20 mA и подается на соответствующий контроллер для дальнейшей обработки.

Датчик температуры в воздуховоде состоит из следующих компонентов:

  • Двухсекционный пластиковый корпус, состоящий из основания с клеммами для подключения, электронной платы и съемной крышки (с пружинной защелкой);
  • Полностью автономный гибкий пробник с чувствительным элементом, который фиксирует среднее значение температуры.

Доступ к клеммам для подключения открывается после снятия крышки. Кабель в датчик вводится через изолирующую втулку, которая при необходимости может быть заменена на кабельное входное уплотнение M16 (IP 54). Измерительный контур и блок переключателей расположены на монтажной плате под крышкой.

После закрепления монтажного фланца датчик устанавливается в 6 различных погружным положениях так, что корпус датчика должен всегда выступать за край изоляционного слоя на не менее 70 мм. Пробник длиной в пределах 2 - 6 м закрепляется на воздуховоде крепежным зажимом, поставляемых вместе с датчиком

Диаграмма нагрузки

Блок переключателей

Блок переключателей состоит из 6 штырьков и перемычки. Он служит для выбора диапазона измерений и для активизации функции тестирования.

Различные положения перемычки

Для температурных диапазонов:

  • Перемычка в левом положении (R1) = 0...50 °C;
  • Перемычка в среднем положении (R2) = −50...+50 °C (заводская уст);
  • Перемычка в правом положении (R3) = −35...+35 °C.

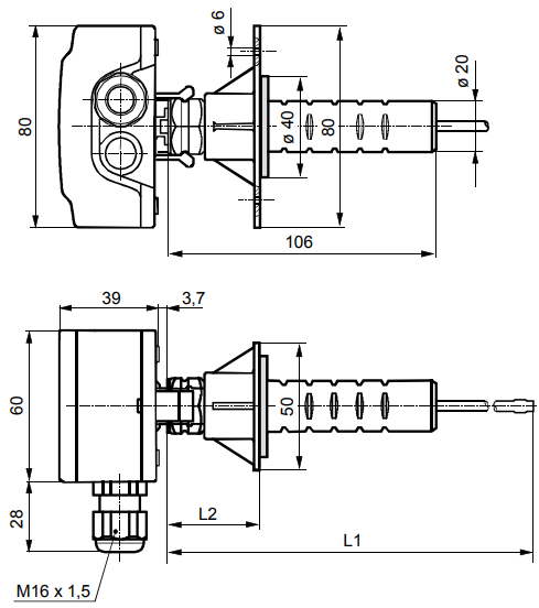
Габаритные размеры датчика температуры Siemens QAM2161.040

Модель
 
L1 L2
min max
QAM2161.040 400 97 37

Технические характеристики датчика температуры Siemens QAM2161.040

Выходной сигнал температуры 0…10 В
Диапазон измерения температуры -50…50 C
Дисплей Нет
Длина пробника 400 мм
Измеряемый параметр Температура
Климатические условия при работе Класс 3K5
Материал корпуса Поликарбонат
Название линейки Symaro
Постоянная времени Воздух v=2 м/с: 30 с
Потребляемая мощность < 1 ВА
Применение Для каналов вентиляции
Рабочая влажность 5...95 %
Рабочее напряжение AC 24 В<br>DC 13,5...33 В
Среда Воздух
Срок гарантии, лет 5
Степень защиты (IP) IP54
Температура окружающей среды, работа -40...+70 C
Тип датчика активный

Схема подключения

Схема сверления

Примеры монтажа

Положения при монтаже

Назад к списку