Вы здесь

Датчик температуры ТВП 

Заводом изменено название датчика с ТВП на ТСП.

Датчик температуры ТВП применятся:

  • в системах отопления;
  • горячего водоснабжения;
  • приточной вентиляции и прочих системах;
  • как датчики температуры жидких сред.

Датчик температуры ТВП предназначены для работы в комплекте с микропроцессорными блоками. Датчик температуры наружного воздуха ТВН включен в состав автоматического регулятора температуры с микроконтроллером АТР и клапаном АСКР.

Установка датчика температуры ТВП

Датчик температуры ТВП устанавливается в гильзу (без масла) и фиксируются винтом на гильзе. Гильза завинчивается с паковкой в вваренный в трубопровод патрубок с внутренней резьбой 1/2”. Термодатчик (ТВП) температуры горячей воды Тг следует устанавливать на расстоянии не более 100 мм от выхода теплообменника.

Подключение рекомендуется осуществлять кабелем с двумя витыми парами в общей оболочке с шагом скрутки не более 0,3 м, сечением не менее 0,35 мм2. Через одну витую пару подается питание термодатчика (+5 В и ┴), через вторую – «┴» и данные «D». Допускается осуществлять подключение кабелем с одной витой парой в экране.

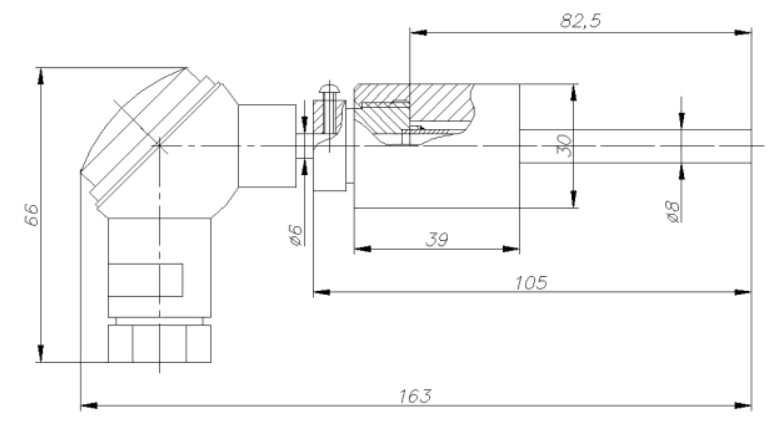
Габаритные размеры датчика температуры ТВП

Технические характеристики датчика температуры ТВП

  • Напряжение: 5 В;
  • Пределы измерения температуры: от -40 до +125 °С;
  • Тип входных термопреобразовтелей с цифровым выходом на базе микросхемы DS1821;
  • Режим работы круглосуточный;
  • Степень защиты: IP68;
  • Температура окружающего воздуха от +5 до +55 °С;
  • Относительная влажность воздуха при температуре 35 °С: до 93%;
  • Средний срок службы: не менее 10 лет.
Назад к списку