Вы здесь
Реле температуры РТ-303
Реле температуры РТ-303 используется:
- для коммутации электрических цепей сигнализации;
- блокировки насосных агрегатов при достижении температурой корпусов подшипниковых узлов заданного фиксированного значения (уставки);
- для контроля температуры в емкостях при давлении до 6,0 МПа.
Реле применяется на промышленных объектах химической, нефтехимической, медицинской, пищевой и других отраслей промышленности.
Принцип работы реле заключается в механической передаче на контактные группы перемещения чувствительного элемента (сильфона), вызванного повышением температуры термометрической жидкости под воздействием изменения температуры контролируемого объекта.
Монтаж реле температуры РТ-303
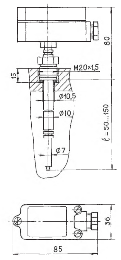
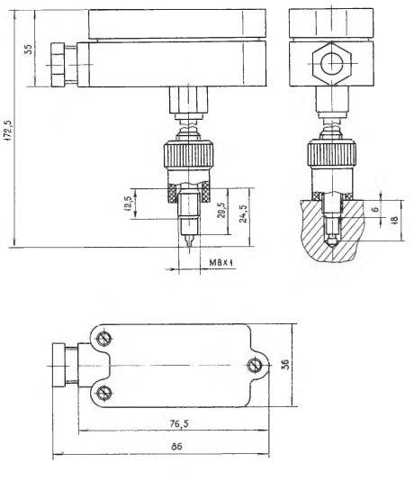
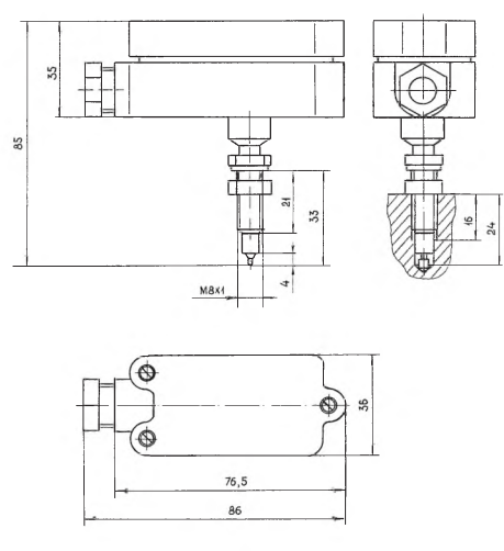
Монтируется реле РТ-303 и РТ-303-1 в корпусе подшипникового узла насосного агрегата в гнездо глубиной 24 или 18 мм с присоединительной резьбой М8х1.
Момент затяжки резьбы на термобаллоне реле не должен превышать:
- для РТ-303, РТ-303-1 — 20 кгс-см;
- для РТ-303-2, РТ-303-3 — 40 кгс-см.
Реле РТ-303-2, РТ-303-3 монтируется на корпусе аппарата для контроля температуры технологических сред под давлением до 6,0 МПа. Длина погружной части термобаллона: от 50 до 150 мм.
Крепление реле РТ-303-2 осуществляется при помощи гайки с резьбой М20х1,5, реле РТ-303-3 — при помощи гайки с резьбой М27х2 и уплотняется прокладкой.
Реле выпускается в четырех исполнениях:
Исполнение | Присоединительная резьба | Способ монтажа | Длина погружной части, I, мм |
РТ-303 | М 8х 1 | в корпусе подшипникового узла | 24 |
РТ-303-1 | 18 | ||
РТ-303-2 | М 20х1,5 | в стенке аппарата | от 50 до 150 |
РТ-303-3 | М27 х2 |
Технические характеристики реле температуры РТ-303
Предел допускаемой абсолютной основной погрешности, °С | ±1; ±2; ±3 или ±5 |
Зона возврата реле относительно уставки не превышает 3 °С | |
Разброс срабатываний реле | не более 0,3 °С |
Коммутационные характеристики | |
Контакты замкнуты при значениях температуры ниже величины уставки; | |
Род тока | постоянный; |
Вид нагрузки | активная; |
Напряжение, В | (24 ± 2,4) |
Ток, мА | 150 |
Предельные значения искробезопасных параметров реле: | |
Максимальное входное напряжение U | 26,4 В |
Максимальный входной ток I | 0,15 А |
Максимальная входная емкость С | 0,001 мкФ |
Максимальная входная индуктивность L | 1,0 мкГн |
Термобаллон реле РТ-303 и РТ-303-1 выдерживает внешнее давление 6,0 кгс/см2 | |
Максимальное рабочее давление РТ-303-2 и РТ-303-3 — 6,0 МПа (60,0 кгс/см2) | |
Вид климатического исполнения | У2 по ГОСТ 15150 |
Условия эксплуатации: | |
Температура окружающего воздуха | от -50 до +50 °С |
Атмосферное давление | от 84 до 106,7 кПа (от 630 до 800 мм рт. ст.) |
Относительная влажность воздуха | до 95 % при 35 °С и более низких температурах без конденсации влаги; |
Содержание агрессивных примесей в окружающем воздухе должно быть в пределах санитарных норм; | |
Максимальная контролируемая температура в месте установки реле не должна превышать более чем на 15 °С значение уставки. | |
Синусоидальные вибрационные воздействия в месте установки реле должны быть не более 55 Гц с амлитудой смещения не более 0,35 мм; | |
Средняя наработка до отказа | не менее 292000 ч |
Средний полный срок службы | не менее 12 лет |
Масса реле, не более, кг | РТ-303 - 0,16 |
РТ-303-1 - 0,19 | |
РТ-303-2 - 0,25 | |
РТ-303-3 - 0,3 |