Вы здесь
Барьер искрозащиты измерительный ЕТА-321А
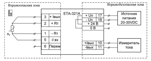
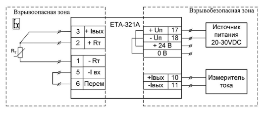
Барьер искрозащиты ЕТА-321А предназначен для преобразования сигналов термопар и термопреобразователей сопротивления, расположенных во взрывоопасной зоне, в активный токовый сигнал во взрывобезопасной зоне. Устройство обеспечивает безопасное и точное измерение температуры в условиях повышенной взрывоопасности.
Вход барьера имеет взрывозащиту [Ex ia Ga] IIC и поддерживает измерение сигналов термопреобразователей сопротивления ТСМ, ТСП, ТСН (50М, 100М, 50П, 100П, Pt50, Pt100, 100H) и термопар типов K, L, S, Е, N, B, J, A-1, R. ЕТА-321А позволяет подключать термопреобразователи по 3-х или 4-х проводной схеме.
Для термопар предусмотрена возможность включения или отключения компенсации холодного спая. Погрешность преобразования температуры в выходной сигнал составляет менее 0,1 %. Диапазон выходного сигнала — 0/4…20 мА (стандарт токовой петли).
Преимущества
- Один вход для подключения одного термопреобразователя сопротивления или одной термопары;
- Широкая совместимость с различными типами датчиков;
- Настройка режимов работы с помощью перемычек;
- Подключение термопреобразователей по 3-х или 4-х проводной схеме;
- Встроенная, отключаемая компенсация холодного спая для термопар;
- Линейная зависимость выходного сигнала от измеряемой температуры;
- Контроль выхода за пределы диапазона измерения;
- Контроль состояния входной цепи;
- Возможность горячего подключения;
- Защита от обратной полярности питания;
- Расширенный диапазон рабочих температур;
- Компактный узкий корпус для удобного монтажа.
Технические характеристики ЕТА-321А
Модификация | ЕТА-321А |
Код заказа | IO300Е01 |
Параметры | Характеристики |
Количество каналов | 1 |
Взрывобезопасная цепь | Вход |
Параметры питания | |
Номинальное напряжение питания, В | 24 |
Допустимый диапазон напряжения питания, В | 20…30 |
Максимальная потребляемая мощность, Вт | 2,0 |
Параметры входной цепи | |
Тип сигнала | Сигналы термопар, термопреобразователей сопротивления |
Подключение термопреобразователей сопротивления | 3-х, 4-хпроводная схемы подключения |
Диапазон входного сигнала тока | см. таблицу "Типы и диапазоны преобразования" ниже |
Компенсация температуры свободных концов термопары | Да |
Коэффициент подавления помехи 50 Гц, Дб | ≥ 100 |
Параметры выходной цепи | |
Диапазон выходного сигнала, мА | 0/4…20 |
Допустимый диапазон сопротивления нагрузки, Ом | 0 …500 |
Выходное напряжение (при токе 20 мА), В | ≥ 13 |
Параметры преобразования | |
Предел основной допускаемой погрешности преобразования при 20 °С, % | ±0,10 |
Предел основной допускаемой погрешности преобразования в диапазоне - 40 °С...+ 60 °С, % | ±0,15 |
Пределы допускаемой абсолютной погрешности компенсации температуры свободных концов термопары, % | ±5 |
Длительность фронта нарастания (от 0,1 до 0,9 от максимального перепада), мс | ≤ 200 |
Параметры взрывобезопасности [Ex ia Ga] IIC | |
Максимальное напряжение Um, В | 250 |
Максимальное выходное напряжение Uо, В | 7,2 |
Максимальный выходной ток Io, мА | 16 |
Максимальная внешняя емкость Co, мкФ | 13,5 |
Максимальная внешняя индуктивность Lo, мГн | 1000 |
Гальваническая изоляция | |
|
≥1500 |
|
≥1500 |
|
≥ 750 |
Параметры надежности | |
Средняя наработка на отказ, ч, не менее | 80000 |
Средний срок службы, лет, не менее | 15 |
Условия эксплуатации | |
Диапазон рабочих температур, °С | -20 ... +60 |
Относительная влажность при температуре 40 °С, %, не более | 95 |
Атмосферное давление, кПа | 84 ...106,7 |
Конструктивные параметры | |
Степень защиты | IP20 |
Размеры ШхВхГ, мм | 12,6х103,3х114 |
Масса, г | ≤ 150 |