Вы здесь
Барьеры искрозащиты пассивные ЕТР-131 и ЕТР-132
Барьеры искрозащиты ETP предназначены для обеспечения искробезопасности в составе систем контроля и управления технологическими процессами, на которых возможно образование взрывоопасной среды. Они применяются на предприятиях нефтяной, угольной, газовой, нефтехимической, нефтеперерабатывающей, химической и других отраслей промышленности, обеспечивая безопасную работу оборудования и защиту персонала.
Барьеры ETP формируют искробезопасную электрическую цепь уровня “ia” и имеют маркировку взрывозащиты [Ex ia Мa] I Х и [Ex ia Ga] IIC Х в соответствии с ГОСТ 31610.0 и ГОСТ 31610.11. Устройства устанавливаются вне взрывоопасной зоны для работы в составе электрооборудования контроля и управления процессами, связанными с получением, переработкой, использованием и хранением взрывоопасных и пожароопасных веществ.
По эксплуатационной законченности барьеры искрозащиты относятся к изделиям второго порядка по ГОСТ Р 52931. По способу защиты человека от поражения электрическим током они соответствуют III классу по ГОСТ 12.2.007.0. Барьеры обеспечивают искробезопасность при подключении неискробезопасного оборудования с напряжением питания до 250 В.
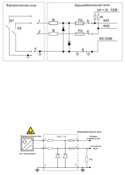
Особенности EТР-131 и EТР-132
- Две пассивные защитные линии: однополярные для ETP-431 и двуполярные для ETP-231;
- Защита датчиков с выходом по току или напряжению для ETP-431;
- Защита линий интерфейса RS-485 для ETP-231;
- Расширенный диапазон рабочих температур;
- Компактный узкий корпус для удобного монтажа в ограниченном пространстве.
Технические характеристики ЕТР-131 и ЕТР-132
Модификация | ETP-131 | ЕТР-132 |
Код заказа | IO100P01 | IO100P02 |
Количество каналов | 1 | 2 |
Взрывобезопасная цепь | Выход | Выход |
Количество защищаемых линий | 2 | 3 |
Тип сигнала | Дискретный/аналоговый | Дискретный/аналоговый |
Параметры защищаемых линий | ||
Номинальное напряжение ограничения, В | 11,0…12,6 | 11,0…12,6 |
Проходное сопротивление, Ом | 136...150 | 136...150 |
Ток утечки, мА | ||
|
≤ 3 | ≤ 3 |
|
≤ 0,03 | ≤ 0,03 |
Параметры взрывобезопасности [Ex ia Ga] IIC | ||
Максимальное напряжение Um, В | 250 | 250 |
Максимальное выходное напряжение Uo, В | 12,6 | 12,6 |
Максимальный выходной ток Io, мА | 93 | 93 |
Максимальная внешняя емкость Co, мкФ | 1,15 | 1,15 |
Максимальная внешняя индуктивность Lo, мГн | 8 | 8 |
Параметры надежности | ||
Средняя наработка на отказ, ч, не менее | 80.000 | 80.000 |
Средний срок службы, лет, не менее | 15 | 15 |
Условия эксплуатации | ||
Диапазон рабочих температур, °С | -20 ... +60 | -20 ... +60 |
Относительная влажность при температуре 40 °С, %, не более | 95 | 95 |
Атмосферное давление, кПа | 84 ... 106,7 | 84 ... 106,7 |
Конструктивные параметры | ||
Степень защиты | IP20 | IP20 |
Размеры ШхВхГ, мм | 7×95×102 | 7×95×102 |
Масса, г | ≤ 60 | ≤ 60 |