Вы здесь

Преобразователь измерительный разделительный ЕТ 321 и ЕТ 322 

Преобразователи ЕТ-321 и ЕТ-322 предназначены для преобразования сигналов термопреобразователей сопротивления из взрывоопасной зоны в активный токовый сигнал или активный сигнал напряжения во взрывобезопасной зоне.

Они обеспечивают безопасное и точное измерение температуры в условиях повышенной взрывоопасности.

Вход преобразователя имеет взрывозащиту [Ex ia Ga] IIC и поддерживает измерение сигналов термопреобразователей сопротивления ТСМ, ТСП, ТСН (50М, 100М, 50П, 100П, Pt50, Pt100).

Устройства позволяют подключать термопреобразователи по 3-х или 4-х проводной схеме, обеспечивая гибкость монтажа и корректное измерение температуры.

Преимущества

  • Безопасное преобразование сигналов из взрывоопасной зоны;
  • Поддержка стандартных термопреобразователей сопротивления ТСМ, ТСП, ТСН, Pt50 и Pt100;
  • Возможность подключения по 3-х и 4-х проводной схеме;
  • Высокая точность измерения с погрешностью менее 0,1 %;
  • Формирование выходного сигнала в диапазонах 0/4…20 мА и 0/2…10 В;
  • Надежная работа в промышленных условиях и во взрывоопасных зонах.

Технические характеристики ЕТ 321 и ЕТ 322

Модификация ЕТ 321 ЕТ 322
Код заказа IO68Е321Е01 IO68E322Е01
Параметры Характеристики  
Количество каналов 1 2
Взрывобезопасная цепь Вход Вход
Параметры питания
Номинальное напряжение питания, В 24 24
Допустимый диапазон напряжения питания, В 20…30 20…30
Максимальная потребляемая мощность, Вт 3,0 3,0
Параметры входной цепи
Тип сигнала Сигналы термопреобразователей сопротивления Сигналы термопреобразователей сопротивления
Подключение термопреобразователей сопротивления 3-х, 4-хпроводная схемы подключения 3-х, 4-хпроводная схемы подключения
Диапазон входного сигнала тока см. таблицу "Типы и диапазоны преобразования" ниже см. таблицу "Типы и диапазоны преобразования" ниже
Коэффициент подавления помехи 50 Гц, Дб ≥ 100 ≥ 100
Параметры выходной цепи
Диапазон выходного сигнала I, мА 0/4…20 0/4…20
Диапазон выходного сигнала U, В 0/2…10 0/2…10
Допустимый диапазон сопротивления нагрузки, кОм
  • тока I
0 …0,6 0 …0,6
  • напряжения U
≥ 2 ≥ 2
Параметры преобразования
Предел основной допускаемой погрешности преобразования при 20 °С, %
  • медленный режим преобразования
±0,10 ±0,10
  • быстрый режим преобразования
±0,30
Предел основной допускаемой погрешности преобразования в диапазоне - 40 °С...+ 60 °С, %
  • медленный режим преобразования
±0,15 ±0,15
  • быстрый режим преобразования
±0,30
Длительность фронта нарастания (от 0,1 до 0,9 от максимального перепада), с
  • медленный режим преобразования
≤ 1 ≤ 1
  • быстрый режим преобразования
≤ 0,1
Пределы допускаемой абсолютной погрешности компенсации температуры свободных концов термопары, % ±5 ±5
Параметры взрывобезопасности [Ex ia Ga] IIC
Максимальное напряжение Um, В 250 250
Максимальное выходное напряжение Uо, В 6,6 10,5
Максимальный выходной ток Io, мА 18 30
Максимальная внешняя емкость Co, мкФ 3 0,5
Максимальная внешняя индуктивность Lo, мГн 50 30
Гальваническая изоляция
  • входная цепь/выходная цепь, В
≥1500 ≥1500
  • входная цепь/питание, В
≥1500 ≥1500
  • выходная цепь/питание, В
≥ 750 ≥ 750
  • входная цепь 1/входная цепь 2, В
≥ 500
Параметры надежности
Средняя наработка на отказ, ч, не менее 80000 80000
Средний срок службы, лет, не менее 15 15
Условия эксплуатации
Диапазон рабочих температур, °С -20 ... +60 -20 ... +60
Относительная влажность при температуре 40 °С, %, не более 95 95
Атмосферное давление, кПа 84 ...106,7 84 ... 106,7
Конструктивные параметры
Степень защиты IP20 IP20
Размеры ШхВхГ, мм 22,5×109,0×115 22,5×109,0×115
Масса, г ≤ 300 ≤ 300

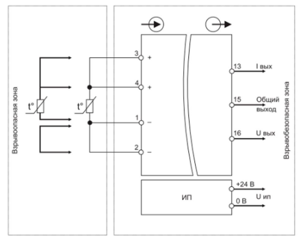
Схема подключения ЕТ 321 и ЕТ 322

Назад к списку