Вы здесь
Преобразователь измерительный разделительный ЕТ 382
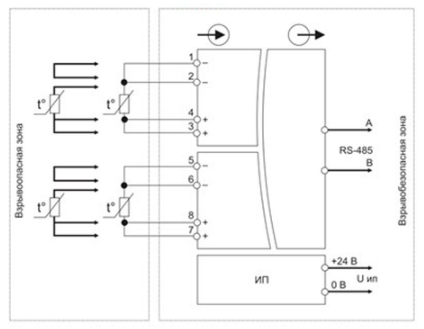
Преобразователь ЕТ-382 предназначен для преобразования сигналов термопреобразователей сопротивления и термопар из взрывоопасной зоны в значения температуры с последующей передачей данных по интерфейсу RS485 во взрывобезопасную зону.
Это устройство обеспечивает безопасное и точное измерение температуры в условиях повышенной опасности.
Вход преобразователя имеет взрывозащиту [Ex ia Ga] IIC и поддерживает измерение сигналов термопреобразователей сопротивления ТСМ, ТСП, ТСН (50М, 100М, 50П, 100П, Pt50, Pt100), а также термопар типов K, L и S. ЕТ-382 позволяет подключать термопреобразователи сопротивления по 3-х или 4-х проводной схеме. Для термопар предусмотрена возможность включения или отключения компенсации термоспая.
Преимущества
- Два входных канала для подключения нескольких датчиков;
- Широкая совместимость с различными типами термопреобразователей и термопар;
- Выходной интерфейс RS-485 с поддержкой протокола Modbus RTU;
- Диагностика состояния входной цепи: обрыв и короткое замыкание;
- Защита от обратной полярности напряжения питания;
- Программная установка режимов работы для гибкой настройки системы;
- Высокая точность измерений с погрешностью менее 0,1 %;
- Скорость обмена данными по RS485 до 115,2 Кбит/с.
Технические характеристики ЕТ 382
Модификация | ЕТ 382 |
Код заказа | IO68Е382Е01 |
Параметры | Характеристики |
Количество каналов | 2 |
Взрывобезопасная цепь | Вход |
Параметры питания | |
Номинальное напряжение питания, В | 24 |
Допустимый диапазон напряжения питания, В | 20…30 |
Максимальная потребляемая мощность, Вт | 3,0 |
Параметры входной цепи | |
Тип сигнала | Сигналы термопар, термопреобразователей сопротивления |
Подключение термопреобразователей сопротивления | 3-х, 4-хпроводная схемы подключения |
Диапазон входного сигнала тока | см. таблицу "Типы и диапазоны преобразования" ниже |
Компенсация температуры свободных концов термопары | Да |
Коэффициент подавления помехи 50 Гц, Дб | ≥ 100 |
Параметры выходной цепи | |
Тип сигнала | RS485 |
Максимальная скорость обмена, Кбит/с | 115,2 |
Параметры преобразования | |
Предел основной допускаемой погрешности преобразования при 20 °С, % | ±0,10 |
Предел основной допускаемой погрешности преобразования в диапазоне - 40 °С...+ 60 °С, % | ±0,15 |
Пределы допускаемой абсолютной погрешности компенсации температуры свободных концов термопары, % | ±5 |
Параметры взрывобезопасности [Ex ia Ga] IIC | |
Максимальное напряжение Um, В | 250 |
Максимальное выходное напряжение U, В | 7,2 |
Максимальный выходной ток Io, мА | 15 |
Максимальная внешняя емкость Co, мкФ | 2,5 |
Максимальная внешняя индуктивность Lo, мГн | 50 |
Гальваническая изоляция | |
|
≥1500 |
|
≥1500 |
|
≥ 750 |
Параметры надежности | |
Средняя наработка на отказ, ч, не менее | 80000 |
Средний срок службы, лет, не менее | 15 |
Условия эксплуатации | |
Диапазон рабочих температур, °С | -20 ... +60 |
Относительная влажность при температуре 40 °С, %, не более | 95 |
Атмосферное давление, кПа | 84 ...106,7 |
Конструктивные параметры | |
Степень защиты | IP20 |
Размеры ШхВхГ, мм | 22,5×104,0×115 |
Масса, г | ≤ 300 |