Вы здесь
Пневматический насос PA3210-F03 G3/8
Пневматический насос (помпа) PA3210-F03 G3/8 с автоматическим управлением.
Особенности PA3210-F03 G3/8
- Материал корпуса — нержавеющая сталь;
- Материал диафрагмы — PTFE (Фторполимер);
- Производительность от 1 до 20 ℓ/мин;
- Компактность, большая емкость;
- Простота эксплуатации благодаря структуре конструкции, допускающей индивидуальную замену диафрагмы и обратного клапана;
- В 2…5 раз больший ресурс по сравнению с обычными помпами.
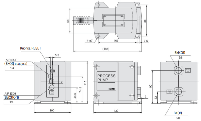
Габаритные размеры PA3210-F03 G3/8
Технические характеристики PA3210-F03 G3/8
Модель | PA3210 | |
Присоединение | Жидкость | 3/8 |
Управ. воздух | 1/4 | |
Материалы | Детали соприкасающиеся с жидкостью | SCS14 |
PTFE, NBR | ||
PTFE, PFA | ||
Производительность (л/мин) | 1 ~ 20 | |
Среднее давление нагнетания (МПа) | 0 ~ 0.6 | |
Расход воздуха (норм.л/мин) | < 200 | |
Высота подъема всасывающей жидкости (м) | Сухая полость | 1 |
Залитая полость | до 6 | |
Температура перекачиваемой среды ºС | 0 ~ 60 (замерзание не допускается) | |
Окружающая температура ºС | 0 ~ 60 | |
Давление управляющего воздуха (МПа) | 0.2 ~ 0.7 | |
Испытательное давление (МПа) | 1.05 | |
Рабочее положение изделия | Горизонтальное (посадочной поверхностью вниз) | |
Вес ,кг | 2.2 |