Вы здесь
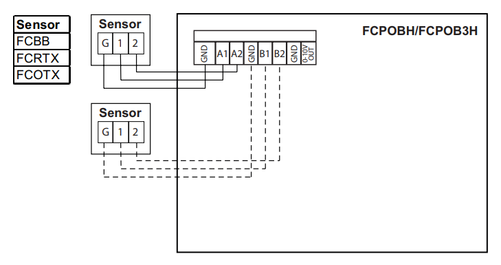
Внешний датчик температуры FCRTX
Для регистрации комнатной температуры в месте, отличном от места установки панели управления.
10-метровый кабель в комплекте.
Склад в Минске: пр. Независимости, 199 (Уручье)
Пн - пт: 08:00 - 18:00
Для регистрации комнатной температуры в месте, отличном от места установки панели управления.
10-метровый кабель в комплекте.
MaxAero © 2024 — промышленное отопление и вентиляция. Промышленные отопительные системы.