Вы здесь

Пульт управления TL3T 

Проводной пульт управления TL3T с терморегулятором для тепловых завес с электрическим нагревом серий Т200Е, Т300Е, Х400Е10, Х400Е20.

С датой выпуска до 01.07.2020.

Имеет 2 режима нагрева и 3 скорости.

При достижении установленной на терморегуляторе температуры отключает нагрев, вентилятор продолжает работать.

Комплектация пульта TL3T

  • Проводной электронный пульт управления TL3T;
  • Терморегулятор.

При достижении установленной на терморегуляторе температуры отключает нагрев, вентилятор продолжает работать.

Технические характеристики пульта TL3T

Модель Пульт управления TL3T
Количество скоростей 3
Количество режимов нагрева 2
Совместимость с сериями М / Т100Е

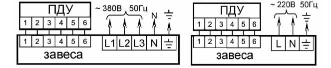
Схема подключения пульта TL3T

Пульт управления TL3T (2)

Назад к списку