Вы здесь
Реле утечки рудничное РУ-127/220
Реле утечки РУ-127/220 используется для защиты персонала от поражения электрическим током и предотвращения опасных последствий, возникающих при утечке тока на землю.
Оно применяется в сетях трехфазного переменного тока с частотой 50 Гц и напряжением 127 В либо 220 В при изолированной нейтрали трансформатора.
Область применения
Реле утечки используется в подземных выработках и на поверхности угольных шахт, где присутствует риск взрыва метана и угольной пыли. Оно также применяется на горнорудных предприятиях, что соответствует требованиям нормативных правил безопасности, регламентирующих эксплуатацию оборудования в подобных условиях.
Конструктивные особенности
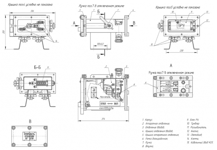
Реле РУ-127/220 выполнено двухканальным, рассчитанным на напряжение 127 В и 220 В. Устройство размещено в прочном взрывонепроницаемом стальном корпусе прямоугольной формы. Конструкция состоит из двух отделений — аппаратного и вводного, соединенных втулкой с залитыми проводами.
В аппаратном отсеке находятся блок реле утечки, переключатель напряжения, разъединитель, кнопка управления, индикатор, а также внутренний заземляющий зажим. В отсеке вводов расположены кабельные вводы, клеммы для подключения проводов и заземляющий зажим. Крышки обоих отсеков надежно закрываются, при этом крышка аппаратного отделения оснащена блокировкой, исключающей открытие при включенном разъединителе. Для уплотнения кабелей используется резиновое кольцо, а на корпусе предусмотрен наружный зажим для заземления.
Принцип действия
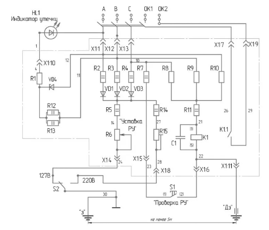
Работа реле основана на использовании тока оперативного напряжения, проходящего через обмотку исполнительного реле. Этот ток шунтируется сопротивлением изоляции осветительной сети, что обеспечивает надежное срабатывание устройства при снижении уровня изоляции.
Условное обозначение
Реле утечки РУ-127/220.УХЛ5 ТУ 3148-015-62509866-2011.
Числовые значения в обозначении указывают на номинальное напряжение питания: 127 В или 220 В.
Комплект поставки
- Реле утечки РУ-127/220
- Паспорт
- Руководство по эксплуатации
Технические характеристики РУ-127/220
Основные параметры | Значение | |
Технические условия | ТУ 3148-015-62509866-2011 | |
Маркировка взрывозащиты | РВ Ехd I | |
Номинальное напряжение питания, В | 127/220 | |
Номинальная потребляемая мощность, Вт, не более | 10 | |
Сопротивление срабатывания при трехфазной утечке, кОм/фазу, не более: | 127 В | 3,3 |
220 В | 10 | |
Сопротивление срабатывания при однофазной утечке и емкости сети от 0 до 0,10 мкФ/фазу, кОм, не более: | 127 В | 5,0 |
220 В | 8,0 | |
Время срабатывания при сопротивлении однофазной утечки 1 кОм и ёмкости сети от 0 до 0,1 мкФ/фазу, с, не более: | 127 В | 0,2 |
220 В | 0,2 | |
Климатическое исполнение и категория размещения | УХЛ 5 | |
Температура окружающей среды, °С | - 10… 40 | |
Габаритные размеры, мм, не более | 375х340х260 | |
Масса, кг, не более | 17 | |
Срок службы, лет, не менее | 5 | |
Наработка на отказ, часы, не менее | 10 000 | |
Ресурс, часы, не менее | 50 000 |