Вы здесь
Блок силовой ЩУ-БС25 и ЩУ-БС40
Силовые блоки ЩУ-БС25 и ЩУ-БС40 предназначены для управления вентилятором и электрическим калорифером в приточных системах вентиляции.
Эти блоки могут функционировать как автономные системы управления либо работать совместно с терморегуляторами серии МРТ380.14, которые обеспечивают плавное поддержание температуры.
Максимальная мощность электрического калорифера — до 26 кВт.
Обеспечивается раздельное включение вентилятора и нагревателя, при этом нагреватель автоматически отключается при выключении вентилятора.
Питание нагревателя прекращается при срабатывании биметаллических термовыключателей, встроенных в калорифер.
Имеется возможность управления через выносной пульт ПУ3 с отображением текущих режимов работы.
- Напряжение питания: примерно 380 В ± 15%, 50 Гц
- Температурный диапазон эксплуатации: от 0 до 40 °С
Основные функции:
- Ручной запуск и останов вентилятора на 380 В
- Ручной запуск и останов электрического нагревателя на 380 В
- Защита нагревателя от перегрева за счёт контроля биметаллических термовыключателей, установленных в нагревателе
- Блокировка включения нагревателя при отключённом вентиляторе
- Индикация состояния системы
- Возможность подключения выносного пульта управления ПУ3 для дистанционного контроля
Технические характеристики ЩУ-БС25 и ЩУ-БС40
| Наименование силового блока | Максимальная мощность двигателя, кВт | Максимальная мощность нагревателя, кВт | Максимальный линейный ток, A | Габаритные размеры, мм | Степень защиты | Вес, кг | Материал корпуса |
| ЩУ-БС25 | 4,0 | 16,0 | 38 | 408х245х153 | IP65 | 4,0 | пластик |
| ЩУ-БС40 | 7,5 | 26,0 | 58 | 408х245х153 | IP65 | 4,0 | пластик |
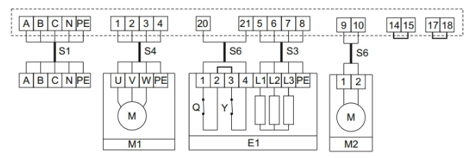
Функциональная схема

- M1 — приточный вентилятор мощностью до 7,5 кВт , питание 380 В;
- М2 — электропривод воздушной заслонки с пружинным возвратом, питание 220 В;
- E1 — электрический канальный нагреватель мощностью до 26 кВт;
- Q — термостат защиты от перегрева, температура срабатывания 70-80;
- Y — термостат защиты от воспламенения, температура срабатывания 120-130;
- А В С — сеть, N— рабочая нейтраль, PE — защитная земля.
Схема подключения блока силового

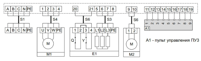
- Между контактами 14-15 и 17-18 блока силового установить перемычки.
- Между контактами 2-3 электрического калорифера установить перемычку.
Схема подключения с пультом управления ПУ3

При нажатии кнопки ПУСК ВЕНТИЛЯТОРА подается питание на вентилятор и электропривод воздушной заслонки. После включения вентилятора возможно нажатие на кнопку ПУСК НАГРЕВАТЕЛЯ. Включить нагреватель без включения вентилятора невозможно. При выключении вентилятора нагреватель автоматически выключается. Для правильной работы воздушной заслонки необходимо использовать электропривод с возвратной пружиной и питанием 220 В.
Пульт управления ПУ3 позволяет включать/выключать нагреватель и вентилятор дистанционно. Перед подключением пуль та управления необходимо удалить перемычки между контактами 14-15 и 17-18. При размыкании биметаллических термоконтактов канального нагревателя магнитный пускатель, подающий питание на нагреватель, отключается. Для правильной работы блока силового необходимо установить перемычку между контактами 2-3 электрического калорифера.
Автоматические выключатели защищают вентилятор и калорифер от перегрузки по току и короткому замыканию.
БС25 и БС40 применяются совместно с терморегуляторами МРТ380 для поддержания температуры воздуха в приточных вентиляционных установках с электрическим калорифером мощностью до 26 кВт.
Подводимые провода
| Блок силовой | Обозначение кабеля | Тип кабеля |
|
ЩУ-БС25 ЩУ-БС40 |
S1 S1 |
ВВГ5х10 ВВГ5х16 |
|
ЩУ-БС25 ЩУ-БС40 |
S3 S3 |
ВВГ4х6 ВВГ4х10 |
| для всех ЩУ-БС |
S4 S6 |
ВВГ 4х1,5 МКЭШ 2х0,75 |



