Вы здесь
Щит управления отопительными агрегатами ЩАУ-АО
Щит автоматического управления ЩАУ-АО используется для запуска, остановки и защиты отопительных агрегатов типа АО. Один щит позволяет подключить до шести агрегатов одновременно, обеспечивая централизованное и надёжное управление.
Разновидности и особенности
Щиты ЩАУ-АО выпускаются в четырёх вариантах, различающихся способом управления отопительными агрегатами. Каждая модификация адаптирована под конкретные условия эксплуатации и требования к автоматизации.
Все модификации предназначены для работы с агрегатами, использующими в качестве теплоносителя воду. Исключение составляет модификация ЩАУ-АО с типом управления №1, которая также подходит для систем, работающих на паре.
Возможность удалённого управления
Во всех вариантах исполнения предусмотрена возможность дистанционного управления с использованием поста ПДУ. Это позволяет управлять агрегатами из удалённого места, повышая удобство эксплуатации и безопасность системы.
Технические характеристики ЩАУ-АО
| Название ЩАУ | Габариты щита управления, мм | Масса щита управления, кг | Монтаж |
| ЩАУ-АО-1.1...ЩАУ-АО-3.1 | 433х463х189 | 22 | Навесной |
| ЩАУ-АО-1.2...ЩАУ-АО-3.2 | |||
| ЩАУ-АО-4.1...ЩАУ-АО-6.1 | 600х600х200 | 33 | |
| ЩАУ-АО-4.2...ЩАУ-АО-6.2 | |||
| ЩАУ-АО-1.3...ЩАУ-АО-6.3 | 600х600х200 | 35 |
Условное обозначение

Методы управления
Метод управления №1
При нажатии кнопки "Пуск" происходит запуск вентиляторов. Агрегат(ы) работают постоянно, без регулирования. Также данный метод управления подходит для отопительных агрегатов типа АО с теплоносителем пар. Узел регулирования для метода управления №1 не предусмотрен.
Функции метода №1
- управление вентиляторами отопительных агрегатов;
- защита цепей питания электродвигателя вентилятора от короткого замыкания и перегрузки;
- защита цепей управления от короткого замыкания;
- отключение по сигналу охрано-пожарной сигнализации ОПС;
- индикация аварийных ситуаций.
Опции
- диспетчеризация;
Схема подключения ЩАУ-АО-1.1

Метод управления №2а
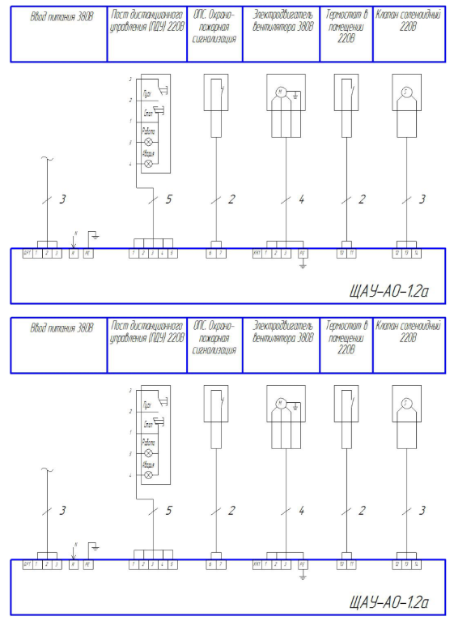
Агрегат(ы) поддерживают заданную температуру. В помещении устанавливается комнатный термостат. При нажатии кнопки "Пуск", в случае если температура в помещении, ниже температуры установленной на комнатном термостате происходит запуск вентилятора и открывается клапан подачи теплоносителя в теплообменник. При повышении температуры воздуха в помещении до температуры, установленной на комнатном термостате, выключается вентилятор, клапан подачи теплоносителя в теплообменник закрывается. В виду того, что значение поддерживаемой температуры задается при помощи комнатного термостата установленного в помещении - не ограничивается доступ не квалифицированного персонала к изменению заданной температуры. Погрешность поддержания заданной температуры(гистерезис комнатного термостата) нельзя изменить. Комнатный термостат входит в комплект поставки. Узел регулирования в комплект поставки не входит.
Функции метода №2а
- управление вентиляторами отопительных агрегатов;
- управление клапаном подачи теплоносителя в теплообменник;
- поддержание температуры в помещении;
- защита цепей питания электродвигателя вентилятора от короткого замыкания и перегрузки;
- защита цепей управления от короткого замыкания;
- отключения по сигналу охрано-пожарной сигнализации ОПС;
- индикация аварийных ситуаций.
Опции
- диспетчеризация;
- управление насосом узла регулирования.
Схема подключения ЩАУ-АО-1.2а

Метод управления №2б
Агрегат(ы) поддерживают заданную температуру. В помещении устанавливается датчик температуры (термосопротивление). Необходимая температура задается на терморегуляторе, установленном в ЩАУ. При нажатии кнопки "Пуск", в случае если температура в помещении ниже температуры установленной на терморегуляторе происходит запуск вентилятора и открывается клапан подачи теплоносителя в теплообменник. При повышении температуры воздуха в помещении до температуры, установленной на терморегуляторе, выключается вентилятор, клапан подачи теплоносителя в теплообменник закрывается. От метода 2а отличается более точным поддержанием температуры и возможностью регулирования погрешности поддержания заданной температуры (гистерезис датчика температуры). В виду того, что значение поддерживаемой температуры задается при помощи регулятора установленного внутри щита управления - ограничивается доступ не квалифицированного персонала к изменению заданной температуры. Датчик температуры входит в комплект поставки. Узел регулирования в комплект поставки не входит.
Функции метода №2б
- управление вентиляторами отопительных агрегатов;
- управление клапаном подачи теплоносителя в теплообменник;
- поддержание температуры в помещении;
- защита цепей питания электродвигателя вентилятора от короткого замыкания и перегрузки;
- защита цепей управления от короткого замыкания;
- отключения по сигналу охрано-пожарной сигнализации ОПС;
- индикация аварийных ситуаций.
Опции
- диспетчеризация;
- управление насосом узла регулирования.
Схема подключения ЩАУ-АО-1.2б

Метод управления №3
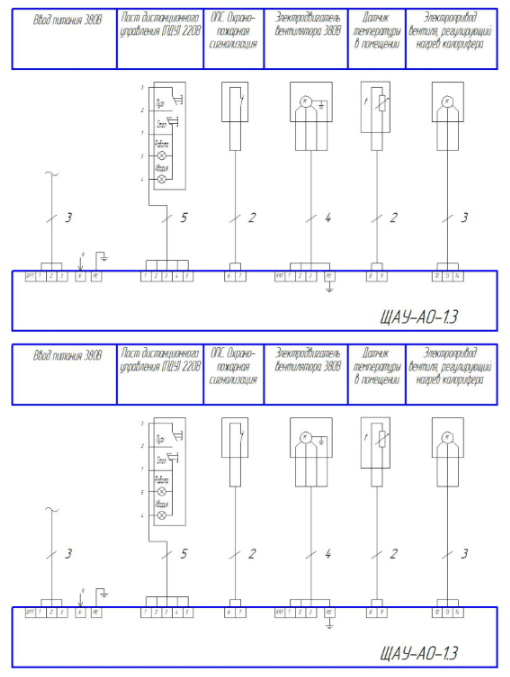
Агрегат(ы) поддерживают заданную температуру. В помещении устанавливается датчик температуры (термосопротивление). Необходимая температура задается на терморегуляторе, установленном в ЩАУ. При нажатии кнопки "Пуск" включаются агрегаты и работают постоянно. Температура в помещении поддерживается регулированием количества теплоносителя протекающего через теплообменник. Регулирование осуществляется вентилем с установленным электроприводом с пропорциональным управлением (0...10В). Датчик температуры входит в комплект поставки. Узел регулирования в комплект поставки не входит.
Функции метода №3
- управление вентиляторами отопительных агрегатов;
- управление электроприводом регулирующего вентиля (ПИД-регулирование) узла регулирования;
- поддержание температуры в помещении;
- защита цепей питания электродвигателя вентилятора от короткого замыкания и перегрузки;
- защита цепей управления от короткого замыкания;
- отключения по сигналу охрано-пожарной сигнализации ОПС;
- индикация аварийных ситуаций.
Опции
- диспетчеризация;
- управление насосом узла регулирования.
Схема подключения ЩАУ-АО-1.3




