Вы здесь
Щит управления ЩУ2
Щит управления ЩУ2 предназначен для контроля работы вентилятора и электрического калорифера в приточных вентиляционных системах.
Обеспечивается плавное регулирование скорости вращения приточного вентилятора на напряжении 220 В или 380 В.
Максимальная мощность электрического калорифера на 380 В — до 24 кВт, также допускается подключение нагревателя на 220 В.
Вентилятор и нагреватель включаются отдельно, при этом нагреватель автоматически отключается при выключении вентилятора.
Питание нагревателя прерывается при срабатывании встроенных в калорифер биметаллических термовыключателей.
Возможно использование в связке с щитами ЩУВ1, ЩУВ2 и ЩУВ3, что добавляет функцию управления вытяжным вентилятором, который при этом запускается одновременно с приточным.
- Напряжение питания: около 380 В ± 15%, 50 Гц
- Рабочая температура: от 0 до 40 °C
Основные функции:
- Ручной запуск и останов вентилятора при 220/380 В
- Плавное регулирование скорости приточного вентилятора
- Ручной запуск и останов электрического нагревателя на 380 В
- Возможность подключения нагревателя на 220 или 380 В
- Защита нагревателя от перегрева с помощью контроля состояния биметаллических термовыключателей
- Блокировка включения нагревателя при выключенном вентиляторе
- Индикация загрязнения фильтра через дифференциальный датчик давления воздуха PS-500
- Управление электроприводом воздушной заслонки (питание 220 В, с возвратной пружиной)
- Отключение системы при поступлении сигнала от пожарной сигнализации
- Отображение состояния работы систем
- Подключение кнопочного пульта ПУ5 с кнопками Пуск, Стоп и индикатором работы
- Возможность интеграции с щитами ЩУВ1, ЩУВ2 и ЩУВ3 для управления вытяжным вентилятором
Технические характеристики ЩУ2
| Наименование щита управления | Максимальная мощность двигателя 220В, кВт | Максимальная мощность нагревателя, кВт | Максимальный линейный ток, A | Габаритные размеры, мм | Степень защиты | Вес, кг | Материал корпуса |
| ЩУ2-0,55-6,0 | 0,55 | 6,0 | 13 | 500х400х220 | IP54 | 15,0 | металл |
| ЩУ2-0,55-9,0 | 0,55 | 9,0 | 18 | 500х400х220 | IP54 | 15,0 | металл |
| ЩУ2-0,55-12,0 | 0,55 | 12,0 | 22 | 500х400х220 | IP54 | 15,0 | металл |
| ЩУ2-0,5-15,0 | 0,55 | 15,0 | 27 | 500х400х220 | IP54 | 15,0 | металл |
| ЩУ2-1,1-18,0 | 1,1 | 18,0 | 32 | 500х400х220 | IP54 | 15,0 | металл |
| ЩУ2-1,1-24,0 | 1,1 | 24,0 | 42 | 500х400х220 | IP54 | 15,0 | металл |
| ЩУ2-0,75-18,0/Р | 0,75 (380В) | 18,0 | 32 | 800х650х250 | IP54 | 29,0 | металл |
| ЩУ2-1,5-24,0/Р | 1,5 (380В) | 24,0 | 42 | 800х650х250 | IP54 | 29,0 | металл |
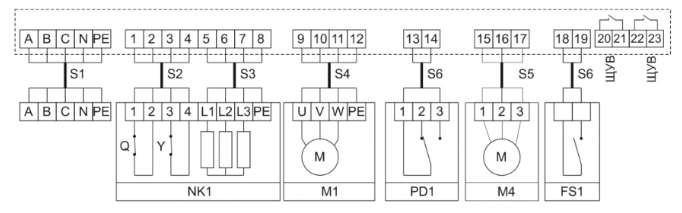
Функциональная схема

Схема подключения ЩУ2-0,55-6, ЩУ2-0,55-9, ЩУ2-0,55-12, ЩУ2-0,55-15, ЩУ2-1,1-18 и ЩУ2-1,1-24

Схема подключения ЩУ2-0,75-18/Р и ЩУ2-1,5-24/Р

- NK1 - канальный нагреватель;
- М1 - приточный трехфазный вентилятор, регулировка скорости частотным регулятором;
- М3 - приточный вентилятор на 220В, регулировка скорости симисторным регулятором;
- М4 - привод вентиляционной заслонки, питание 220 В, трехпроводное управление;
- PD1 -дифференциальный датчик давления PS500(индикация загрязнения фильтра);
- FS1 - контакт пожарной сигнализации НЗ;
- А В С - сеть, N - рабочая нейтраль, PE - защитная земля;
- Q - термостат защиты от перегрева, температура срабатывания 70–80 ° С;
- Y - термостат защиты от воспламенения, температура срабатывания 120–130° С .
Подводимые провода
| Щит управления | Обозначение кабеля | Тип кабеля |
|
ЩУ2-0,55-6 |
S1 S3 |
ВВГ5х1,5 ВВГ4х1,5 |
|
ЩУ2-0,55-9 ЩУ2-0,55-12 |
S1 S3 |
ВВГ5х2,5 ВВГ4х2,5 |
| ЩУ2-0,55-15 |
S1 S3 |
ВВГ5х4 ВВГ4х4 |
|
ЩУ2-1,1-18 ЩУ2-0,75-18/Р |
S1 S3 |
ВВГ5х6 ВВГ4х6 |
|
ЩУ2-1,1-24 ЩУ2-1,5-24/Р |
S1 S3 |
ВВГ5х10 ВВГ4х10 |
| Для всех ЩУ2 |
S2 S4 S5 S6 |
МКЭШ 4х0,75 ВВГ4х1,5 МКЭШ 3х0,75 МКЭШ 2х0,75 |



