Вы здесь
Щит управления ЩУ7
Щит управления ЩУ7 предназначен для автоматизации и управления работой вентилятора и электрического калорифера в приточной вентиляционной системе. Возможно подключение частотного преобразователя для регулировки скорости вентилятора.
Температура подаваемого воздуха регулируется с помощью электронного контроллера. Нагреватель разделён на несколько ступеней мощности, что позволяет гибко управлять тепловой нагрузкой. Максимальная суммарная мощность калорифера — до 132 кВт (при напряжении 400 В).
Вентилятор и калорифер включаются независимо. При отключении вентилятора питание на нагреватель автоматически снимается. Также предусмотрена защита от перегрева посредством встроенных биметаллических термовыключателей.
Щит может работать совместно с моделями ЩУВ1, ЩУВ2 и ЩУВ3, обеспечивая при этом управление вытяжным вентилятором, который запускается одновременно с приточным.
- Питающее напряжение: 400 В ±10 %, 50 Г
- Температурный диапазон эксплуатации: от 0 до +30 °С
Основные функции:
- Ручной запуск и останов вентилятора (напряжение 380 В)
- Ручной запуск и останов калорифера (напряжение 380 В)
- Деление нагревателя на несколько ступеней мощности
- Автоматическое поддержание температуры приточного воздуха
- Тепловая защита калорифера на основе биметаллических термовыключателей
- Продувка ТЭНов после отключения нагревателя для предотвращения перегрева
- Блокировка включения нагревателя при неработающем вентиляторе
- Контроль работы вентилятора по сигналу от дифференциального датчика давления воздуха PS500 или PS1500
- Индикация степени загрязненности воздушного фильтра по сигналу с датчика PS-500
- Управление воздушной заслонкой с электроприводом (220 В, с возвратной пружиной)
- Аварийное отключение системы по сигналу от системы пожарной сигнализации
- Индикация текущего состояния системы
- Возможность подключения кнопочного пульта ПУ5 (кнопки «Пуск», «Стоп», лампа «Работа»)
- Совместимость с щитами ЩУВ1, ЩУВ2, ЩУВ3 для управления вытяжным вентилятором
Технические характеристики ЩУ7
| Наименование щита управления | Максимальная мощность двигателя, кВт | Максимальная мощность нагревателя, кВт | Максимальный линейный ток, A | Ступени нагревателя, кВт | Габаритные размеры, мм | Степень защиты | Вес, кг | Материал корпуса |
| ЩУ7-2,2-30,0 | 2,2 | 30,0 | 60 | 12+12+6 | 800х650х300 | IP54 | 49,0 | металл |
| ЩУ7-4,0-60,0 | 4,0 | 60,0 | 113 | 24+24+12 | 800х650х300 | IP54 | 51,0 | металл |
| ЩУ7-4,0-72,0 | 4,0 | 72,0 | 132 | 24+24+24 | 800х650х300 | IP54 | 53,0 | металл |
| ЩУ7-5,5-60 | 5,5 | 60 | 125 | 15+15+15+15 | 800х650х300 | IP54 | 78 | металл |
| ЩУ7-5,5-84,0 | 5,5 | 84,0 | 155 | 24+24+24+12 | 1200х750х300 | IP54 | 84 | металл |
| ЩУ7-5,5-96,0 | 5,5 | 96,0 | 174 | 24+24+24+24 | 1200х750х300 | IP54 | 85,0 | металл |
| ЩУ7-7,5-108,0 | 7,5 | 108,0 | 199 | 24+24+24+24+12 | 1200х750х300 | IP54 | 87,0 | металл |
| ЩУ7-7,5-120,0 | 7,5 | 120,0 | 218 | 24+24+24+24+24 | 1200х750х300 | IP54 | 90,0 | металл |
| ЩУ7-7,5-132,0 | 7,5 | 132,0 | 238 | 24+24+24+24+24+12 | 1200х750х300 | IP54 | 92,0 | металл |
Функциональная схема

- электропривод приточной воздушной заслонки 220 В;
- датчик загрязнения фильтра;
- электрический калорифер 380 В с регулировкой температуры;
- биметаллические термоконтакты калорифера;
- до 6 ступеней мощности нагревателя, включая ступень плавной регулировки;
- приточный вентилятор 380 В;
- защита от перегрева двигателя с термоконтактами;
- канальный датчик температуры TD-K1000;
- сигнал от пожарной сигнализации;
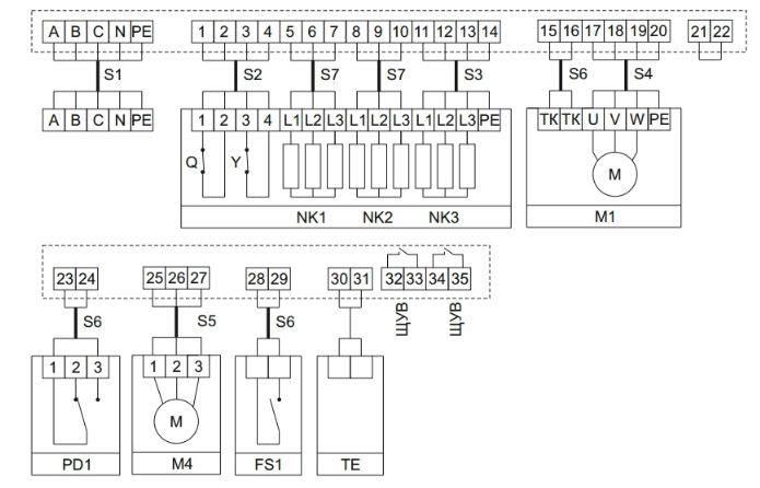
Схема подключения ЩУ7-2,2-30,0; ЩУ7-4,0-60; ЩУ7-4,0-72,0

- NK1 - канальный нагреватель;
- NK2 - вторая ступень канального нагревателя;
- NK3 - третья ступень канального нагревателя;
- М1- приточный трехфазный вентилятор,
- ТК - биметаллические или позисторные термоконтакты;
- М4 - электропривод воздушной заслонки 220 В, трехпроводное управление;
- PD1 - дифференциальный датчик давления, докупается отдельно;
- ТЕ - температурный канальный датчик TD-K1000;
- FS1 - контакт системы пожарной сигнализации НЗ;
- В щите должна быть установлена перемычка между контактами 21 и 22;
- А В С - сеть, N - рабочая нейтраль, PE - защитная земля;
- Q - термостат защиты от перегрева, температура срабатывания 70–80 ° С ;
- Y - термостат защиты от воспламенения, температура срабатывания 120–130 ° С ;
При нажатии кнопки ПУСК ВЕНТИЛЯТОРА происходит запуск вентилятора M1, при этом на передней панели щита управления загорится лампа РАБОТА ВЕНТИЛЯТОРА. После запуска вентилятора возможно включение нагревателя. Переключателем ВКЛ НАГРЕВАТЕЛЯ включается канальный нагреватель NK1 и на дверце щита управления загорится индикаторная лампа РАБОТА НАГРЕВАТЕЛЯ. Симисторный регулятор, путем постоянного включения/выключения нагревателя поддерживает заданную температуру приточного воздуха. Датчик температуры ТЕ устанавливается в канале приточной вентиляции или в помещении. Кнопками СТОП можно выключить вентилятор и нагреватель. Нагреватель блокируется, если не включить вентилятор. При срабатывании термостатов защиты против перегрева канальный нагреватель отключается, вентилятор продолжает работать. При размыкании контакта пожарной сигнализации FS1 вентилятор и нагреватель также отключается. К щиту управления возможно подключение частотного регулятора. Щит управления позволяет подключать вентиляторы и электрические нагреватели на 220 В. Возможно совместное включение с приточным вентилятором вытяжного вентилятора при помощи щита управления ЩУВ1, ЩУВ2 или ЩУВ3. управления ЩУВ1, ЩУВ2 или ЩУВ3.
Подводимые провода
| Щит управления | Обозначение кабеля | Тип кабеля |
|
ЩУ7-4,0-60,0 ЩУ7-4,0-72,0 ЩУ7-5,5-84,0 ЩУ7-5,5-96,0 ЩУ7-7,5-108,0 ЩУ7-7,5-120,0 ЩУ7-7,5-132,0 |
S1 |
ВВГ5х35 ВВГ5х50 ВВГ5х50 ВВГ5х70 ВВГ5х70 ВВГ5х95 ВВГ5х95 |
| Для всех ЩУ7 |
S2 S3 S4 S5 S6 S7 |
МКЭШ 4х0,75 ВВГ4х10 ВВГ4х1,5 МКЭШ 3х0,75 МКЭШ 2х0,75 ВВГ3х10 |



