Вы здесь
Щит управления ЩУВ2
Щит управления ЩУВ2 предназначен для включения и выключения вентилятора, а также для защиты его электродвигателя от перегрева с использованием встроенных термоконтактов — позисторного (термисторного) или биметаллического типа. Поддерживается подключение частотного регулятора для регулирования скорости вращения.
Устройство применяется для управления вентиляторами, оснащёнными термоконтактами. Возможна интеграция с частотным преобразователем для плавного изменения оборотов двигателя.
Предусмотрено дистанционное управление с помощью выносного пульта ПУ2, обеспечивающего индикацию текущего режима и отображение аварийных состояний.
Щиты серии ЩУВ2 могут использоваться в комплексе с управляющими щитами серий ЩУ и ЩУТ при подключении вытяжных вентиляторов к приточной вентиляции.
- Напряжение питания: ~380 В ±15%, 50 Гц;
- Рабочая температура: от 0 до +40 °С.
Основные функции:
- ручное включение и выключение вентиляторов на напряжение 220/380 В;
- защита двигателя от перегрева с использованием встроенных термоконтактов;
- управление воздушной заслонкой с электроприводом (питание 220 В, возвратная пружина);
- аварийное отключение системы по сигналу от пожарной сигнализации;
- индикация рабочего состояния;
- возможность подключения частотного регулятора;
- поддержка дистанционного управления через пульт ПУ2.
Технические характеристики ЩУВ2
| Наименование щита управления | Мощность двигателя, кВт | Устройство защиты | Частотный регулятор | Габаритные размеры, мм | Степень защиты | Вес, кг | Материал корпуса |
| ЩУВ2-0,18 | 0,2 | ТР220 | VCI-G0.75-4B | 290х240х102 | IP41 | 3,0 | пластик |
| ЩУВ2-0,25 | 0,3 | ТР220 | VCI-G0.75-4B | 290х240х102 | IP41 | 3,0 | пластик |
| ЩУВ2-0,37 | 0,4 | ТР220 | VCI-G0.75-4B | 290х240х102 | IP41 | 3,0 | пластик |
| ЩУВ2-0,55 | 0,6 | ТР220 | VCI-G0.75-4B | 290х240х102 | IP41 | 3,0 | пластик |
| ЩУВ2-0,75 | 0,8 | ТР220 | VCI-G0.75-4B | 290х240х102 | IP41 | 3,0 | пластик |
| ЩУВ2-1,1 | 1,1 | ТР220 | VCI-G1.5-4B | 290х240х102 | IP41 | 3,0 | пластик |
| ЩУВ2-1,5 | 1,5 | ТР220 | VCI-G1.5-4B | 290х240х102 | IP41 | 3,0 | пластик |
| ЩУВ2-2,2 | 2,2 | ТР220 | VCI-G2.2-4B | 290х240х102 | IP41 | 3,0 | пластик |
| ЩУВ2-3,0 | 3,0 | ТР220 | VCI-G4.0-4B | 290х240х102 | IP41 | 3,0 | пластик |
| ЩУВ2-4,0 | 4,0 | ТР220 | VCI-G4.0-4B | 290х240х102 | IP41 | 3,0 | пластик |
| ЩУВ2-5,5 | 5,5 | ТР220 | VCI-G5.5-4B | 408х245х153 | IP65 | 4,0 | пластик |
| ЩУВ2-7,5 | 7,5 | ТР220 | VCI-G7.5-4B | 408х245х153 | IP65 | 4,0 | пластик |
| ЩУВ2-11,0 | 11,0 | ТР220 | VCI-G11-4B | 408х245х153 | IP65 | 4,0 | пластик |
| ЩУВ2-15,0 | 15,0 | ТР220 | VCI-G15-4B | 408х245х153 | IP65 | 4,0 | пластик |
| ЩУВ2-18,5 | 18,5 | ТР220 | LCI-G18.5/Р22-4B | 400х500х220 | IP54 | 14,0 | металл |
| ЩУВ2-22,0 | 22,0 | ТР220 | LCI-G22/Р30-4B | 400х500х220 | IP54 | 14,0 | металл |
| ЩУВ2-30,0 | 30,0 | ТР220 | LCI-G30/Р37-4B | 400х500х220 | IP54 | 14,0 | металл |
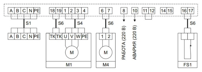
Схема подключения ЩУВ2, пуск/стоп вентилятора кнопками щита управления

- М1 - вентилятор, питание 380 В;
-
ТК - термоконтакты двигателя (биметаллические или позисторные), могут отсутствовать. Если их нет, то реле защиты ТР220 переводится в режим ВМ, а между контактами 18 и 19 устанавливается перемычка.
- М4 - электропривод воздушной заслонки. Питание 220 В, возвратная пружина. Например, LF230 Belimo;
- 16 и 17 - контакт системы пожарной сигнализации (нормально замкнутый);
- А В С - сеть, N - рабочая нейтраль, PE - защитная земля;
- В щите должны быть установлена перемычка между контактами 11 и 12.
- При нажатии в щите кнопки ПУСК на вентилятор М1 подается питание 380 В. На клемму 6 подается сигнал 220 В, который может быть использован для открытия воздушной заслонки М4. Сигнал 220 В также подается на клемму 8, он применяется для подтверждения включения вентилятора.
- При срабатывании реле защиты ТР220 (перегрев обмоток двигателя) или автоматического выключателя NS 2-25 (перегрузка по току) вентилятор отключается и подается сигнал 220 В на клемму 10.
- При размыкании контакта пожарной сигнализации FS1 вентилятор также отключается.
- Тип термоконтактов (биметаллические/позисторные) выставляется переключателем на лицевой панели реле защиты ТР220.
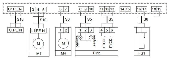
Схема подключения ЩУВ2, пуск/стоп вентилятора с пульта управления ПУ2

- М1 - вентилятор, питание 380 В;
-
ТК - термоконтакты двигателя (биметаллические или позисторные), могут отсутствовать;
- М4 - электропривод воздушной заслонки, питание 220 В, возвратная пружина;
- ПУ2 - пуль т управления. Кнопки ПУСК, СТОП, лампочки АВАРИЯ и РАБОТА;
- FS1 - контакт системы пожарной сигнализации (нормально замкнутый);
- А В С - сеть, N - рабочая нейтраль, PE - защитная земля.
- При нажатии кнопки ПУСК на пуль те управления ПУ2 на вентилятор М1 подается питание 380 В.
- На клемму 6 подается сигнал 220 В, который может быть использован для открытия воздушной заслонки М4.
- На ПУ2 загорается лампочка РАБОТА.
- При срабатывании реле защиты ТР220 (перегрев обмоток двигателя) или автоматического выключателя NS 2-25 (перегрузка по току) вентилятор отключается, на ПУ2 загорается лампочка АВАРИЯ.
- При размыкании контакта пожарной сигнализации FS1 вентилятор также отключается.
- Возможно дистанционное включение вентилятора замыканием контактов 11 и 13. Останов вентилятора при их размыкании. Эта схема подключения может быть использована для управления вентиляторами дымоудаления.
ЩУВ2, пуск/стоп вентилятора на 220 В без термоконтактов с пульта управления ПУ2

- М1 - вентилятор, питание 220 В, щит управления подбирается по рабочему току двигателя вентилятора, реле защиты ТР220 переводится в режим ВМ, а между контактами 18 и 19 устанавливается перемычка.
-
М4 - электропривод воздушной заслонки, питание 220 В, возвратная пружина;
- ПУ2 - выносной пульт управления. Кнопки ПУСК, СТОП, лампочки АВАРИЯ и РАБОТА;
- FS1 - контакт системы пожарной сигнализации (нормально замкнутый);
- С и N - питание 220 В, PE - защитная земля.
- При нажатии кнопки ПУСК на пульте управления ПУ2 на вентилятор М1 подается питание 220 В. На клемму 6 подается сигнал 220 В, который может быть использован для открытия воздушной заслонки М4. На ПУ2 загорается лампочка РАБОТА.
- При срабатывании автоматического выключателя (перегрузка по току двигателя) вентилятор отключается, на пульте ПУ2 загорается лампочка АВАРИЯ. При размыкании контакта пожарной сигнализации FS1 вентилятор также отключается.
- Возможно дистанционное включение вентилятора замыканием контактов 11 и 13. Останов вентилятора при их размыкании. Эта схема подключения может быть использована для дистанционного управления вентиляторами.
- При отсутствии пульта управления ПУ2 нужно установить перемычку между клеммами 11 и 12, управление вентилятором производить кнопками с щита управления.
Подводимые провода
| Наименование | Обозначение кабеля | Тип кабеля |
|
Вентилятор - 5,5 кВт и менее Вентилятор - 7,5 кВт Вентилятор - 1 1 кВт Вентилятор - 15 кВт Вентилятор - 18,5 и 22 кВт Вентилятор - 30 кВт |
S1 |
ВВГ5х1,5 ВВГ5х2,5 ВВГ5х4 ВВГ5х6 ВВГ5х10 ВВГ5х16 |
|
Вентилятор - 5,5 кВт и менее Вентилятор - 7,5 кВт Вентилятор - 1 1 кВт Вентилятор - 15 кВт Вентилятор - 18,5 и 22 кВт Вентилятор - 30 кВт |
S4 |
ВВГ4х1,5 ВВГ4х2,5 ВВГ4х4 ВВГ4х6 ВВГ4х10 ВВГ4х16 |
| Для всех вентиляторов | S5 | МКЭШ 3х0,75 |
| Для всех вентиляторов | S6 | МКЭШ 2х0,75 |
| Вентилятор 220 В | S10 | ВВГ 3х1,5 |
Подключение преобразователя частоты к щиту ЩУВ2




