Вы здесь
Щит управления ЩУВ3
Щит управления ЩУВ3 предназначен для запуска и отключения трехфазных вентиляторов (220/380 В), не имеющих встроенных термоконтактов. Устройство обеспечивает защиту электродвигателя от перегрузки по току. Также предусмотрена возможность подключения частотного преобразователя для регулировки скорости вращения вентилятора.
К щиту может быть подключён частотный регулятор, а также выносной пульт ПУ с индикацией рабочих режимов и сигнализацией аварийных состояний.
ЩУВ3 может использоваться совместно с щитами серий ЩУ и ЩУТ при организации вытяжной вентиляции, работающей в связке с приточной системой.
- Напряжение питания: ~380 В ±15%, 50 Гц;
- Диапазон температур эксплуатации: от 0 до +40 °C.
Функциональные возможности:
- ручной запуск и останов вентиляторов с питанием 220/380 В;
- защита двигателя вентилятора от перегрузки по току;
- управление воздушной заслонкой с электроприводом (питание 220 В, возвратная пружина);
- автоматическое отключение системы при поступлении сигнала от пожарной сигнализации;
- индикация состояния системы;
- возможность подключения частотного регулятора;
- поддержка удалённого управления с помощью пульта ПУ2.
Технические характеристики ЩУВ3
| Наименование щита управления | Мощность двигателя, кВт | Диапазон установки тока тепл. расцеп., A | Частотный регулятор | Габаритные размеры, мм | Степень защиты | Вес, кг | Материал корпуса |
| ЩУВ3-0,18 | 0,2 | 0,63 - 1 | VCI-G0.75-4B | 290х240х102 | IP41 | 3,0 | пластик |
| ЩУВ3-0,25 | 0,3 | 0,63 - 1 | VCI-G0.75-4B | 290х240х102 | IP41 | 3,0 | пластик |
| ЩУВ3-0,37 | 0,4 | 1 - 1,6 | VCI-G0.75-4B | 290х240х102 | IP41 | 3,0 | пластик |
| ЩУВ3-0,55 | 0,6 | 1,6 - 2,5 | VCI-G0.75-4B | 290х240х102 | IP41 | 3,0 | пластик |
| ЩУВ3-0,75 | 0,8 | 1,6 - 2,5 | VCI-G0.75-4B | 290х240х102 | IP41 | 3,0 | пластик |
| ЩУВ3-1,1 | 1,1 | 2,5 - 4 | VCI-G1.5-4B | 290х240х102 | IP41 | 3,0 | пластик |
| ЩУВ3-1,5 | 1,5 | 2,5 - 4 | VCI-G1.5-4B | 290х240х102 | IP41 | 3,0 | пластик |
| ЩУВ3-2,2 | 2,2 | 4 - 6,3 | VCI-G2.2-4B | 290х240х102 | IP41 | 3,0 | пластик |
| ЩУВ3-3,0 | 3,0 | 6 - 10 | VCI-G4.0-4B | 290х240х102 | IP41 | 3,0 | пластик |
| ЩУВ3-4,0 | 4,0 | 6 - 10 | VCI-G4.0-4B | 290х240х102 | IP41 | 3,0 | пластик |
| ЩУВ3-5,5 | 5,5 | 9 - 14 | VCI-G5.5-4B | 408х245х153 | IP65 | 4,0 | пластик |
| ЩУВ3-7,5 | 7,5 | 13 - 18 | VCI-G7.5-4B | 408х245х153 | IP65 | 4,0 | пластик |
| ЩУВ3-11,0 | 11,0 | 20 - 25 | VCI-G11-4B | 408х245х153 | IP65 | 4,0 | пластик |
| ЩУВ3-15,0 | 15,0 | 24 - 32 | VCI-G15-4B | 408х245х153 | IP65 | 4,0 | пластик |
| ЩУВ3-18,5 | 18,5 | 25 - 40 | LCI-G18.5/Р22-4B | 400х500х220 | IP54 | 14,0 | металл |
| ЩУВ3-22,0 | 22,0 | 40 - 63 | LCI-G22/Р30-4B | 400х500х220 | IP54 | 14,0 | металл |
| ЩУВ3-30,0 | 30,0 | 56 - 80 | LCI-G30/Р37-4B | 400х500х220 | IP54 | 14,0 | металл |
Схема подключения ЩУВ3, пуск/стоп вентилятора кнопками щита управления

- М1 - вентилятор, питание 380 В;
- М4 - электропривод воздушной заслонки. Питание 220 В, возвратная пружина. Например LF230 Belimo;
- 16 и 17 - контакт системы пожарной сигнализации (нормально замкнутый);
- А В С - сеть, N - рабочая нейтраль, PE - защитная земля.
- В щите должны быть установлена перемычка между контактами 11 и 12.
- При нажатии в щите кнопки ПУСК на вентилятор М1 подается питание 380 В. На клемму 6 подается сигнал 220 В, который может быть использован для открытия воздушной заслонки М4. Сигнал 220 В также подается на клемму 8, он применяется для подтверждения включения вентилятора.
- При срабатывании автоматического выключателя (короткое замыкание или перегрузка по току) вентилятор отключается и подается сигнал 220 В на клемму10.
- При размыкании контакта пожарной сигнализации FS1 вентилятор также отключается.
Схема подключения ЩУВ3, пуск/стоп вентилятора с пульта управления ПУ2

- М1 - вентилятор, питание 380 В;
- М4 - электропривод воздушной заслонки, питание 220 В, возвратная пружина;
- ПУ2 - пульт управления. Кнопки ПУСК, СТОП, лампочки АВАРИЯ и РАБОТА;
- FS1 - контакт системы пожарной сигнализации (нормально замкнутый);
- А В С - сеть, N - рабочая нейтраль, PE - защитная земля.
- При нажатии кнопки ПУСК на пульте управления ПУ2 на вентилятор М1 подается питание 380 В.
- На клемму 6 подается сигнал 220 В, который может быть использован для открытия воздушной заслонки М4.
- На ПУ2 загорается лампочка РАБОТА.
- При срабатывании автоматического выключателя (короткое замыкание или перегрузка по току) вентилятор отключается и загорается лампочка АВАРИЯ на пульте управления.
- При размыкании контакта пожарной сигнализации FS1 вентилятор также отключается.
- Возможно дистанционное включение вентилятора замыканием контактов 11 и 13. Остановка вентилятора при их размыкании. Эта схема подключения может быть использована для управления вентиляторами дымоудаления.
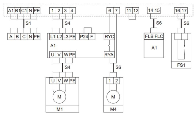
ЩУВ3, управление вентилятором и задание скорости с частотного регулятора ATV212

- М1 - вентилятор, питание 380 В;
- М4 - электропривод воздушной заслонки, питание 220 В, возвратная пружина;
- A1 - частотный регулятор ATV212,
- Для правильной работы к комплекте с щитом ЩУВ3 необходимо установить перемычку между клеммами регулятора P24 и F. Это дает возможность включить вентилятор сразу по подаче питания на регулятор (нажатие кнопки ПУСК в щите управления).
- Контакты RYC и RYA - подтверждение работы частотного регулятора. При подаче питания на регулятор, эти контакты замыкаются, открывая воздушную заслонку
- Контакты FLB и FLC - ошибка в работе ATV212. При возникновении ошибки частотного регулятора вентилятор останавливается, на щите горят лампочки как РАБОТА так и АВАРИЯ. Питание с частотного регулятора не снимается, что дает возможность увидеть код ошибки на индикаторе регулятора.
- Контакты FLB и FLC сбрасываются только после выключения питания частотного регулятора;
- FS1 - контакт системы пожарной сигнализации (нормально замкнутый); возможность
- А В С - сеть, N - рабочая нейтраль, PE - защитная земля;
- В щите должна быть установлена перемычка между контактами 11 и 12.
- При дистанционном пуске вентилятора замыканием внешних контактов возможно сразу включать вентилятор на нужную скорость вращения.
- Длина кабеля S4 между частотным регулятором и вентилятором не более 20 метров.
- Для дистанционного управления частотным регулятором могут быть использован простой выносной пульт управления ПУ ATV.
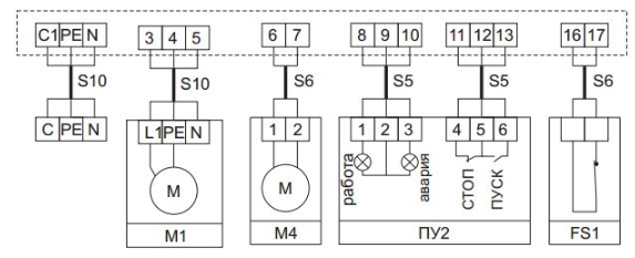
ЩУВ3, пуск/стоп вентилятора на 220 В с пульта управления ПУ2

- М1 - вентилятор, питание 220 В, щит управления подбирается по рабочему току двигателя вентилятора;
- М4 - электропривод воздушной заслонки, питание 220 В, возвратная пружина;
- ПУ2 - пульт управления. Кнопки ПУСК, СТОП, лампочки АВАРИЯ и РАБОТА;
- FS1 - контакт системы пожарной сигнализации (нормально замкнутый);
- С и N - питание 220 В, PE - защитная земля.
- При нажатии кнопки ПУСК на пульте управления ПУ2 на вентилятор М1 подается питание 220 В. На клемму 6 подается сигнал 220 В, который может быть использован для открытия воздушной заслонки М4. На ПУ2 загорается лампочка РАБОТА.
- При срабатывании автоматического выключателя (перегрузка по току двигателя) вентилятор отключается и подается сигнал 220 В на клемму 10.
- При размыкании контакта пожарной сигнализации FS1 вентилятор также отключается.
- Возможно дистанционное включение вентилятора замыканием контактов 11 и 13. Останов вентилятора при их размыкании. Эта схема подключения может быть использована для дистанционного управления вентиляторами.
- При отсутствии пульта управления ПУ2 нужно установить перемычку между клеммами 11 и 12, управление вентилятором производить кнопками с щита управления.
Подводимые провода
| Наименование | Обозначение кабеля | Тип кабеля |
|
Вентилятор - 5,5 кВт и менее Вентилятор - 7,5 кВт Вентилятор - 1 1 кВт Вентилятор - 15 кВт Вентилятор - 18,5 и 22 кВт Вентилятор - 30 кВт |
S1 |
ВВГ5х1,5 ВВГ5х2,5 ВВГ5х4 ВВГ5х6 ВВГ5х10 ВВГ5х16 |
|
Вентилятор - 5,5 кВт и менее Вентилятор - 7,5 кВт Вентилятор - 1 1 кВт Вентилятор - 15 кВт Вентилятор - 18,5 и 22 кВт Вентилятор - 30 кВт |
S4 |
ВВГ4х1,5 ВВГ4х2,5 ВВГ4х4 ВВГ4х6 ВВГ4х10 ВВГ4х16 |
| Для всех вентиляторов | S5 | МКЭШ 3х0,75 |
| Для всех вентиляторов | S6 | МКЭШ 2х0,75 |
| Вентилятор 220 В | S10 | ВВГ 3х1,5 |
Подключение преобразователя частоты к щиту ЩУВ3




