Вы здесь
Щит управления ЩУВ4
Щит управления ЩУВ4 предназначен для мягкого запуска и защиты трехфазных вентиляторов с напряжением питания 380 В от перегрева обмоток. Устройство размещено в прочном металлическом корпусе.
Благодаря встроенному блоку плавного пуска обеспечивается контролируемый запуск двигателя без рывков и пиковых нагрузок, что снижает износ оборудования и продлевает срок его службы.
Щит разработан для управления вентиляторами, оснащёнными встроенными термоконтактами. Поддерживается подключение выносного пульта ПУ2 с отображением рабочих режимов и аварийных сигналов.
Модель ЩУВ4 особенно эффективно применяется с вентиляторами большой мощности и оборудованием с высоким пусковым моментом.
Щиты данной серии могут использоваться совместно с изделиями серий ЩУ и ЩУТ при интеграции вытяжных вентиляторов в состав приточной вентиляционной системы.
- Напряжение питания: ~380 В ±15%, 50 Гц;
- Рабочий температурный диапазон: от 0 до +40 °С.
Основные функции:
- ручной запуск и останов вентиляторов на 380 В;
- реализация плавного пуска;
- защита электродвигателя от перегрева;
- управление воздушной заслонкой с приводом на 220 В и возвратной пружиной;
- аварийное отключение по сигналу от пожарной сигнализации;
- индикация текущего состояния системы;
- возможность подключения выносного пульта ПУ2 для дистанционного управления.
Технические характеристики ЩУВ4
Наименование щита управления | Мощность двигателя, кВт | Линейный ток, A | Реле защиты двигателя | Устройство плавного пуска | Габаритные размеры, мм | Степень защиты | Вес, кг | Материал корпуса |
ЩУВ4-5,5 | 5.5 | 11 | ТР220 | SSI-5.5/11-04 | 400х500х200 | IP54 | 15,0 | металл |
ЩУВ4-7,5 | 7,5 | 15,6 | ТР220 | SSI-7,5/11-04 | 400х500х200 | IP54 | 15,0 | металл |
ЩУВ4-11,0 | 11,0 | 22 | ТР220 | SSI-11/23-04 | 400х500х200 | IP54 | 15,0 | металл |
ЩУВ4-15,0 | 15,0 | 29 | ТР220 | SSI-15/30-04 | 400х500х200 | IP54 | 15,0 | металл |
ЩУВ4-18,5 | 18,5 | 35 | ТР220 | SSI-18.5/37-04 | 500х650х220 | IP54 | 24,0 | металл |
ЩУВ4-22,0 | 22,0 | 42 | ТР220 | SSI-22/43-04 | 500х650х220 | IP54 | 24,0 | металл |
ЩУВ4-30,0 | 30,0 | 57 | ТР220 | SSI-30/60-04 | 500х650х220 | IP54 | 24,0 | металл |
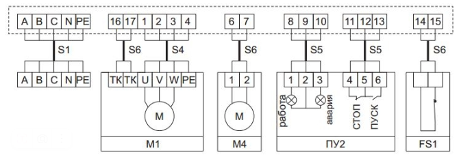
Схема подключения ЩУВ4, пуск/стоп вентилятора кнопками щита управления
- М1 - вентилятор, питание 380 В;
- ТК - термоконтакты двигателя (биметаллические или позисторные);
- М4 - электропривод воздушной заслонки. Питание 220 В, возвратная пружина. Например LF230 Belimo;
- 16 и 17 - контакт системы пожарной сигнализации (нормально замкнутый);
- А В С - сеть, N - рабочая нейтраль, PE - защитная земля.
- В щите должны быть установлены перемычки между контактами 11 и 12.
- При нажатии в щите кнопки ПУСК на вентилятор М1 подается питание 380 В.
- На клемму 6 подается сигнал 220 В, который может быть использован для открытия воздушной заслонки М4.
- Сигнал 220 В также подается на клемму 8, он применяется для подтверждения включения вентилятора.
- При срабатывании реле защиты ТР220 (перегрев обмоток двигателя) вентилятор отключается и подается сигнал 220 В на клемму 10.
- При размыкании контакта пожарной сигнализации FS1 вентилятор также отключается.
Схема подключения ЩУВ4, пуск/стоп вентилятора с пульта управления ПУ2
- М1 - вентилятор, питание 380 В;
- ТК - термоконтакты двигателя (биметаллические или позисторные);
- М4 - электропривод воздушной заслонки, питание 220 В, возвратная пружина;
- ПУ2 - пульт управления. Кнопки ПУСК, СТОП, лампочки АВАРИЯ и РАБОТА;
- FS1 - контакт системы пожарной сигнализации (нормально замкнутый)
- А В С - сеть, N - рабочая нейтраль, PE - защитная земля.
- При нажатии кнопки ПУСК на пульте управления ПУ2 на вентилятор М1 подается питание 380 В.
- На клемму 6 подается сигнал 220 В, который может быть использован для открытия воздушной заслонки М4.
- На ПУ2 загорается лампочка РАБОТА.
- При срабатывании реле защиты ТР220 (перегрев обмоток двигателя) вентилятор отключается и подается сигнал 220 В на клемму 10.
- При размыкании контакта пожарной сигнализации FS1 вентилятор также отключается.
- Тип термоконтактов (биметаллические/позисторные) выставляется переключателем реле защиты ТР220.
- Возможно дистанционное включение вентилятора замыканием контактов 11 и 13. Вентилятор выключается при их размыкании. Эта схема подключения может быть использована для дистанционного управления вентиляторами.
- Внимание! Вентилятор, подключенный к щиту ЩУВ4 не может управляться частотным преобразователем.
Подводимые провода
Щит управления ЩУВ4 | Обозначение кабеля | Тип кабеля |
Вентилятор - 5,5 кВт Вентилятор - 7,5 кВт Вентилятор - 11 кВт Вентилятор - 15 кВт Вентилятор - 18,5 и 22 кВт Вентилятор - 30 кВт |
S1 |
ВВГ5х2,5 ВВГ5х2,5 ВВГ5х4 ВВГ5х6 ВВГ5х10 ВВГ5х16 |
Вентилятор - 5,5 кВт Вентилятор - 7,5 кВт Вентилятор - 1 1 кВт Вентилятор - 15 кВт Вентилятор - 18,5 и 22 кВт Вентилятор - 30 кВт |
S4 |
ВВГ4х2,5 ВВГ4х2,5 ВВГ4х4 ВВГ4х6 ВВГ4х10 ВВГ4х16 |
Для всех вентиляторов | S5 | МКЭШ 3х0,75 |
Для всех вентиляторов | S6 | МКЭШ 2х0,75 |