Вы здесь
Шкаф управления водяными калориферами ЩУТ1
Шкаф управления ЩУТ1 предназначен для автоматизации работы вентилятора и водяного калорифера в составе приточной вентиляционной системы. К шкафу может быть подключён частотный регулятор для плавной настройки скорости вращения вентилятора.
Температура подаваемого воздуха регулируется с помощью встроенного контроллера. Для корректной работы системы необходимо наличие смесительного узла с электроприводным водяным клапаном, управляемым аналоговым сигналом 0–10 В.
В конструкции предусмотрена функция зимнего запуска, которая позволяет избежать замерзания теплоносителя и обеспечивает стабильную работу системы даже при низких температурах наружного воздуха.
Если подключается вентилятор с трехфазным двигателем (380 В), шкаф обеспечивает защиту по току или по перегреву обмоток двигателя — в зависимости от конфигурации.
Шкаф ЩУТ1 может использоваться совместно с устройствами серий ЩУВ1, ЩУВ2 и ЩУВ3. В этом случае появляется возможность подключения вытяжного вентилятора, который будет включаться синхронно с приточным.
- Питающее напряжение: ~380 В ±15%, 50 Гц;
- Рабочий температурный диапазон: от 0 до +40 °С.
Основные функции:
- ручной пуск и останов вентилятора на 220/380 В ;
- защита от перегрева обмоток двигателя вентилятора либо перегрузки по току;
- регулировка температуры приточного воздуха;
- защита теплоносителя от замораживания;
- подключение капиллярного термостата TF30(60);
- зимний запуск;
- ручное переключение режима «Зима/Лето»
- управление электроприводом смесительного узла, питание 24В, сигнал 0-10В;
- управление электроприводом воздушной заслонки (питание 220 В, возвратная пружина);
- индикация загрязнения фильтра по датчику PS500(PS1500);
- отключение системы по сигналу пожарной сигнализации;
- индикация состояния системы;
- подключение удаленного пульта управления ПУ2;
- для управления вытяжным вентилятором возможно подключить ЩУВ1, ЩУВ2 или ЩУВ3.
Технические характеристики ЩУТ1
| Наименование щита управления | Максимальная мощность двигателя, кВт | Максимальный линейный ток, A | Ток авт. Выкл., A | Тепловая защита двигателя | Габаритные размеры, мм | Степень защиты | Вес, кг | Материал корпуса |
| ЩУТ1-2,0(220В) | 2,0(220В) | 14 | ___ | ___ | 290х535х102 | IP41 | 6,0 | пластик |
| ЩУТ1-4,0 | 4,0 | 16 | ___ | ТР220 | 290х535х102 | IP41 | 7,0 | пластик |
| ЩУТ1-5,5 | 5,5 | 16 | ___ | ТР220 | 408х560х153 | IP65 | 9,0 | пластик |
| ЩУТ1-7,5 | 7,5 | 25 | 13 - 18 | ___ | 408х560х153 | IP65 | 9,0 | пластик |
| ЩУТ1-11,0 | 11,0 | 32 | 20-25 | ___ | 408х560х153 | IP65 | 9,0 | пластик |
| ЩУТ1-15,0 | 15,0 | 40 | 24-32 | ___ | 408х560х153 | IP65 | 9,0 | пластик |
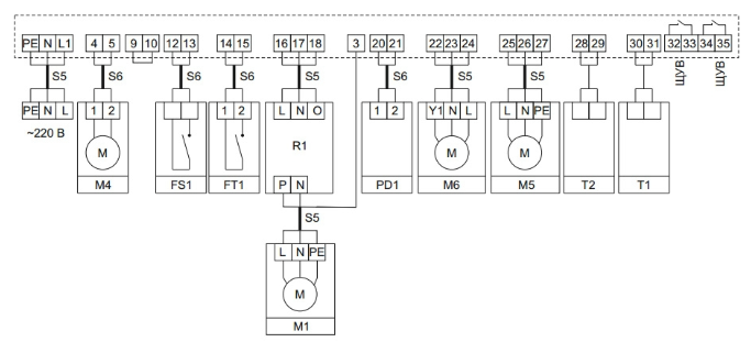
Функциональная схема

Щит управления ЩУТ1-2,0 (220) осуществляет регулирование температуры приточного воздуха и защиту теплоносителя водяного калорифера NW1 от замерзания.
В щите управления установлен переключатель ЗИМА-ЛЕТО. В режиме ЛЕТО прекращается работа циркуляционного насоса M5.
В режиме ЗИМА терморегулятор управляет работой электропривода М6 для двух или трехходового вентиля. Заданная температура приточного воздуха поддерживается путем изменения количества горячей воды, протекающей через водяной калорифер.
Если температура обратной воды падает ниже 12С, то терморегулятор дополнительно открывает смесительный вентиль, увеличивая поступление горячей воды.
При температуре 7С вентилятор отключается и закрывается заслонка приточного воздуха.
Отключение вентилятора и закрытие заслонки может произвести и термостат защиты FT1. Для надежности работы водяного калорифера рекомендуется устанавливать эту дополнительную защиту.
Дифференциальное реле давления PD1 срабатывает, когда падение давления на фильтре становится больше выставленного значения. При этом на дверце щита загорается красная лампочка.
Отключение щита управления при получении сигнала от пожарной сигнализации происходит при помощи независимого расцепителя, который выключает вводной автоматический выключатель щита управления.
Контакт пожарной сигнализации FS1 должен быть нормально разомкнутым и выдерживать ток 1 А напряжением 220 В в течение 1 секунды.
- NW1 - водяной калорифер;
- М1 - канальный вентилятор на 220 В, встроенные термоконтакты;
- М4 - электропривод воздушной заслонки на 220 В с возвратной пружиной;
- М5 - циркуляционный насос на 220 В/ 6 A;
- М6 - электропривод для двух- или трехходового вентиля, питание 24 В, управление сигналом 0-10 В;
- FS1 - контакт пожарной сигнализации;
- PD1 - дифференциальный датчик давления PS500;
- FT1- термостат защиты от замерзания TF;
- T2 - канальный датчик температуры TD-K1000;
- T1 - накладной датчик температуры обратной воды TD-A1000-Br;
Подводимые провода
| Наименование | Обозначение кабеля | Тип кабеля |
|
Вентилятор 5А |
S6 S5 |
МКЭШ 2х0,75 МКЭШ 3х0,75 |
|
Вентилятор 7А |
S6 S5 |
МКЭШ 2х0,75 ВВГ 3х1,5 |
| Вентилятор 13А |
S6 S5 |
ВВГ 2х1,5 ВВГ 3х2,5 |
Схема подключения ЩУТ1-2,0 (220), вкл/выкл вентилятора кнопками с щита управления

-
Управление работой вентилятора при помощи кнопок ПУСК / СТОП на щите управления.
- Выставление нужной температуры на терморегуляторе Klimat101.
- Зеленая лампочка подтверждает работу вентилятора, красная — засорение фильтра.
- Другая красная лампочка сигнализирует о переходе в режим АВАРИЯ, при угрозе замерзания теплоносителя в калорифере или при замыкании контакта пожарной сигнализации.
- Для работы щита управления необходимо установить перемычку между контактами 9 и 10, 18 и 19.
Схема подключения ЩУТ1-2,0 (220), управление вентилятором симисторным регулятором СРМ

-
R1- симисторный регулятор скорости СРМ.
- Управление работой вентилятора при помощи кнопки PUSH на симисторном регуляторе оборотов СРМ.
- Тип регулятора подбирается по максимальному рабочему току вентилятора от 1 до 7 А.

Для работы щита управления необходимо установить перемычку между контактами 10 - 11 и 13 - 14.
Внимание! Если есть необходимость подключения к щиту управления ЩУТ1-4,0 (380) или ЩУТ1-5,5 (380) двигателя вентилятора не оснащенного термоконтактами, то необходимо:
- установить переключатель на передней панели реле защиты ТР220 в положение “ВМ”
- установить перемычку между контактами 33 - 34
- защитить вентилятор от перегрузки по току при помощи электротеплового реле
Схема подключения ЩУТ1-7,5 (380), ЩУТ1-11 (380), ЩУТ1-15 (380), вкл/выкл вентилятора кнопками с щита управления

Для работы щита управления необходимо установить перемычку между контактами 10 - 11 и 13 - 14.
Описание работы
Щит управления осуществляет регулирование температуры приточного воздуха и защиту теплоносителя водяного калорифера NW1 от замерзания. В щите управления установлен переключатель ЗИМА-ЛЕТО. В режиме ЛЕТО прекращается работа циркуляционного насоса M5. В режиме ЗИМА терморегулятор управляет работой электропривода М6 для двух или трехходового вентиля. Заданная температура приточного воздуха поддерживается путем изменения количества горячей воды, протекающей через водяной калорифер. Если температура обратной воды падает ниже 12 °С, то терморегулятор дополнительно открывает смесительный вентиль, увеличивая поступление горячей воды.
При температуре 7 °С вентилятор отключается и закрывается заслонка приточного воздуха. Отключение вентилятора и закрытие заслонки может произвести и термостат защиты FT1. Для надежности работы водяного калорифера рекомендуется устанавливать эту дополнительную защиту. Дифференциальное реле давления PD1 срабатывает, когда падение давления на фильтре становится больше выставленного значения. При этом на дверце щита загорается красная лампочка. При получении сигнала от пожарной сигнализации происходит останов вентилятора. Контроллер и насос остаются в работе для обеспечения защиты от замораживания системы в зимний период года. Контакт пожарной сигнализации FS1 должен быть нормально замкнутым и выдерживать ток 1 А напряжением 220 В. Отключение вентилятора по сигналу реле защиты ТР220 при угрозе перегрева двигателя(для щитов ЩУТ1-4,0 и ЩУТ1-5,5). Для щитов, рассчитанных на большую мощность вентилятора, защита двигателя от прегрузки мотор-автоматом.
Назад к списку



