Вы здесь
Шкаф управления водяными калориферами ЩУТ3
Шкаф управления ЩУТ3 предназначен для комплексного управления вентилятором и водяным калорифером в составе приточной вентиляционной установки. Устройство монтируется в металлическом корпусе и поддерживает подключение частотного регулятора для изменения скорости вращения вентилятора.
Температура подаваемого воздуха регулируется с помощью встроенного контроллера. В составе системы должен использоваться смесительный узел с электроприводным клапаном, управляемым сигналом 0–10 В.
В конструкции шкафа предусмотрен режим зимнего пуска, позволяющий предотвратить замерзание теплоносителя и обеспечить стабильный запуск оборудования в холодное время года.
При подключении вентилятора с трёхфазным двигателем на 380 В реализована защита от перегрева или перегрузки двигателя по току. ЩУТ3 может работать в связке с управляющими шкафами серий ЩУВ1, ЩУВ2 или ЩУВ3, что позволяет дополнительно управлять вытяжным вентилятором, синхронизируя его запуск с приточным.
Шкаф поддерживает два рабочих режима: «ЗИМА» и «ЛЕТО», которые переключаются вручную. В летнем режиме отключается терморегулятор Klimat 101 и насос М5. В зимнем — контроллер управляет электроприводом М6 (двух- или трёхходовой вентиль), регулируя поток горячей воды через калорифер для поддержания заданной температуры. При снижении температуры обратной воды ниже 5 °C срабатывает термостат FT1, отключающий привод воздушной заслонки М4 и останавливающий вентилятор М1 для защиты от замерзания.
Система защиты двигателя реализована двумя способами:
- Для вентиляторов без термоконтактов — с помощью теплового реле РТЛ, срабатывающего при перегрузке по току;
- Для вентиляторов с термоконтактами (позисторными или биметаллическими) — с помощью реле ТР220, отключающего двигатель при перегреве.
Фильтрация воздуха контролируется с помощью внешнего дифференциального реле давления PD1 (не входит в комплект), которое подаёт сигнал при превышении перепада давления — в этом случае на дверце шкафа загорается сигнальная лампа.
В случае пожара по сигналу от системы пожарной сигнализации вентиляция отключается, при этом контроллер и насос продолжают работу, обеспечивая защиту калорифера от замерзания. Контакт FS1 должен быть нормально замкнутым и рассчитан на ток до 1 А при напряжении 220 В.
Для моделей ЩУТ3-4,0 и ЩУТ3-5,5 отключение вентилятора при перегреве выполняется с помощью реле ТР220. В моделях с более мощными вентиляторами защита осуществляется через мотор-автомат.
- Питание: ~380 В ±15%, 50 Гц
- Диапазон рабочих температур: 0…+40 °C
Основные функции:
- Ручное включение/отключение вентилятора (220/380 В)
- Защита двигателя от перегрева или перегрузки
- Поддержание заданной температуры приточного воздуха
- Защита теплоносителя от замерзания
- Подключение капиллярного термостата TF30(60)
- Режим зимнего пуска
- Переключение между режимами «ЗИМА/ЛЕТО»
- Управление приводом смесительного узла (24 В, сигнал 0–10 В)
- Управление воздушной заслонкой (220 В, с возвратной пружиной)
- Индикация загрязнения фильтра
- Отключение системы при пожарном сигнале
- Индикация состояния всей системы
- Возможность подключения шкафов ЩУВ1, ЩУВ2 или ЩУВ3 для управления вытяжным вентилятором
Технические характеристики ЩУТ3
| Наименование щита управления | Максимальная мощность двигателя, кВт | Максимальный линейный ток, A | Ток авт. Выкл., A | Тепловая защита двигателя | Габаритные размеры, мм | Степень защиты | Вес, кг | Материал корпуса |
| ЩУТ3-2,0(220 В) | 2,0 | 14 | ___ | ___ | 400х500х220 | IP54 | 15,0 | металл |
| ЩУТ3-4,0 | 4,0 | 16 | ___ | ТР220 | 500х650х220 | IP54 | 22,0 | металл |
| ЩУТ3-5,5 | 5,5 | 16 | ___ | ТР220 | 500х650х220 | IP54 | 22,0 | металл |
| ЩУТ3-7,5 | 7,5 | 25 | 13 - 18 | ___ | 500х650х220 | IP54 | 22,0 | металл |
| ЩУТ3-11,0 | 11,0 | 32 | 20-25 | ___ | 500х650х220 | IP54 | 22,0 | металл |
| ЩУТ3-15,0 | 1,5 | 40 | 24-32 | ___ | 500х650х220 | IP54 | 22,0 | металл |
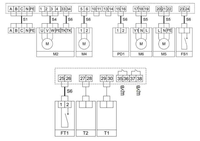
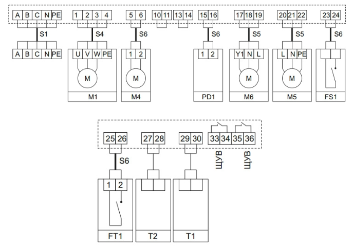
Функциональная схем

Подводимые провода
| Щит управления | Обозначение кабеля | Тип кабеля |
|
ЩУТ3-4,0 ЩУТ3-7,5 ЩУТ3-15,0 |
S1 |
ВВГ 5х2,5 ВВГ 5х4 ВВГ 5х10 |
|
ЩУТ3-4,0 ЩУТ3-7,5 ЩУТ3-15,0 |
S4 |
ВВГ 4х1,5 ВВГ 4х2,5 ВВГ 4х6 |
| Для всех щитов |
S6 S5 |
МКЭШ 3х0,75 МКЭШ 2х0,75 |
Схема подключения ЩУТ3-4,0 и ЩУТ3-5,5

Схема подключения ЩУТ3-7,5, ЩУТ3-11,0 и ЩУТ3-15,0




