Вы здесь

Шкафы управления АВР 

Шкафы управления автоматическим включением резерва электропитания (АВР) предназначены для автоматического переключения на резервный ввод электропитания в случае неисправности основного.

Шкафы АВР выпускаются для работы в:

  • трехфазных (220/380В) сетях;
  • однофазных (220В) сетях.

Контроль ввода по параметрам:

  • Min и Max напряжение на каждой фазе;
  • Перекос фаз;
  • Чередование фаз.

Алгоритм работы шкафа построен на принципе равного приоритета источников электропитания.

Источник питания, включённый первым, сразу присоединяется к электроприемникам и считается рабочим источником.

Источник питания, включённый вторым, становиться резервным источником.

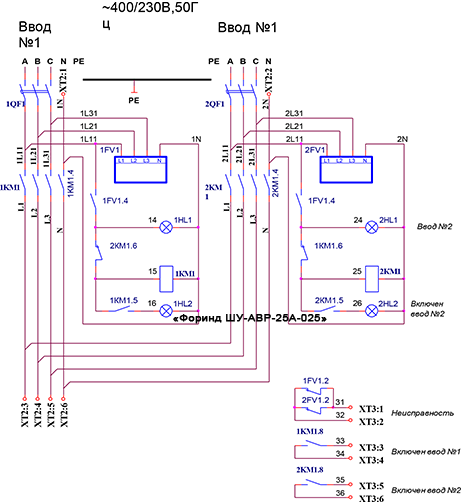
Принципиальная электрическая схема шкафа "ШУ-АВР-25А-025"

Шкафы управления АВР

Блоки резервного питания БРП24В питаются от сети 220В и обеспечивают:

  • стабилизированное выходное напряжение 24В;
  • заряд и поддержание заряда аккумуляторов;
  • переключение потребителей на питание от аккумуляторов (резервный источник) в случае неисправности основного источника 220В.
Наименование Ток Модификация
БРП24-2А СВТ74.50.000-01
БРП24-4А СВТ74.50.000-02
БРП24-6А СВТ74.50.000-03
БРП24-10А 10А СВТ74.50.000-04

Аккумуляторные ящики СВТ1189.00.000 предназначены для установки в них двух аккумуляторов ёмкостью до 40А/ч и подключения к блокам БРП24В, центральному прибору ЦП-1 и другим устройствам.

Ёмкость шкафов

  • без АКБ
  • до 18А/ч
  • до 30А/ч
  • до 40А/ч.
Назад к списку