Вы здесь
Шкафы управления клапанами нормально закрытыми ШУПК-НЗ
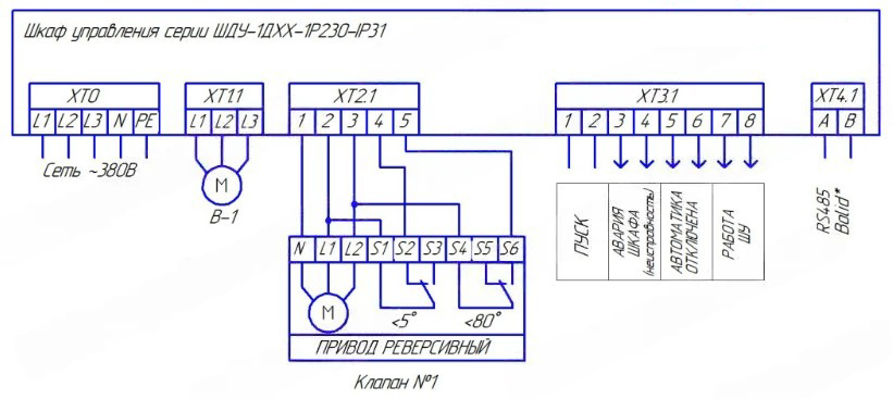
Шкаф ШУПК-НЗпредназначен для управления приводами противопожарных клапанов нормально зарытых в составе системы противодымной вентиляции.
Шкаф управления противопожарными клапанами серии ШУПК-НЗ в типовой конфигурации обеспечивает:
- Закрытие клапанов по сигналу от прибора пожарного управления ППУ.
- Отображение текущего положения клапанов на лицевой панели шкафа управления клапанами ШУПК-НЗ посредством индикации.
- Ручное управление группой клапанов с передней панели шкафа управления клапанами ШУПК-НЗ.
- Контроль качества питающей сети.
Шкафы управления противопожарными клапанами ШУПК являются полными аналогами шкафов ШУОК, ШУ-КП-НО, ШКП-ШУОК, ЩУПК,ШУ-К, ШК1101,
На двери шкафа управления противопожарными клапанами расположены:
- Индикатор «СЕТЬ»
- Индикатор «АВАРИЯ СЕТИ»
- Индикатор «ПОЖАР»
- Переключатель режима «ТЕСТ КЛАПАНОВ»
- Индикатор «АВТОМАТИКА ОТКЛЮЧЕНА»
- Индикаторы состояния клапанов «НОРМА», «КЛАПАН СРАБОТАЛ»
Дополнительные функции шкафа управления:
- Контроль цепей управления на обрыв и короткое замыкание (шкаф с индексом-К-).
- Диспетчеризация положения каждого клапана с выходом «сухой» контакт (шкаф с индексом -Д-).
- Диспетчеризация состояния шкафа и положения клапанов по интерфейсу RS485 с протоколом ModBus. Для интеграции в SCADA, таблица адресации в приложении №3 паспорта на шкаф (шкаф с индексом -RS485).
- Вывод информационных сигналов на внешнюю ЖК панель (шкаф с индексом LCD).
- Подключение кнопочных постов для проверки работоспособности клапанов.
Выходные сигналы шкафа управления противопожарными клапанами «сухой» контакт:
- АВАРИЯ ШКАФА.
- АВТОМАТИКА ОТКЛЮЧЕНА.
Принцип работы шкафа управления противопожарными клапанами
В исходном состоянии противопожарные клапана находятся в закрытом положении (на дверце шкафа горит индикатор «НОРМА»). При поступлении сигнала о пожаре происходит переключение напряжения на приводах с положения L1 на L2 и открытие клапанов, на передней панели шкафа управления загораются индикаторы «КЛАПАН СРАБОТАЛ». При снятии сигнала о пожаре, клапана возвращаются в первоначальное положение, по мере открытия клапанов загораются индикаторы «НОРМА». Групповое закрытие клапанов возможно с передней панели шкафа, для этого требуется перевести шкаф в положение "РУЧН" и нажать кнопку "ТЕСТ КЛАПАНОВ". Запуск шкафа возможно произвести двумя способами, размыканием управляющих контактов либо подачей на шкаф управляющего напряжения 24В DC.
Опция диспетчеризации по "сухим" контактам -Д.- Шкаф имеет дополнительные контакты состояния каждого клапана. "КЛАПАН НОРМА" и " КЛАПАН СРАБОТАЛ".
Опция диспетчеризации по протоколу Modbus- Шкаф отправляет полную информацию о состоянии питающей сети, исправности исполнительных устройств, концевиков, режиме работы, текущем положении клапанов в сеть RS485 по протоколу Modbus RTU.
Опция -ПМУ- позволяет подключать к шкафу кнопочные посты местного управления, для тестирования клапанов по месту.Кнопочный пост должен иметь кнопку с возвратом в исходное состояние и 1 нормально закрытый контакт (в исходном положении контакты замкнуты). При нажатии на кнопку "ТЕСТ КЛАПАНА" на кнопочном посту, происходит снятие напряжения с привода и под действием пружины клапан закрывается. На шкафу управления гаснет индикатор "КЛАПАН НОРМА" и загорается индикатор "КЛАПАН СРАБОТАЛ". Кнопочные посты работают только в режиме "ТЕСТ КЛАПАНОВ". В базовой комплектации шкафа ШУПК-НЗ клеммы для подключения кнопочных постов ОТСУТСТВУЮТ! Если шкаф не имеет в составе клемм для подключения кнопочных постов, при нажатии на кнопку "ТЕСТ КЛАПАНОВ" все клапана закрываются одновременно.
Контроль цепей на обрыв и короткое замыкание (индекс -К-). При замыкании или обрыве цепей управления клапаном шкаф выдает сигнал неисправности в систему диспетчеризации. Так же на шкафу загорается индикатор "АВАРИЯ КЛАПАНА" и включается звуковой сигнал.
Опция LCD- Данная опция позволяет удаленно контролировать состояние каждого клапана и шкафа управления в целом. Функция полезна в том случае если на объекте нет никакой системы диспетчеризации в которую возможно интегрировать контроль за состоянием системы противопожарных клапанов и вентиляторов. Вся информация о клапанах, вентиляторах, состояние питающей сети, режиме работы шкафов передается по интерфейсу от шкафов на панель индикации. Панель индикации представляет собой шкаф размером 395х300мм, с установленным HMI интерфейсом с сенсорным экраном. На экране имеется возможность путем перелистывания экранов контролировать состояние каждого шкафа в сети.
Опция Bolid- Опция позволяет интегрировать шкафы управления клапанами, вентиляторами, насосами и другим оборудованием ЭнергоАвтоматик в систему АРМ ОРИОН. Сигналы о состоянии каждого шкафа, исполнительного устройства или датчика дублируется в интерфейс RS485 по протоколу ОРИОН.
Мощность типовых шкафов управления противопожарными клапанами
Артикул | Мощность | Артикул | Мощность | Артикул | Мощность |
ШУПК-НЗ-01-230П | 211 Вт | ШУПК-НЗ-16-230П | 412 Вт | ШУПК-НЗ-31-230П | 712 Вт |
ШУПК-НЗ-02-230П | 222 Вт | ШУПК-НЗ-17-230П | 424 Вт | ШУПК-НЗ-32-230П | 724 Вт |
ШУПК-НЗ-03-230П | 235 Вт | ШУПК-НЗ-18-230П | 436 Вт | ШУПК-НЗ-33-230П | 736 Вт |
ШУПК-НЗ-04-230П | 247 Вт | ШУПК-НЗ-19-230П | 448 Вт | ШУПК-НЗ-34-230П | 748 Вт |
ШУПК-НЗ-05-230П | 259 Вт | ШУПК-НЗ-20-230П | 460 Вт | ШУПК-НЗ-35-230П | 760 Вт |
ШУПК-НЗ-06-230П | 271 Вт | ШУПК-НЗ-21-230П | 472 Вт | ШУПК-НЗ-36-230П | 772 Вт |
ШУПК-НЗ-07-230П | 283 Вт | ШУПК-НЗ-22-230П | 484 Вт | ШУПК-НЗ-37-230П | 784 Вт |
ШУПК-НЗ-08-230П | 295 Вт | ШУПК-НЗ-23-230П | 496 Вт | ШУПК-НЗ-38-230П | 796 Вт |
ШУПК-НЗ-09-230П | 307 Вт | ШУПК-НЗ-24-230П | 508 Вт | ШУПК-НЗ-39-230П | 808 Вт |
ШУПК-НЗ-10-230П | 319 Вт | ШУПК-НЗ-25-230П | 520 Вт | ШУПК-НЗ-40-230П | 820 Вт |
ШУПК-НЗ-11-230П | 331 Вт | ШУПК-НЗ-26-230П | 532 Вт | ШУПК-НЗ-41-230П | 832 Вт |
ШУПК-НЗ-12-230П | 343 Вт | ШУПК-НЗ-27-230П | 544 Вт | ШУПК-НЗ-42-230П | 844 Вт |
ШУПК-НЗ-13-230П | 355 Вт | ШУПК-НЗ-28-230П | 556 Вт | ШУПК-НЗ-43-230П | 856 Вт |
ШУПК-НЗ-14-230П | 367 Вт | ШУПК-НЗ-29-230П | 568 Вт | ШУПК-НЗ-44-230П | 868 Вт |
ШУПК-НЗ-15-230П | 379 Вт | ШУПК-НЗ-30-230П | 580 Вт | ШУПК-НЗ-45-230П | 880 Вт |
Размеры шкафов в типовом исполнении, без диспетчеризации. С контролем цепей управления, без интерфейса RS485.
Артикул | Размеры | Артикул | Размеры | Артикул | Размеры |
ШУПК-НЗ-01-230П | 395x310x220мм. | ШУПК-НЗ-16-230П | 800x650x250мм. | ШУПК-НЗ-31-230П | 1200x750x250мм |
ШУПК-НЗ-02-230П | 395x310x220мм. | ШУПК-НЗ-17-230П | 800x650x250мм. | ШУПК-НЗ-32-230П | 1200x750x250мм |
ШУПК-НЗ-03-230П | 395x310x220мм. | ШУПК-НЗ-18-230П | 800x650x250мм. | ШУПК-НЗ-33-230П | 1200x750x250мм |
ШУПК-НЗ-04-230П | 500x400x220мм. | ШУПК-НЗ-19-230П | 800x650x250мм. | ШУПК-НЗ-34-230П | 1200x750x250мм |
ШУПК-НЗ-05-230П | 500x400x220мм. | ШУПК-НЗ-20-230П | 800x650x250мм. | ШУПК-НЗ-35-230П | 1200x750x250мм |
ШУПК-НЗ-06-230П | 500x400x220мм. | ШУПК-НЗ-21-230П | 800x650x250мм. | ШУПК-НЗ-36-230П | 1400x750x250мм |
ШУПК-НЗ-07-230П | 500x400x220мм. | ШУПК-НЗ-22-230П | 800x650x250мм. | ШУПК-НЗ-37-230П | 1400x750x250мм |
ШУПК-НЗ-08-230П | 650x500x220мм. | ШУПК-НЗ-23-230П | 800x650x250мм. | ШУПК-НЗ-38-230П | 1400x750x250мм |
ШУПК-НЗ-09-230П | 650x500x220мм. | ШУПК-НЗ-24-230П | 1000x650x250мм. | ШУПК-НЗ-39-230П | 1400x750x250мм |
ШУПК-НЗ-10-230П | 650x500x220мм. | ШУПК-НЗ-25-230П | 1000x650x250мм | ШУПК-НЗ-40-230П | 1600x600x400мм |
ШУПК-НЗ-11-230П | 650x500x220мм. | ШУПК-НЗ-26-230П | 1000x650x250мм | ШУПК-НЗ-41-230П | 1600x600x400мм |
ШУПК-НЗ-12-230П | 650x500x220мм. | ШУПК-НЗ-27-230П | 1000x650x250мм | ШУПК-НЗ-42-230П | 1600x600x400мм |
ШУПК-НЗ-13-230П | 650x500x220мм. | ШУПК-НЗ-28-230П | 1000x650x250мм | ШУПК-НЗ-43-230П | 1600x600x400мм |
ШУПК-НЗ-14-230П | 650x500x220мм. | ШУПК-НЗ-29-230П | 1000x650x250мм | ШУПК-НЗ-44-230П | 1600x600x400мм |
ШУПК-НЗ-15-230П | 650x500x220мм. | ШУПК-НЗ-30-230П | 1000x650x250мм | ШУПК-НЗ-45-230П | 1600x800x400мм |