Вы здесь

Системы автоматического управления 

Система автоматизации САn (где n обозначает тип) представляет собой типовые решения по управлению приточно-вытяжными установками серии KLG. Эти решения разработаны с учетом требований проектных организаций, действующих нормативов РФ и на основе обширного практического опыта создания подобных систем.

При поставке в комплекте и отсутствии других указаний, система автоматики устанавливается на оборудование на заводе. Исключением являются датчики температуры наружного, приточного и комнатного воздуха, а также датчик температуры обратного теплоносителя — они монтируются на месте установки.

Также возможна разработка индивидуальной системы управления по техническому заданию заказчика.

Основные функции блока управления

  • Включение и выключение в ручном режиме
  • Поддержание заданной температуры приточного воздуха
  • Регулирование температуры обратного теплоносителя
  • Управление воздушными заслонками
  • Контроль и управление вентиляторами
  • Работа с теплоутилизаторами, насосами, увлажнителями и осушителями
  • Контроль загрязнённости фильтров
  • Автоматическое отключение при срабатывании противопожарной системы
  • Остановка при аварийной ситуации
  • Защита водяного калорифера от замерзания
  • Предотвращение перегрева электрического нагревателя
  • Защита электрических цепей от перегрузки и короткого замыкания
  • Режимы «Зима» и «Лето» с ручным или автоматическим переключением

Дополнительные функции

  • Управление частотой вращения вентиляторов через преобразователь частоты
  • Дистанционный запуск и остановка
  • Программируемый таймер включения и отключения
  • Интеграция с диспетчерскими системами через интерфейсы RS485 или Ethernet (в зависимости от контроллера)

Алгоритм работы базовой системы СА-1

Режим «Рабочий – ЗИМА»

  • Нажатие кнопки «Пуск» открывает регулирующий вентиль и включает насос для прогрева калорифера
  • Далее прогреваются лопатки воздушного клапана
  • После прогрева открывается воздушный клапан
  • Затем включается приточный вентилятор
  • Запускается функция «Плавный пуск»
  • После завершения плавного пуска и при отсутствии угрозы замерзания начинается регулировка температуры по датчику
  • Если фиксируется отклонение по температуре обратного теплоносителя, включается соответствующее регулирование
  • При угрозе замерзания клапан полностью открывается, насос продолжает работу, установка переходит в дежурный режим

Режим «Рабочий – ЛЕТО»

  • Нажатие «Пуск» вызывает открытие воздушного клапана
  • Запускается вентилятор
  • Температурное регулирование не осуществляется
  • Циркуляционный насос отключен
  • Происходит мониторинг параметров
  • Если температура в канале опускается ниже аварийного значения, установка переходит в дежурный режим

Режим «Дежурный – ЗИМА»

  • Воздушный клапан остается закрытым
  • Вентилятор не работает
  • Температура притока не регулируется, но параметры измеряются
  • Температура обратного теплоносителя поддерживается на заданном уровне
  • Циркуляционный насос включается при необходимости

Режим «Дежурный – ЛЕТО»

  • Воздушный клапан закрыт
  • Циркуляционный насос отключен
  • Вентилятор не работает
  • Температура притока и обратного теплоносителя не регулируется
  • Производится только измерение параметров

Алгоритм работы системы с защитой от замораживания САЗМ

Режим «Рабочий – ЗИМА»

  1. При нажатии кнопки «Пуск» начинается прогрев лопаток воздушного клапана;
  2. После прогрева, открывается воздушный клапан;
  3. После открытия воздушного клапана запускается электродвигатель приточного вентилятора;
  4. Если температура обратного теплоносителя или температура воздуха за калорифером опускаются ниже заданной уставки, установка переходит в дежурный режим.

Режим «Рабочий – ЛЕТО»

  1. При нажатии кнопки «Пуск» открывается воздушный клапан;
  2. После открытия воздушного клапана запускается электродвигатель приточного вентилятора;
  3. Если температура воздуха за калорифером опускаются ниже заданной уставки, установка переходит в дежурный режим.

Режим «Дежурный – ЗИМА» и «Дежурный – ЛЕТО»

  1. Воздушный клапан закрыт;
  2. Приточный вентилятор не работает;

Функции блока управления

  • Прогрев и открытие воздушной заслонки;
  • Управление вентилятором;
  • Защита водяного калорифера от замораживания;
  • Защита электрических цепей от перегрузки и короткого замыкания;

Возможные дополнительные функции блока управления

  • Контроль загрязнения воздушных фильтров;
  • Контроль состояния вентиляторов;
  • Подключение блока управления к системе диспетчеризации по стандартным интерфейсам (RS485, Ethernet).

Стандартные функциональные схемы

Стандартные функциональные схемы

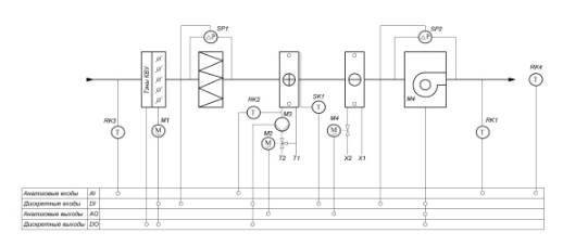
Система автоматики с водяным нагревателем СА-1

Регулирование: Температура приточного воздуха (нагрев).

Функции:

  1. Прогрев воздушного клапана перед открытием;
  2. Прогрев калорифера перед запуском вентилятора;
  3. Защита от замораживания водяного калорифера;
  4. Контроль запыленности воздушного фильтра;
  5. Контроль работы вентилятора;
  6. Защита от перегрузок и коротких замыканий в электрических цепях;
  7. Индикация аварийных состояний.

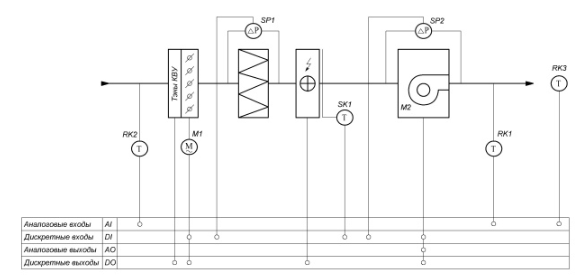
Система автоматики с водяным калорифером и рециркуляцией СА-2

Регулирование: Температура приточного воздуха (нагрев).

Функции:

  1. Прогрев воздушного клапана перед открытием;
  2. Прогрев калорифера перед запуском вентилятора;
  3. Защита от замораживания водяного калорифера;
  4. Контроль запыленности воздушного фильтра;
  5. Контроль работы вентилятора;
  6. Защита от перегрузок и коротких замыканий в электрических цепях;
  7. Индикация аварийных состояний.

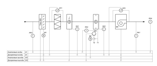
Система автоматики с водяным калорифером и резервным вентилятором СА-3

Регулирование: Температура приточного воздуха (нагрев).

Функции:

  1. Прогрев воздушного клапана перед открытием;
  2. Прогрев калорифера перед запуском вентилятора;
  3. Защита от замораживания водяного калорифера;
  4. Контроль запыленности воздушного фильтра;
  5. Контроль работы вентилятора;
  6. Автоматическое включение резервного вентилятора при аварии основного вентилятора;
  7. Защита от перегрузок и коротких замыканий в электрических цепях;
  8. Индикация аварийных состояний.

Система автоматики с водяным нагревателем и водяным охладителем СА-4

Регулирование: Температура приточного воздуха (нагрев или охлаждение).

Функции:

  1. Прогрев воздушного клапана перед открытием;
  2. Прогрев калорифера перед запуском вентилятора;
  3. Защита от замораживания водяного калорифера;
  4. Контроль запыленности воздушного фильтра;
  5. Контроль работы вентилятора;
  6. Защита от перегрузок и коротких замыканий в электрических цепях;
  7. Индикация аварийных состояний.

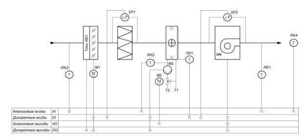
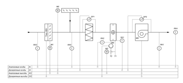
Система автоматики с пластинчатым теплоутилизатором и двухступенчатым водяным нагревателем СА-5

Регулирование: Температура приточного воздуха (нагрев).

Функции:

  1. Прогрев воздушного клапана перед открытием;
  2. Прогрев калорифера перед запуском вентилятора;
  3. Защита от замораживания водяного калорифера и теплоутилизатора;
  4. Контроль запыленности воздушного фильтра;
  5. Контроль работы вентилятора;
  6. Защита от перегрузок и коротких замыканий в электрических цепях;
  7. Индикация аварийных состояний.

Система автоматики с пластинчатым теплоутилизатором и двухступенчатым водяным нагревателем и водяным охладителем СА-6

Регулирование: Температура приточного воздуха (нагрев или охлаждение).

Функции:

  1. Прогрев воздушного клапана перед открытием;
  2. Прогрев калорифера перед запуском вентилятора;
  3. Защита от замораживания водяного калорифера и теплоутилизатора;
  4. Контроль запыленности воздушного фильтра;
  5. Контроль работы вентилятора;
  6. Защита от перегрузок и коротких замыканий в электрических цепях;
  7. Индикация аварийных состояний.

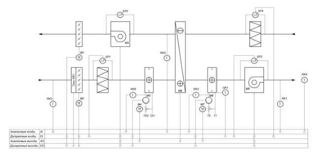
Система автоматики с роторным теплоутилизатором и водяным нагревателем СА-7

Регулирование: Температура приточного воздуха (нагрев).

Функции:

  1. Прогрев воздушного клапана перед открытием;
  2. Прогрев калорифера перед запуском вентилятора;
  3. Защита от замораживания водяного калорифера и теплоутилизатора;
  4. Контроль запыленности воздушного фильтра;
  5. Контроль работы вентилятора;
  6. Защита от перегрузок и коротких замыканий в электрических цепях;
  7. Индикация аварийных состояний.

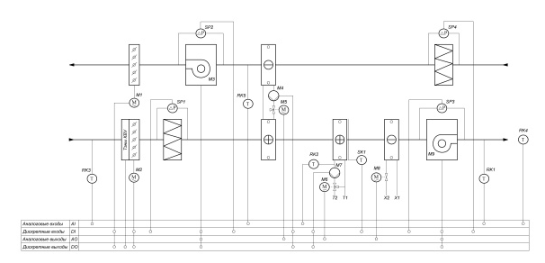
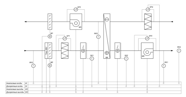
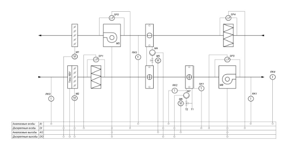
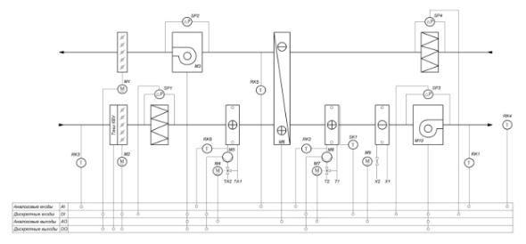
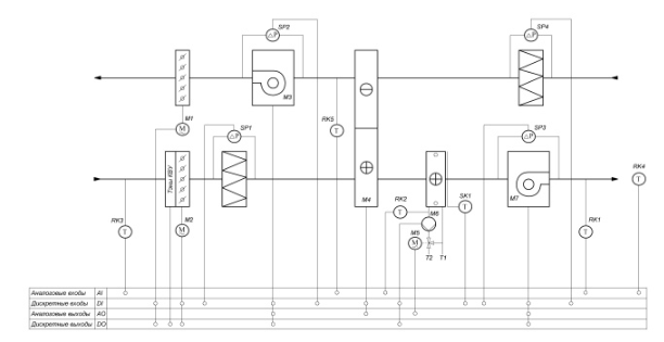
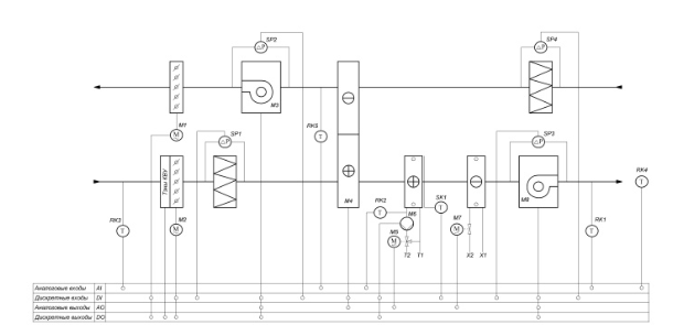
Система автоматики с роторным теплоутилизатором, водяным нагревателем и водяным охладителем СА-8

Регулирование: Температура приточного воздуха (нагрев или охлаждение).

Функции:

  1. Прогрев воздушного клапана перед открытием;
  2. Прогрев калорифера перед запуском вентилятора;
  3. Защита от замораживания водяного калорифера и теплоутилизатора;
  4. Контроль запыленности воздушного фильтра;
  5. Контроль работы вентилятора;
  6. Защита от перегрузок и коротких замыканий в электрических цепях;
  7. Индикация аварийных состояний.

Система автоматики с теплоутилизатором с промежуточным теплоносителем и водяным нагревателем СА-9

Регулирование: Температура приточного воздуха (нагрев).

Функции:

  1. Прогрев воздушного клапана перед открытием;
  2. Прогрев калорифера перед запуском вентилятора;
  3. Защита от замораживания водяного калорифера;
  4. Контроль запыленности воздушного фильтра;
  5. Контроль работы вентилятора;
  6. Защита от перегрузок и коротких замыканий в электрических цепях;
  7. Индикация аварийных состояний.

Система автоматики с теплоутилизатором с промежуточным теплоносителем, водяным нагревателем водяным охладителем СА-10

Регулирование: Температура приточного воздуха (нагрев или охлаждение).

Функции:

  1. Прогрев воздушного клапана перед открытием;
  2. Прогрев калорифера перед запуском вентилятора;
  3. Защита от замораживания водяного калорифера;
  4. Контроль запыленности воздушного фильтра;
  5. Контроль работы вентилятора;
  6. Защита от перегрузок и коротких замыканий в электрических цепях;
  7. Индикация аварийных состояний.

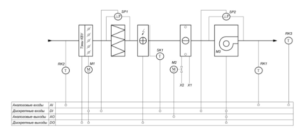
Система автоматики с электрическим калорифером СА-11

Регулирование: Температура приточного воздуха (нагрев).

Функции:

  1. Прогрев воздушного клапана перед открытием;
  2. Прогрев калорифера перед запуском вентилятора;
  3. Защита от перегрева электрического калорифера;
  4. Контроль запыленности воздушного фильтра;
  5. Контроль работы вентилятора;
  6. Защита от перегрузок и коротких замыканий в электрических цепях;
  7. Индикация аварийных состояний.

Система автоматики с электрическим калорифером и водяным охладителем СА-12

Регулирование: Температура приточного воздуха (нагрев или охлаждение).

Функции:

  1. Прогрев воздушного клапана перед открытием;
  2. Прогрев калорифера перед запуском вентилятора;
  3. Защита от перегрева электрического калорифера;
  4. Контроль запыленности воздушного фильтра;
  5. Контроль работы вентилятора;
  6. Защита от перегрузок и коротких замыканий в электрических цепях;
  7. Индикация аварийных состояний.

Система автоматики с электрическим калорифером и водяным нагревателем СА-13

Регулирование: Температура приточного воздуха (нагрев).

Функции:

  1. Прогрев воздушного клапана перед открытием;
  2. Прогрев калорифера перед запуском вентилятора;
  3. Защита от перегрева электрического калорифера;
  4. Защита от замораживания водяного калорифера;
  5. Контроль запыленности воздушного фильтра;
  6. Контроль работы вентилятора;
  7. Защита от перегрузок и коротких замыканий в электрических цепях;
  8. Индикация аварийных состояний.

Система автоматики с пластинчатым теплоутилизатором и электрическим калорифером СА-14

Регулирование: Температура приточного воздуха (нагрев).

Функции:

  1. Прогрев воздушного клапана перед открытием;
  2. Прогрев калорифера перед запуском вентилятора;
  3. Защита от перегрева электрического калорифера;
  4. Защита от замораживания теплоутилизатора;
  5. Контроль запыленности воздушного фильтра;
  6. Контроль работы вентилятора;
  7. Защита от перегрузок и коротких замыканий в электрических цепях;
  8. Индикация аварийных состояний.

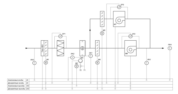
Система автоматики с водяным нагревателем, с камерой увлажнения и водяным охладителем СА-15

Регулирование: Температура приточного воздуха (нагрев или охлаждение);

Влажность приточного воздуха.

Функции:

  1. Прогрев воздушного клапана перед открытием;
  2. Прогрев калорифера перед запуском вентилятора;
  3. Защита от замораживания водяного калорифера;
  4. Контроль запыленности воздушного фильтра;
  5. Контроль работы вентилятора;
  6. Защита от перегрузок и коротких замыканий в электрических цепях;
  7. Индикация аварийных состояний.

Основные параметры щитов управления

Исполнение щита – настенное, подключение кабелей – снизу, степень защиты – IP54.

Габариты щитов

Габариты, мм Система автоматики Вес, кг
600х600х200 СА-1 (по 18,5 кВт) САЗМ (по 18,5 кВт) 11
1000х700х225 СА-1 (с 18,5 кВт по 22,5 кВт) СА1 (с ПЧ до 5,5 кВт) 19
1150х700х325 СА-1 (до 55 кВт) СА-1 (с ПЧ до 22 кВт) 42
1350х700х325 СА-1 (с ПЧ до 55 кВт) САЗМ (до 55 кВт) 72

Допустимая длина линии между щитом управления и датчиками

Сечение медного кабеля, мм2 Длина линии, м
0,75 20
1,0 80
1,5 120
Назад к списку