Вы здесь

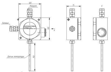
Датчик-реле температуры взрывобезопасный УВТР-10Б.D.R.LK с защитной колбой 

Термостат не имеет собственного электропотребления.

Капиллярный регулируемый термостат состоит из двух основных частей ― переключающего устройства и капиллярного температурного датчика.

Технические параметры

Материал капилляра и датчика: нержавеющая сталь

Датчик-реле температуры УВТР-10Б.D.R.LK предназначен для контроля, сигнализации и регулирования температуры жидких и газообразных сред, , холодильных установках угольных шахт и других взрывоопасных помещениях, где могут образовываться взрывоопасные смеси

Датчик-реле температуры взрывобезопасный УВТР-10Б.D.R.LK с защитной колбой

Назад к списку