Вы здесь
Капиллярные термостаты KRT
Капиллярные термостаты KRT применяются для управления обогревом/ охлаждением. Могут быть одно- или двухступенчатые, с открытой или внутренней шкалой настройки.
KRT2800 двухступенчатый с регулируемым зазором срабатывания между ступенями (1-4гр). KRT1901 имеет диапазон настройки -35- +10?С. Высокий класс защиты IP44/55.
Технические характеристики термостатов KRT
| Модель | Максим. ток | Диапазон установки | Зазор срабатывания | Класс защиты | Габариты | ||||||
| [A] | [°C] | [K] | [IP] | [мм] | |||||||
| KRT1900 | 16/10, 230/400B~ | 0–40 | 1,0 | IP55 | 165x57x60 | ||||||
| KRT1901 | 16/10, 230/400B~ | -35–+10 | 1,0 | IP55 | 165x57x60 | ||||||
| KRTV19 | 16/10, 230/400B~ | 0–40 | 1,0 | IP44 | 165x57x60 | ||||||
| KRT2800 | 16/10, 230/400B~ | 0–40 | 1,0 | IP55 | 165x57x60 | ||||||
*) При Δt≥2K-100%, при 1К≤Δt≤2K-50%, при 0,5К≤Δt≤1K-25% Модели серии Т имеют следующее расширение: К = шкала, S = кнопка включения, D = дисплей, В = биметаллический.
Функции термостатов KRT
| Функции | KRT1900/1901 | KRTV19 | KRT2800 | ||||
| Встроенный сенсор Внешний сенсор |
X | X | X | ||||
| Сухой контакт | X | X | X | ||||
| Однополюсной, разрыв Однополюсной, переменный контакт |
X | X | X | ||||
| Внутренняя шкала | X | - | X | ||||
| Электронные Ускоритель срабатывания Капиллярные термостаты |
X | X | X | ||||
| Применение для систем обогрева или охлаждения | X | X | X | ||||
| 2-х ступенчатые | - | - | X | ||||
| Регулируемая величина интервала срабатывания | - | - | X | ||||
*1 ) Внешний датчик (RTS01) поставляется как принадлежность.
*2 ) Может использоваться с внешним таймером.
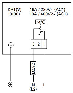
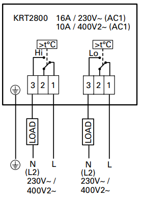
Схемы подключения термостатов KRT
.png)
.png)



