Вы здесь
Крановая букса колеса D 500
Крановая букса D 500 — это специализированный узел, предназначенный для размещения подшипников, в которые устанавливаются оси крановых колёс. Она играет важную роль в обеспечении прочного и стабильного соединения между колесом и рамой крана.
Назначение и устройство
Главная задача буксы — надёжно удерживать ось колеса и обеспечить его вращение с минимальным сопротивлением, выдерживая при этом значительные эксплуатационные нагрузки.
Конструктивно букса D 500 представляет собой корпус из прочного материала (чаще всего чугуна или стали), внутри которого размещаются подшипник качения и система смазки. Смазка подаётся через пресс-маслёнку, а встроенные каналы направляют её к трущимся поверхностям, увеличивая срок службы деталей.
Для работы в условиях невысокой скорости перемещения, характерной для кранов, преимущественно применяются подшипники качения — они хорошо переносят радиальные нагрузки и обладают высокой износостойкостью.
Конструктивные особенности
- Корпус из чугуна или стали обеспечивает надёжную защиту подвижных элементов.
 - Подшипники — как правило, качения, обеспечивают плавное вращение оси.
 - Смазочная система — состоит из резервуара, маслёнки и каналов подачи, предотвращает сухой ход.
 - Уплотнители защищают внутренние элементы от загрязнений, влаги и пыли.
 - Фиксация — букса крепится к каркасу с помощью прижимных пластин, исключающих смещение и упрощающих замену при необходимости.
 
Пример исполнения: букса для кранового колеса D 500
Данный тип буксы рассчитан на установку колеса диаметром 500 мм. Внутри размещаются вкладыши, через которые усилие от оси передаётся на корпус. Подшипники, как правило, скольжения.
Встроенные уплотнения не допускают попадания загрязнений в смазку, что особенно важно при эксплуатации в тяжёлых условиях — на открытых площадках, в пыльной или влажной среде.
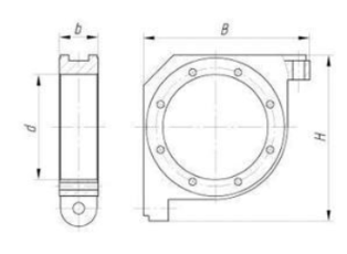
Габаритные размеры

| d | 240 мм | 
| B(H) | 365 мм | 
| b | 90 мм | 
			


