Вы здесь

Гермоклапан герметический с ручным приводом КГ-150 

Клапаны герметические вентиляционные с ручным приводом ГК-150 предназначены для установки в воздуховодных системах в качестве запорных устройств и служат для надёжного отключения помещений от наружной среды или одних помещений от других.

Основными комплектующими клапанов герметических с ручным приводом являются:

  • Корпус. Через него при открытой заслонке, в клапане герметическом с ручным приводом (тип КГ) – гермоклапане КГ-150 проходит воздушная среда;
  • Тарель. Перекрывающие устройство, выполняющее надежное герметичное перекрытие проходного сечения клапана герметического с ручным приводом (тип КГ) – гермоклапана КГ-150
  • Вал. Передает усилие от рукоятки через рычаг к тарели;
  • Рычаг. Прижимает заслонку к поверхности седла корпуса клапана;
  • Ось. Объединяет тарель с рычагом;
  • Пружина. Фиксирует тарель на потоке, содействует при открытии и закрытии клапана герметического с ручным приводом (тип КГ) – гермоклапана КГ-150;
  • Рукоятка. Поворачивает вал.

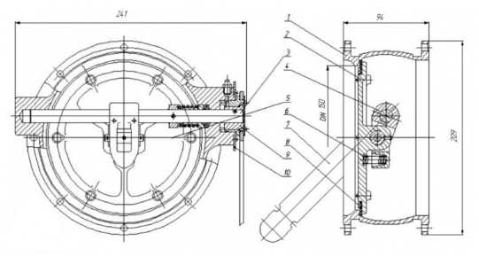
Основные комплектующие и принцип работы

  1. Корпус
  2. Тарель
  3. Вал
  4. Рычаг
  5. Ось
  6. Пружина
  7. Рукоятка
  8. Уплотнение
  9. Ограничитель
  10. Указатель

Корпус 1 клапана герметического вентиляционного (тип КГ) – гермоклапана КГ -150 с ручным приводом (см. рис. 1) при помощи ответных фланцев соединяется с воздуховодами. Торцы вентиляционных труб, между которыми устанавливается клапан герметический вентиляционный (тип КГ) – гермоклапан КГ-150 , должны быть в таком укрепленном положении, чтобы нагрузка от самого трубопровода не переносилась на болтовые сцепления фланцев.

При повороте рукоятки 7, соединенной с валом 3, проход клапана герметического с ручным приводом (тип КГ) – гермоклапана КГ-150 перекрывается тарелью 2. Тарель скреплена с рычагом 4 осью 5. Рычаг 4 совмещен с валом клапана герметического с ручным приводом (тип КГ) – гермоклапана КГ-150.

Открытие тарели клапана герметического с ручным приводом (тип КГ) – гермоклапана КГ-150 выполняется в два этапа:

  • сначала вал поворачивается на 20°-30° , одновременно тарель отходит от посадочной части корпуса клапана герметического с ручным приводом (тип КГ) – гермоклапана КГ-150, но не выполняет поворот, а фиксируется пружиной 6 в позиции, параллельной посадочному узлу корпуса.
  • при дальнейшем вращении вала на 90° тарель вместе с рычагом 4 также поворачивается и занимает положение, перпендикулярное посадочной части клапана герметического вентиляционного с ручным приводом (тип КГ) – гермоклапана КГ-150 и параллельном оси воздуховода, обеспечивая свободное прохождение воздушной среды.

Ограничителем движения заслонки в процессе открытия , служит заштифтованный на валу клапана герметического вентиляционного с ручным приводом (тип КГ) – гермоклапана КГ-150 ограничитель 9, который упирается в выступ на корпусе. Состояние клапана «открыто» или «закрыто» сообщается посредством указателя 10.

Комплектность КГ-150

  • клапан герметический с ручным приводом (тип КГ) – гермоклапан КГ-150 или партия клапанов герметических с ручным приводом (тип КГ) – гермоклапанов КГ-150;
  • руководство по эксплуатации и техническое описание – 1 экземпляр на каждый клапан герметический с ручным приводом (тип КГ);
  • ответные фланцы с крепежными деталями.

Обозначение КГ-150

Технические характеристики КГ-150

Параметр КГ-150
Номинальный диаметр, DN, мм 150
Рабочая среда Воздух вентиляционных систем
Температура рабочей среды, °C от -30 до +40
Рабочее давление Рр, Мпа (кгс/см 2 0,002 (0,02)
Присоединение к воздуховоду Фланцевое
Направление подачи среды На тарель (направление, усиливающее прижатие резинового уплотнения тарели к седлу корпуса клапана герметического с ручным приводом (тип КГ) гермоклапана в положении «закрыто»
Усилие на рукоятке, необходимое для закрытия клапана герметического с ручным приводом (тип КГ), гермоклапана, кг 20
Габаритные размеры ДxШxВ, мм 241x94x209
Масса, кг 3,7
Назад к списку