Вы здесь
Гермоклапан герметический с ручным приводом КГ-200
Клапаны герметические вентиляционные с ручным приводом КГ-200 предназначены для установки в воздуховодных системах в качестве запорных устройств и служат для надёжного отключения помещений от наружной среды или одних помещений от других.
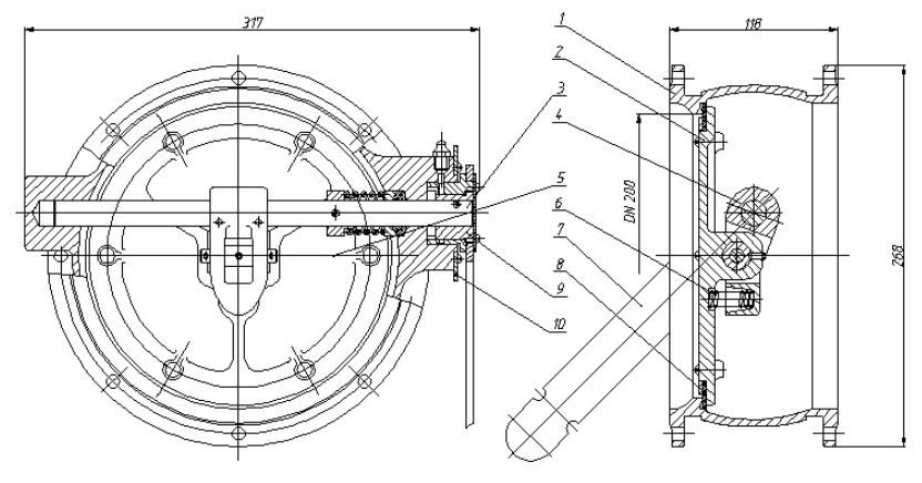
Основными комплектующими клапанов герметических с ручным приводом являются:
- Корпус. Через него, при открытой заслонке, в клапане герметическом с ручным приводом (тип КГ) – гермоклапане КГ-200 проходит воздушная среда;
- Тарель. Перекрывающие устройство, выполняющее надежное герметичное перекрытие проходного сечения клапана герметического с ручным приводом (тип КГ) – гермоклапана КГ-200;
- Вал. Передает усилие от рукоятки через рычаг к тарели;
- Рычаг. Прижимает заслонку к поверхности седла корпуса клапана;
- Ось. Объединяет тарель с рычагом;
- Пружина. Фиксирует тарель на потоке, содействует при открытии и закрытии клапана герметического с ручным приводом (тип КГ) – гермоклапана КГ-200;
- Рукоятка. Поворачивает вал.
Основные комплектующие и принцип работы

- Корпус
- Тарель
- Вал
- Рычаг
- Ось
- Пружина
- Рукоятка
- Уплотнение
- Ограничитель
- Указатель
Корпус 1 клапана герметического вентиляционного (тип КГ) – гермоклапана КГ -200 с ручным приводом (см. рис. 1) при помощи ответных фланцев соединяется с воздуховодами. Торцы вентиляционных труб, между которыми устанавливается клапан герметический вентиляционный (тип КГ) – гермоклапан КГ-200 , должны быть в таком укрепленном положении, чтобы нагрузка от самого трубопровода не переносилась на болтовые сцепления фланцев.
При повороте рукоятки 7, соединенной с валом 3, проход клапана герметического с ручным приводом (тип КГ) – гермоклапана КГ-200 перекрывается тарелью 2. Тарель скреплена с рычагом 4 осью 5. Рычаг 4 совмещен с валом клапана герметического с ручным приводом (тип КГ) – гермоклапана КГ-200.
Открытие тарели клапана герметического с ручным приводом (тип КГ) – гермоклапана КГ-200 выполняется в два этапа:
- сначала вал поворачивается на 20°-30° , одновременно тарель отходит от посадочной части корпуса клапана герметического с ручным приводом (тип КГ) – гермоклапана КГ-200, но не выполняет поворот, а фиксируется пружиной 6 в позиции, параллельной посадочному узлу корпуса.
- при дальнейшем вращении вала на 90° тарель вместе с рычагом 4 также поворачивается и занимает положение, перпендикулярное посадочной части клапана герметического вентиляционного с ручным приводом (тип КГ) – гермоклапана КГ-200 и параллельном оси воздуховода, обеспечивая свободное прохождение воздушной среды.
Ограничителем движения заслонки в процессе открытия , служит заштифтованный на валу клапана герметического вентиляционного с ручным приводом (тип КГ) – гермоклапана КГ-200 ограничитель 9, который упирается в выступ на корпусе. Состояние клапана «открыто» или «закрыто» сообщается посредством указателя 10.
Комплектность КГ-200
- клапан герметический с ручным приводом (тип КГ) – гермоклапан КГ-200 или партия клапанов герметических с ручным приводом (тип КГ) – гермоклапанов КГ-200;
- руководство по эксплуатации и техническое описание – 1 экземпляр на каждый клапан герметический с ручным приводом (тип КГ) ;
- паспорт – 1 экз. на каждый клапан клапан герметический с ручным приводом (тип КГ) – гермоклапан КГ-200;
- ответные фланцы с крепежными деталями.
Обозначение КГ-200

Технические характеристики КГ-200
| Параметр | КГ-200 | |
| Номинальный диаметр, DN, мм | 200 | |
| Рабочая среда | Воздух вентиляционных систем | |
| Температура рабочей среды, °C | от -30 до +40 | |
| Рабочее давление Рр, Мпа (кгс/см 2 | 0,002 (0,02) | |
| Присоединение к воздуховоду | Фланцевое | |
| Направление подачи среды | На тарель (направление, усиливающее прижатие резинового уплотнения тарели к седлу корпуса клапана герметического с ручным приводом (тип КГ) гермоклапана в положении «закрыто» | |
| Усилие на рукоятке, необходимое для закрытия клапана герметического с ручным приводом (тип КГ), гермоклапана, кг | 22 | |
| Габаритные размеры ДxШxВ, мм | 317x119x268 | |
| Масса, кг | 6,9 | |



