Вы здесь

Гермоклапан герметический с ручным приводом КГ-300 

Клапаны герметические вентиляционные с ручным приводом КГ-300 предназначены для установки в воздуховодных системах в качестве запорных устройств и служат для надёжного отключения помещений от наружной среды или одних помещений от других.

Основными комплектующими клапанов герметических с ручным приводом являются:

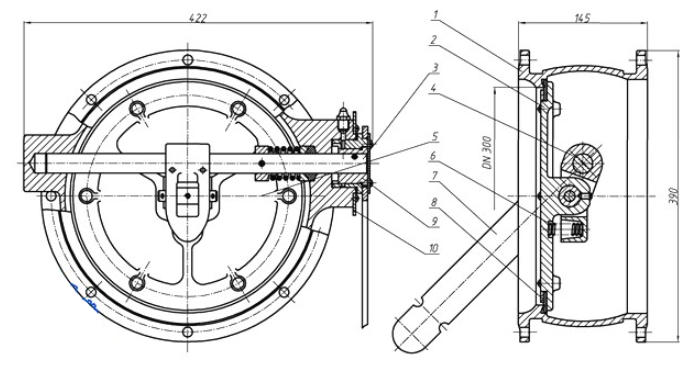
  1. Корпус. Через него при открытой заслонке , в клапане герметическом с ручным приводом (тип КГ) – гермоклапане КГ-300 проходит воздушная среда;
  2. Тарель. Перекрывающие устройство, выполняющее надежное герметичное перекрытие проходного сечения клапана герметического с ручным приводом (тип КГ) – гермоклапана КГ-300
  3. Вал. Передает усилие от рукоятки через рычаг к тарели;
  4. Рычаг. Прижимает заслонку к поверхности седла корпуса клапана
  5. Ось. Объединяет тарель с рычагом;
  6. Пружина. Фиксирует тарель на потоке, содействует при открытии и закрытии клапана герметического с ручным приводом (тип КГ) – гермоклапана КГ-300;
  7. Рукоятка. Поворачивает вал.

Основные комплектующие и принцип работы

  1. Корпус
  2. Тарель
  3. Вал
  4. Рычаг
  5. Ось
  6. Пружина
  7. Рукоятка
  8. Уплотнение
  9. Ограничитель
  10. Указатель

Корпус 1 клапана герметического вентиляционного (тип КГ) – гермоклапана КГ -300 с ручным приводом (см. рис. 1) при помощи ответных фланцев соединяется с воздуховодами. Торцы вентиляционных труб, между которыми устанавливается клапан герметический вентиляционный (тип КГ) – гермоклапан КГ-300 , должны быть в таком укрепленном положении, чтобы нагрузка от самого трубопровода не переносилась на болтовые сцепления фланцев.

При повороте рукоятки 7, соединенной с валом 3, проход клапана герметического с ручным приводом (тип КГ) – гермоклапана КГ-300 перекрывается тарелью 2. Тарель скреплена с рычагом 4 осью 5. Рычаг 4 совмещен с валом клапана герметического с ручным приводом (тип КГ) – гермоклапана КГ-300.

Открытие тарели клапана герметического с ручным приводом (тип КГ) – гермоклапана КГ-300 выполняется в два этапа:

  • сначала вал поворачивается на 20°-30° , одновременно тарель отходит от посадочной части корпуса клапана герметического с ручным приводом (тип КГ) – гермоклапана КГ-300, но не выполняет поворот, а фиксируется пружиной 6 в позиции, параллельной посадочному узлу корпуса.
  • при дальнейшем вращении вала на 90° тарель вместе с рычагом 4 также поворачивается и занимает положение, перпендикулярное посадочной части клапана герметического вентиляционного с ручным приводом (тип КГ) – гермоклапана КГ-300 и параллельном оси воздуховода, обеспечивая свободное прохождение воздушной среды.

Ограничителем движения заслонки в процессе открытия , служит заштифтованный на валу клапана герметического вентиляционного с ручным приводом (тип КГ) – гермоклапана КГ-300 ограничитель 9, который упирается в выступ на корпусе. Состояние клапана «открыто» или «закрыто» сообщается посредством указателя 10.

Комплектность КГ-300

  • клапан герметический с ручным приводом (тип КГ) – гермоклапан КГ-300 или партия клапанов герметических с ручным приводом (тип КГ) – гермоклапанов КГ-300;
  • руководство по эксплуатации и техническое описание – 1 экземпляр на каждый клапан герметический с ручным приводом (тип КГ) ;
  • паспорт – 1 экз. на каждый клапан клапан герметический с ручным приводом (тип КГ) – гермоклапан КГ-300 ;
  • ответные фланцы с крепежными деталями.

Обозначение КГ-300

Технические характеристики КГ-300

Параметр КГ-300
Номинальный диаметр, DN, мм 300
Рабочая среда Воздух вентиляционных систем
Температура рабочей среды, °C от -30 до +40
Рабочее давление Рр, Мпа (кгс/см 2 0,002 (0,02)
Присоединение к воздуховоду Фланцевое
Направление подачи среды На тарель (направление, усиливающее прижатие резинового уплотнения тарели к седлу корпуса клапана герметического с ручным приводом (тип КГ) гермоклапана в положении «закрыто»
Усилие на рукоятке, необходимое для закрытия клапана герметического с ручным приводом (тип КГ), гермоклапана, кг 30
Габаритные размеры ДxШxВ, мм 421x151x390
Масса, кг 11,9
Назад к списку