Вы здесь

Клапан герметический вентиляционный ГК ИА 01009-400 

Герметичный вентиляционный клапан ГК ИА 01009-400 предназначен для установки на воздуховодах вентиляционных систем, работающих при относительной влажности до 98% и температуре от 243 К до 323 К (от -30 °C до +50 °C). Он выполняет функцию запорного устройства при давлении среды в трубопроводе в пределах 0,005–0,006 МПа (0,05–0,06 кгс/см²).

Клапаны этой серии предназначены для полной герметичной изоляции помещений от внешней среды или других помещений.

Клапан ГК ИА 01009-400 управляется с помощью электропривода, который подбирается по согласованию с заказчиком.

Клапан может быть установлен в любом положении, при котором электропривод функционирует корректно и не препятствует управлению клапаном.

Основными  комплектующими клапанов герметических вентиляционных являются:

  • Корпус. Через него при открытой заслонке клапана герметического вентиляционного (тип ГК ИА) – гермоклапана ГК ИА 01009-400 проходит среда.
  • Тарель. Перекрывающее устройство, которое обеспечивает герметичное закрытие пропускного канала  клапана герметического вентиляционного (тип ГК ИА) – гермоклапана ГК ИА 01009-400;
  • Рычаг. Прижимает тарель к поверхности седла корпуса клапана;
  • Ось. Соединяет тарель с рычагом;
  • Пружина. Фиксирует тарель на потоке, содействует  при открытии и закрытии клапана герметического вентиляционного (тип ГК ИА) – гермоклапана ГК ИА 01009-400;
  • Вал. Подает движение от привода через рычаг тарели;
  • Электропривод. Передает вращение на вал;
  • Ограничитель. Создает условия работы клапана герметического вентиляционного (тип ГК ИА) – гермоклапана ГК ИА 01010-600 при любом расположении вала. Крепится на валу с помощью штифта, исполняя при этом функции упорного подшипника.

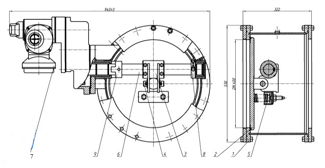
Основные комплектующие и принцип работы

  1. Корпус
  2. Тарел
  3. Рычаг
  4. Ось
  5. Пружина
  6. Вал
  7. Электропривод
  8. Кольцо
  9. Ограничитель

Корпус 1 клапана герметического вентиляционного (тип ГК ИА) – гермоклапана ГК ИА 01009-400 с электроприводом (см. рис. 1) при помощи ответных фланцев соединяется с воздуховодами. Торцы вентиляционных труб, между которыми устанавливается клапан герметический вентиляционный (тип ГК ИА) – гермоклапан ГК ИА 01009-400, должны быть в таком укрепленном положении, чтобы нагрузка от  самого трубопровода не переносилась на болтовые сцепления фланцев.

В процессе открытия клапана герметического вентиляционного (тип ГК ИА) – гермоклапана ГК ИА 01009-400 электропривод подает вращение на вал 6, соединенного с тарелью 2. В начале поворота вала на 20°-30° тарель отсоединяется от седла корпуса клапана герметического вентиляционного (тип ГК ИА) – гермоклапана ГК ИА 01009-400, проворачиваясь, что достигается с помощью трех пружин 5.

При последующем повороте вала на 90°, тарель вместе с рычагом 3 становится параллельно линии оси прохода клапана герметического вентиляционного (тип ГК ИА) – гермоклапана ГК ИА 01009-400,  создавая условия для свободного прохождения воздушной среды. Движение вала прекращается при срабатывании микровыключателя, который приостанавливает цепь управления электродвигателем.

Закрытие  клапана герметического вентиляционного (тип ГК ИА) – гермоклапана ГК ИА 01009-400 происходит в обратной последовательности. Тарель снова поворачивается на 90°, и останавливается параллельно посадочной части. Далее, при последующем повороте вала на 20-30° плотно притягивается к посадочной части корпуса. Вращение вала останавливается при срабатывании  микропереключателя, который разъединяет цепь электропривода.

Устройство электропривода допускает выполнять:

  • дистанционную или местную сигнализацию конечных положений запорного механизма «открыто» – «закрыто»;
  • автоматическую приостановку запорного устройства при достижении конечных положений;
  • автоматическую приостановку запорного устройства  при превышении заданного крутящего момента.

Герметичность мест выхода вала создается  резиновыми уплотнительными кольцами.

Комплектность ГК ИА 01009-400

  • клапан герметический вентиляционный (тип ГК ИА) – гермоклапан ГК ИА 01009-400  с электроприводом или партия клапанов герметических вентиляционных (тип ГК ИА) – гермоклапанов ГК ИА 01009-400 с электроприводами.
  • паспорт – 1 экземпляр на каждый клапан герметический вентиляционный (тип ГК ИА) – гермоклапан ГК ИА 01009-400;
  • руководство по эксплуатации и техническое описание – 1 экземпляр на каждый клапан герметический вентиляционный (тип ГК ИА) – гермоклапан ГК ИА 01009-400;
  • паспорт, техническое описание, инструкция по монтажу и эксплуатации электропривода;
  • ответные фланцы с  и крепежными элементами .

Обозначение ГК ИА 01009-400

Технические характеристики ГК ИА 01009-400

Параметр ГК ИА 01009-400
Номинальный диаметр DN, мм 400
Рабочая среда Воздух вентиляционных систем
Температура рабочей среды, °С От -30 до +50
Рабочее давление, Р, МПА (кгс/см2) 0,005 (0,05)
Присоединение к воздуховоду Фланцевое с ответными фланцами
Вид управления Электропривод
Установочное положение Допускаемое электроприводом. Предпочтительнее-установка клапана герметического вентиляционного типа (тип ГК ИА) – гермоклапана с горизонтальным положением вала
Направление подачи среды На тарель (направление, усиливающее прижатие резинового уплотнения тарели к седлу корпуса в положение «закрыто»
Габаритные размеры ДхШхВ, мм 940х322х5 30
Масса, не более, кг 135
Диам.(мм) и кол-во(шт.) отверстий, d х n 14х20
Диаметр расположения отверстий, мм, Dn 505
Назад к списку