Вы здесь

Клапан герметический вентиляционный ГК ИА 01009-600 

Герметичный вентиляционный клапан ГК ИА 01009-600 предназначен для установки на воздуховодах вентиляционных систем, работающих при относительной влажности до 98% и температуре от 243 К до 323 К (от -30 °C до +50 °C). Он выполняет функцию запорного устройства при давлении среды в трубопроводе в пределах 0,005–0,006 МПа (0,05–0,06 кгс/см²).

Клапаны этой серии предназначены для полной герметичной изоляции помещений от внешней среды или других помещений.

Клапан ГК ИА 01009-600 управляется с помощью электропривода, который подбирается по согласованию с заказчиком.

Клапан может быть установлен в любом положении, при котором электропривод функционирует корректно и не препятствует управлению клапаном.

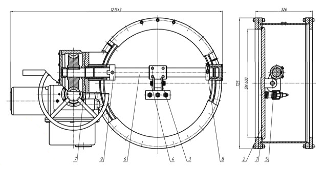
Основными  комплектующими клапанов герметических вентиляционных являются:

  1. Корпус. Через него при открытой заслонке клапана герметического вентиляционного (тип ГК ИА) – гермоклапана ГК ИА 01009-600 проходит среда.
  2. Тарель. Перекрывающее устройство, которое обеспечивает герметичное закрытие пропускного канала клапана герметического вентиляционного (тип ГК ИА) – гермоклапана ГК ИА 01009-600;
  3. Рычаг. Прижимает тарель к поверхности седла корпуса клапана;
  4. Ось. Соединяет тарель с рычагом;
  5. Пружина. Фиксирует тарель на потоке, содействует  при открытии и закрытии клапана герметического вентиляционного (тип ГК ИА) – гермоклапана ГК ИА 01009-600;
  6. Вал. Подает движение от привода через рычаг тарели;
  7. Электропривод. Передает вращение на вал;
  8. Ограничитель. Создает условия работы клапана герметического вентиляционного (тип ГК ИА) – гермоклапана ГК ИА 01010-600 при любом расположении вала. Крепится на валу с помощью штифта, исполняя при этом функции упорного подшипника.

Основные комплектующие и принцип работы

  1. Корпус
  2. Тарель
  3. Рычаг
  4. Ось
  5. Пружина
  6. Вал
  7. Электропривод
  8. Кольцо
  9. Ограничитель

Корпус 1 клапана герметического вентиляционного (тип ГК ИА) – гермоклапана ГК ИА 01009-600 с электроприводом (см. рис. 1) при помощи ответных фланцев соединяется с воздуховодами. Торцы вентиляционных труб, между которыми устанавливается клапан герметический вентиляционный (тип ГК ИА) – гермоклапан ГК ИА 01009-600, должны быть в таком укрепленном положении, чтобы нагрузка от самого трубопровода не переносилась на болтовые сцепления фланцев.

В процессе открытия клапана герметического вентиляционного (тип ГК ИА) – гермоклапана ГК ИА 01009-600 электропривод подает вращениена вал 6, соединенного с тарелью 2. В начале поворота вала на 20°-30° тарель отсоединяется от седла корпуса клапана герметического вентиляционного (тип ГК ИА) – гермоклапана ГК ИА 01009-600, проворачиваясь, что достигается с помощью трех пружин 5.

При последующем повороте вала на 90° тарель вместе с рычагом 3 становится параллельно линии оси прохода клапана герметического вентиляционного (тип ГК ИА) – гермоклапана ГК ИА 01009-600,  создавая условия для  свободного прохождение воздушной среды. Движение вала прекращается при срабатывании микровыключателя, который приостанавливает цепь управления электродвигателем.

Закрытие  клапана герметического вентиляционного (тип ГК ИА) – гермоклапана ГК ИА 01009-600 происходит в обратной последовательности. Тарель снова поворачивается на 90°, и останавливается параллельно посадочной части. Далее, при последующем повороте вала на 20-30° плотно притягивается к посадочной части корпуса. Вращение вала останавливается при срабатывании  микропереключателя, который разъединяет  цепь электропривода.

Устройство электропривода допускает выполнять:

  • дистанционную или местную сигнализацию конечных положений запорного механизма «открыто» – «закрыто»;
  • автоматическую приостановку запорного устройства при достижении конечных положений;
  • автоматическую приостановку запорного устройства  при превышении заданного крутящего момента.

Герметичность мест выхода вала создается резиновыми уплотнительными кольцами.

Комплектность ГК ИА 01009-600

  • клапан герметический вентиляционный (тип ГК ИА) – гермоклапан ГК ИА 01009-600  с электроприводом или партия клапанов герметических вентиляционных (тип ГК ИА) – гермоклапанов ГК ИА 01009-600 с электроприводами.
  • паспорт – 1 экземпляр на каждый клапан герметический вентиляционный (тип ГК ИА) – гермоклапан ГК ИА 01009-600;
  • руководство по эксплуатации и техническое описание – 1 экземпляр на каждый клапан герметический вентиляционный (тип ГК ИА) – гермоклапан ГК ИА 01009-600;
  • паспорт, техническое описание, инструкция по монтажу и эксплуатации электропривода;
  • ответные фланцы с  и крепежными элементами .

Обозначение ГК ИА 01009-600

Технические характеристики ГК ИА 01009-600

Параметр ГК ИА 01009-600
Номинальный диаметр DN, мм 600
Рабочая среда Воздух вентиляционных систем
Температура рабочей среды, °С От -30 до +50
Рабочее давление, Р, МПА (кгс/см2) 0,005 (0,05)
Присоединение к воздуховоду Фланцевое с ответными фланцами
Вид управления Электропривод
Установочное положение Допускаемое электроприводом. Предпочтительнее-установка клапана герметического вентиляционного типа (тип ГК ИА) – гермоклапана с горизонтальным положением вала
Направление подачи среды На тарель (направление, усиливающее прижатие резинового уплотнения тарели к седлу корпуса в положение «закрыто»
Габаритные размеры ДхШхВ, мм 1210х326х 725
Масса, не более, кг 245
Диам.(мм) и кол-во(шт.) отверстий, d х n 14х24
Диаметр расположения отверстий, мм, Dn 700
Назад к списку