Вы здесь

Клапан герметический вентиляционный ГК ИА 01010-400 

Герметичные вентиляционные клапаны ГК ИА 01010-400 предназначены для использования в качестве запорных устройств на воздуховодах вентиляционных систем, работающих при относительной влажности до 98% и температуре от 243 К до 323 К (от -30 °C до +50 °C), с номинальным давлением среды в трубопроводе от 0,005 до 0,006 МПа (0,05–0,06 кгс/см²).

Эти клапаны обеспечивают полную герметизацию помещений, защищая их от внешней среды или изолируя от других помещений.

Клапан ГК ИА 01010-400 управляется вручную, а его установка возможна в любом положении, при котором ручной привод работает корректно и не препятствует управлению.

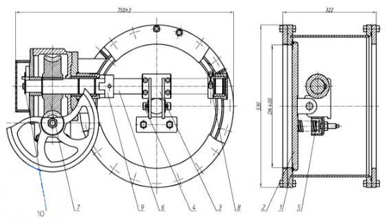
Основными составляющими клапанов герметических вентиляционных являются:

  1. Корпус. Через него, при открытой заслонке клапана герметического вентиляционного (тип ГК ИА) – гермоклапана ГК ИА 01010-400, проходит воздушная среда.
  2. Тарель. Перекрывающее устройство, которое обеспечивает герметичное закрытие пропускного канала клапана герметического вентиляционного (тип ГК ИА) – гермоклапана ГК ИА 01010-400;
  3. Рычаг. Прижимает тарель к поверхности седла корпуса клапана;
  4. Ось. Соединяет тарель с рычагом;
  5. Пружина. Фиксирует тарель на потоке, содействует  при открытии и закрытии клапана герметического вентиляционного (тип ГК ИА) – гермоклапана ГК ИА 01010-400;
  6. Вал. Подает движение от привода через рычаг тарели;
  7. Ручной привод. Передает вращение на вал;
  8. Кольцо. Создает условия работы клапана герметического вентиляционного (тип ГК ИА) – гермоклапана ГК ИА 01010-400 при любом расположении вала. Крепится на валу с помощью штифта, исполняя при этом функции упорного подшипника.

Основные составляющие и принцип работы

  1. Корпус
  2. Тарель
  3. Рычаг
  4. Ось 
  5. Пружина
  6. Вал
  7. Ручной привод
  8. Кольцо
  9. Ограничитель
  10. Указатель

Корпус 1 клапана герметического вентиляционного (тип ГК ИА) – гермоклапана ГК ИА 01010-400 с ручным приводом и  помощи ответных фланцев соединяется с воздуховодами.  Торцы вентиляционных труб, между которыми устанавливается клапан герметический вентиляционный (тип ГК ИА) – гермоклапан ГК ИА 01010-400, должны быть в таком укрепленном положении, чтобы нагрузка от  самого трубопровода не переносилась на болтовые сцепления фланцев.

Для монтажа в проеме воздуховода, совместно с клапаном герметическим вентиляционным (тип ГК ИА) – гермоклапаном ГК ИА 01010-400, поставляется люк-вставка требуемого диаметра.

Открытие запорного механизма клапана герметического вентиляционного (тип ГК ИА) – гермоклапана ГК ИА 01010-400 выполняется в два этапа:

  • при открытии  клапана герметического вентиляционного (тип ГК ИА) – гермоклапана ГК ИА 01010-400 ручной привод подает вращение на вал 6, соединенного с тарелью 2. В начале вращения вала на 20°-30° тарель отсоединяется  от седла корпуса клапана герметического вентиляционного (тип ГК ИА) – гермоклапана ГК ИА 01010-400, но не выполняет поворот, а фиксируется пружиной 5 в позиции, параллельной посадочному узлу корпуса.
  • при дальнейшем вращении вала на 90° тарель вместе с рычагом 3 также поворачивается и занимает положение, перпендикулярное  посадочной части клапана герметического вентиляционного (тип ГК ИА) – гермоклапана ГК ИА 01010-400 и параллельном оси воздуховода, обеспечивая свободное прохождение воздушной среды.

Ограничителем движения заслонки в процессе  открытия, служит заштифтованный на валу клапана герметического вентиляционного (тип ГК ИА) – гермоклапана ГК ИА 01010-400 ограничитель 9, который упирается в выступ на корпусе.  Состояние клапана  «открыто» или «закрыто» сообщается посредством указателя 10.

Закрытие тарели клапана герметического вентиляционного (тип ГК ИА) – гермоклапана ГК ИА 01010-400 выполняется в обратной последовательности. Заслонка совершает поворот на 90°, фиксируется  параллельно посадочной части, далее, при последующем вращении вала на 20-30° , плотно притягивается к посадочной части корпуса клапана.

Герметичность мест выхода вала создается резиновыми уплотнительными кольцами.

Устройство ручного привода допускает выполнять два вида контроля положения тарели: «открыто» – «закрыто»: 

  • дистанционно, посредством узла сигнализации;
  • местно, посредством указателя.

Комплектность ГК ИА 01010-400

  • клапан герметический вентиляционный (тип ГК ИА) – гермоклапан ГК ИА 01010-400 с ручным приводом или партия клапанов герметических вентиляционных (тип ГК ИА) – гермоклапанов ГК ИА 01010-400 с ручными приводами.
  • паспорт – 1 экземпляр на каждый клапан герметический вентиляционный (тип ГК ИА) – гермоклапан ГК ИА 01010-400;
  • руководство по эксплуатации и техническое описание – 1 экземпляр на каждый клапан герметический вентиляционный (тип ГК ИА) – гермоклапан ГК ИА 01010-400;
  • ответные фланцы с крепежными элементами.

Обозначение ГК ИА 01010-400

Технические характеристики ГК ИА 01010-400

Параметр ГК ИА 01010-400
Номинальный диаметр DN, мм 400
Рабочая среда Воздух вентиляционных систем
Температура рабочей среды, °С От -30 до +50
Рабочее давление, Р, МПА (кгс/см2) 0,005 (0,05)
Присоединение к воздуховоду Фланцевое с ответными фланцами
Вид управления Ручной привод
Установочное положение Любое. Предпочтительнее – установка клапана герметического вентиляционного (тип ГК ИА) гермоклапана с горизонтальным положением вала
Направление подачи среды На тарель (направление, усиливающее прижатие резинового уплотнения тарели к седлу корпуса в положение «закрыто»
Габаритные размеры ДхШхВ, мм 750х330х5 30
Масса, не более, кг 175
Диам.(мм) и кол-во(шт.) отверстий, d х n 14х12
Диаметр расположения отверстий, мм, Dn 505
Назад к списку