Вы здесь

Клапан герметический вентиляционный ГК ИА 01012-200 

Герметичные вентиляционные клапаны ГК ИА 01012-200 предназначены для установки на воздуховодах вентиляционных систем с относительной влажностью до 98% и рабочей температурой от 243 К до 323 К (от -30 °C до +50 °C). Они используются в качестве запорных устройств при давлении среды в трубопроводе в диапазоне 0,005–0,006 МПа (0,05–0,06 кгс/см²).

Эти клапаны предназначены для полной герметизации помещений, исключая проникновение внешней среды или изоляцию от других помещений.

Клапаны управляются с помощью электропривода, который подбирается по согласованию с заказчиком.

Установка клапана может осуществляться в любом положении, при условии, что электропривод функционирует корректно и не создает препятствий для управления клапаном.

Основными составляющими клапанов герметических вентиляционных являются:

  • Корпус. Через него при открытой заслонке клапана герметического вентиляционного (тип ГК ИА) – гермоклапана ГК ИА 01012-200 проходит среда.
  • Тарель. Перекрывающее устройство, которое обеспечивает герметичное закрытие пропускного канала клапана герметического вентиляционного (тип ГК ИА) – гермоклапана ГК ИА01012-200;
  • Рычаг. Прижимает тарель к поверхности седла корпуса клапана;
  • Ось. Соединяет тарель с рычагом;
  • Пружина. Фиксирует тарель на потоке, содействует  при открытии и закрытии клапана герметического вентиляционного (тип ГК ИА) – гермоклапана ГК ИА01012-200 ;
  • Вал. Подает движение от привода через рычаг тарели;
  • Электропривод.  Передает вращение на вал;
  • Кольцо. Создает условия работы клапана герметического вентиляционного (тип ГК ИА) – гермоклапана ГК ИА 01012-200 при любом расположении вала. Крепится на валу с помощью штифта, исполняя при этом функции упорного подшипника.

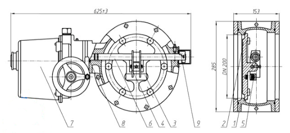
Основные комплектующие и принцип работы

  1. Корпус
  2. Тарель
  3. Рычаг
  4. Ось
  5. Пружина
  6. Вал
  7. Электропривод
  8. Кольцо
  9. Ограничитель

Корпус 1 клапана герметического вентиляционного (тип ГК ИА) – гермоклапана ГК ИА01012-200  с электроприводом (см. рис. 1) при помощи ответных фланцев соединяется с воздуховодами. Торцы вентиляционных труб, между которыми устанавливается клапан герметический вентиляционный (тип ГК ИА) – гермоклапан ГК ИА01012-200 , должны быть в таком укрепленном положении, чтобы нагрузка от самого трубопровода не переносилась на болтовые сцепления фланцев.

В процессе открытия клапана герметического вентиляционного (тип ГК ИА) – гермоклапана ГК ИА 01012-200 электропривод передает вращение валу 6, соединенному с тарелью 2. В начала поворота вала на 20°-30° тарель отходит от седла корпуса клапана герметического вентиляционного (тип ГК ИА) – гермоклапана ГК ИА 01012-200, поворачиваясь, что достигается посредством пружины 5.

В процессе открытия клапана герметического вентиляционного (тип ГК ИА) – гермоклапана ГК ИА 01012-200 электропривод подает вращение на вал 6, соединенный с тарелью 2. В начале поворота вала на 20°-30° тарельотсоединяется от седла корпуса клапана герметического вентиляционного (тип ГК ИА) – гермоклапана ГК ИА01012-200 ,проворачиваясь, что достигается с помощью пружины 5.

При последующем повороте вала на 90° тарель вместе с рычагом 3 становится параллельно линии оси прохода клапана герметического вентиляционного (тип ГК ИА) – гермоклапана ГК ИА01012-200,  создавая условия для  свободного прохождение воздушной среды. Движение вала останавливается при срабатывании микровыключателя, который приостанавливает цепь управления электродвигателем.

Закрытие  клапана герметического вентиляционного (тип ГК ИА) – гермоклапана ГК ИА01012-200 происходит в обратной последовательности. Тарель снова поворачивается на 90° и останавливается параллельно посадочной части. Далее, при последующем повороте вала на 20-30° плотно притягивается к посадочной части корпуса. Вращение вала останавливается при срабатывании  микропереключателя, который разъединяет  цепь электропривода.

Устройство электропривода допускает выполнять:

  • дистанционную или местную сигнализацию конечных положений запорного механизма «открыто» – «закрыто»;
  • автоматическую приостановку запорного устройства при достижении конечных положений;
  • автоматическую приостановку запорного устройства  при превышении заданного крутящего момента.

Герметичность мест выхода вала создается резиновыми уплотнительными кольцами.

Комплектность ГК ИА 01012-200

  • клапан герметический вентиляционный (тип ГК ИА) – гермоклапан ГК ИА 01012-200 с электроприводом или партия клапанов герметических вентиляционных (тип ГК ИА) – гермоклапанов ГК ИА 01012-200 с электроприводами.
  • паспорт – 1 экземпляр на каждый клапан герметический вентиляционный (тип ГК ИА) – гермоклапан ГК ИА 01012-200;
  • руководство по эксплуатации и техническое описание – 1 экземпляр на каждый клапан герметический вентиляционный (тип ГК ИА) – гермоклапан ГК ИА 01012-200;
  • паспорт, техническое описание, инструкция по монтажу и эксплуатации электропривода;
  • ответные фланцы с  и крепежными элементами.

Обозначение ГК ИА 01012-200

Технические характеристики ГК ИА 01012-200

Параметр ГК ИА 01012-200
Номинальный диаметр DN, мм 200
Рабочая среда Воздух вентиляционных систем
Температура рабочей среды, °С От -30 до +50
Рабочее давление, Р, МПА (кгс/см2) 0,005 (0,05)
Присоединение к воздуховоду Фланцевое с ответными фланцами
Вид управления Электропривод
Установочное положение Допускаемое электроприводом. Предпочтительнее-установка клапана герметического вентиляционного типа (тип ГК ИА) – гермоклапана с горизонтальным положением вала
Направление подачи среды На тарель (направление, усиливающее прижатие резинового уплотнения тарели к седлу корпуса в положение «закрыто»
Габаритные размеры ДхШхВ, мм 615х415х2 85
Масса, не более, кг 45
Диам.(мм) и кол-во(шт.) отверстий, d х n 11х8
Диаметр расположения отверстий, мм, Dn 265
Назад к списку