Вы здесь

Клапан герметический вентиляционный ГК ИА 01013-200 

Герметичные вентиляционные клапаны ГК ИА 01013-200 предназначены для установки на воздуховодах вентиляционных систем с относительной влажностью до 98% и рабочей температурой от 243 К до 323 К (от -30 °C до +50 °C). Они используются в качестве запорных устройств при давлении среды в трубопроводе в диапазоне 0,005–0,006 МПа (0,05–0,06 кгс/см²).

Эти клапаны предназначены для полной герметизации помещений, исключая проникновение внешней среды или изоляцию от других помещений.

Клапаны управляются с помощью электропривода, который подбирается по согласованию с заказчиком.

Установка клапана может осуществляться в любом положении, при условии, что электропривод функционирует корректно и не создает препятствий для управления клапаном.

Основными составляющими клапанов герметических вентиляционных являются:

  • Корпус. Через него при открытой заслонке клапана герметического вентиляционного (тип ГК ИА) – гермоклапана ГК ИА 01013-200 проходит воздушная среда.
  • Тарель. Перекрывающее устройство, которое обеспечивает герметичное закрытие пропускного  канала  клапана герметического вентиляционного (тип ГК ИА) – гермоклапана ГК ИА01013-200;
  • Рычаг. Прижимает тарель к  поверхности седла корпуса клапана;
  • Ось. Соединяет тарель с рычагом;
  • Пружина. Фиксирует тарель на потоке, содействует  при открытии и закрытии клапана герметического вентиляционного (тип ГК ИА) – гермоклапана ГК ИА01013-200;
  • Вал. Подает движение от привода через рычаг тарели;
  • Ручной привод. Передает вращение на вал;
  • Кольцо. Создает условия работы клапана герметического вентиляционного (тип ГК ИА) – гермоклапана ГК ИА 01013-200 - при любом расположении вала. Крепится на валу с помощью штифта, исполняя при этом функции упорного подшипника.

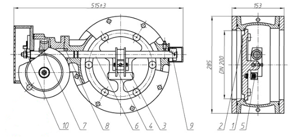
Основные комплектующие и принцип работы

  1. Корпус
  2. Тарель
  3. Рычаг
  4. Ось
  5. Пружина
  6. Вал
  7. Ручной привод
  8. Кольцо
  9. Ограничитель
  10. Указатель

Корпус 1 клапана герметического вентиляционного (тип ГК ИА) – гермоклапана ГК ИА01013-200 - с ручным приводом при  помощи ответных фланцев соединяется с воздуховодами.  Торцы вентиляционных труб, между которыми устанавливается клапан герметический вентиляционный (тип ГК ИА) – гермоклапан ГК ИА01013-200 , должны быть в таком укрепленном положении, чтобы нагрузка от  самого трубопровода не переносилась на болтовые сцепления фланцев.

Для монтажа в проеме воздуховода совместно с клапаном герметическим вентиляционным (тип ГК ИА) – гермоклапаном ГК ИА 01013-200 - поставляется  люк-вставка соответствующего  размера.

Открытие запорного механизма клапана герметического вентиляционного (тип ГК ИА) – гермоклапана - ГК ИА 01013-200 - выполняется в два этапа:

  • при открытии  клапана герметического вентиляционного (тип ГК ИА) – гермоклапана ГК ИА 01013-200 ручной привод подает вращение на вал 6, соединенного с тарелью 2. В начале вращения вала на 20°-30° тарель отсоединяется  от седла корпуса клапана герметического вентиляционного (тип ГК ИА) – гермоклапана ГК ИА01013-200, но не выполняет поворот, а фиксируется пружиной 5 в позиции, параллельной посадочному узлу корпуса.
  • при дальнейшем вращении вала на 90° тарель вместе с рычагом 3 также поворачивается и занимает  положение, перпендикулярное  посадочной части  клапана герметического вентиляционного (тип ГК ИА) – гермоклапана ГК ИА01013-200 и параллельном оси воздуховода, обеспечивая свободное прохождение воздушной среды.

Ограничителем движения заслонки в процессе  открытия , служит заштифтованный на валу клапана герметического вентиляционного (тип ГК ИА) – гермоклапана ГК ИА01013-200  ограничитель 9, который упирается в выступ на корпусе.  Состояние клапана  «открыто» или «закрыто» сообщается посредством указателя 10.

Закрытие тарели клапана герметического вентиляционного (тип ГК ИА) – гермоклапана ГК ИА 01013-200 - выполняется  в обратной последовательности. Заслонка совершает поворот  на 90°, фиксируется  параллельно посадочной части, далее, при последующем вращении вала на 20-30° плотно притягивается к посадочной части корпуса клапана.

Герметичность мест выхода вала создается резиновыми уплотнительными кольцами.

Устройство  ручного привода допускает выполнять  два вида контроля положения тарели «открыто» – «закрыто»: 

  • дистанционно, посредством узла  сигнализации;
  • местно, посредством указателя .

Комплектность ГК ИА 01013-200

  • клапан герметический вентиляционный (тип ГК ИА) – гермоклапан ГК ИА 01013-200 с ручным приводом или партия клапанов герметических вентиляционных (тип ГК ИА) – гермоклапанов ГК ИА 01013-200 с ручными приводами.
  • паспорт – 1 экземпляр на каждый клапан герметический вентиляционный (тип ГК ИА) – гермоклапан ГК ИА01013-200;
  • руководство по эксплуатации и техническое описание – 1 экземпляр на каждый клапан герметический вентиляционный (тип ГК ИА) – гермоклапан ГК ИА01013-200 ;
  • ответные фланцы с крепежными элементами.

Обозначение ГК ИА 01013-200

Технические характеристики ГК ИА 01013-200

Параметр ГК ИА 01013-200
Номинальный диаметр DN, мм 200
Рабочая среда Воздух вентиляционных систем
Температура рабочей среды, °С От -30 до +50
Рабочее давление, Р, МПА (кгс/см2) 0,005 (0,05)
Присоединение к воздуховоду Фланцевое с ответными фланцами
Вид управления Ручной привод
Установочное положение Любое. Предпочтительнее – установка клапана герметического вентиляционного (тип ГК ИА) гермоклапана с горизонтальным положением вала
Направление подачи среды На тарель (направление, усиливающее прижатие резинового уплотнения тарели к седлу корпуса в положение «закрыто»
Габаритные размеры ДхШхВ, мм 515х153х2 85
Масса, не более, кг 35
Диам.(мм) и кол-во(шт.) отверстий, d х n 11х8
Диаметр расположения отверстий, мм, Dn 265
Назад к списку