Вы здесь
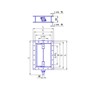
Клапаны пылегазовоздухопроводов прямоугольные 1-осные
Клапаны прямоугольной формы с одним осевым механизмом предназначены для регулирования, перекрытия или отключения потоков воздуха, газа и газопылевых смесей в системах аспирации, вентиляции, пневмотранспорта и очистки газов.
Эти клапаны применяются на промышленных объектах, в котельных установках, цехах с загрязнённым воздухом и других технологических линиях.
1-осные клапаны монтируются в прямоугольные воздуховоды и пылегазовоздухопроводы, обеспечивая управление движением сред разного характера — от чистого воздуха до запылённых и агрессивных газов. Они гарантируют надёжное перекрытие сечения и эффективное регулирование потоков, что важно для защиты оборудования, контроля температуры и автоматизации процессов.
Особенности конструкции
- Поворотная заслонка, вращающаяся вокруг продольной оси;
 - Прямоугольный корпус из конструкционной, оцинкованной или нержавеющей стали;
 - Уплотнённая посадка створки для обеспечения герметичности в закрытом положении;
 - Привод механический, ручной или автоматический (электрический, пневматический);
 - Стойкость к высоким температурам и абразивным частицам (в зависимости от исполнения);
 - Простота монтажа в каналах различных сечений.
 
Преимущества 1-осных прямоугольных клапанов
- Надёжная и простая конструкция;
 - Возможность установки в горизонтальные и вертикальные каналы;
 - Адаптация к различным средам и температурным режимам;
 - Длительный срок службы и высокая ремонтопригодность;
 - Низкое аэродинамическое сопротивление в открытом состоянии.
 
Области применения
- Установки аспирации и пылеулавливания;
 - Газоочистные системы и фильтры;
 - Котельные и тепловые установки;
 - Вентиляционные системы и очистка загрязнённого воздуха;
 - Промышленные процессы с перемещением горячих или пылевых газов.
 
Габаритные размеры

			


